lemon-mirror:
Home >> Pontiac >> 2009 >> G5 L4-2.2L >> Repair and Diagnosis >> Power and Ground Distribution >> Fuse Block >> Service and Repair

Fuse Block: Service and Repair




Underhood Electrical Center or Junction Block Bracket Replacement

Removal Procedure

1. Disconnect the negative battery cable. Refer to Battery Negative Cable Disconnection and Connection (Service and Repair).




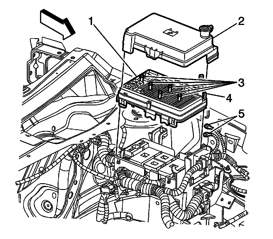
2. Remove the cover (2) from the underhood electrical center.
3. Remove the underhood positive battery terminal lug (4).

Note: Take note of the positioning of the positive battery cables before disconnecting the cables.

4. Disconnect the positive battery cables (5) from the underhood electrical center.
5. Reposition the body harness from the electrical center top cover.

Note: The underhood electrical center bolts (3) are retained in the electrical center.

6. Loosen all of the underhood electrical center bolts (3).
7. Remove the underhood electrical center (1) from the vehicle.




8. Remove the engine control module. Refer to Engine Control Module Replacement (Service and Repair) for the 2.0L engine or Engine Control Module Replacement (Service and Repair) for the 2.2L or 2.4L engine.
9. Disconnect the electrical harness from the junction block bracket.
10. Remove the bracket lower bolts (2).
11. Remove the junction block bracket support nut (1).
12. Remove the junction block bracket (3).

Installation Procedure




1. Install the junction block bracket (3).

Caution: Refer to Fastener Caution (Fastener Caution).

2. Install the junction block bracket support nut (1) and tighten to 10 Nm (89 lb in).
3. Install the bracket lower bolts (2) and tighten to 10 Nm (89 lb in).
4. Connect the electrical harness to the junction block bracket.
5. Install the engine control module. Refer to Engine Control Module Replacement (Service and Repair) for the 2.0L engine or Engine Control Module Replacement (Service and Repair) for the 2.2L or 2.4L engine.




6. Position the underhood electrical center (1) to the vehicle.
7. Tighten all of the underhood electrical center bolts (3) to 10 Nm (89 lb in).
8. Connect the positive battery cables (5) to the underhood electrical center.
9. Install the underhood positive battery terminal lug (4) and tighten to 15 Nm (133 lb in).
10. Install the cover (2) to the underhood electrical center.
11. Connect the negative battery cable. Refer to Battery Negative Cable Disconnection and Connection (Service and Repair).