lemon-mirror:
Home >> Pontiac >> 2008 >> Vibe L4-1.8L >> Repair and Diagnosis >> Diagrams >> Electrical Diagrams >> Locks >> Keyless Entry >> Remote Function Schematics

Remote Function Schematics



Remote Function Schematics

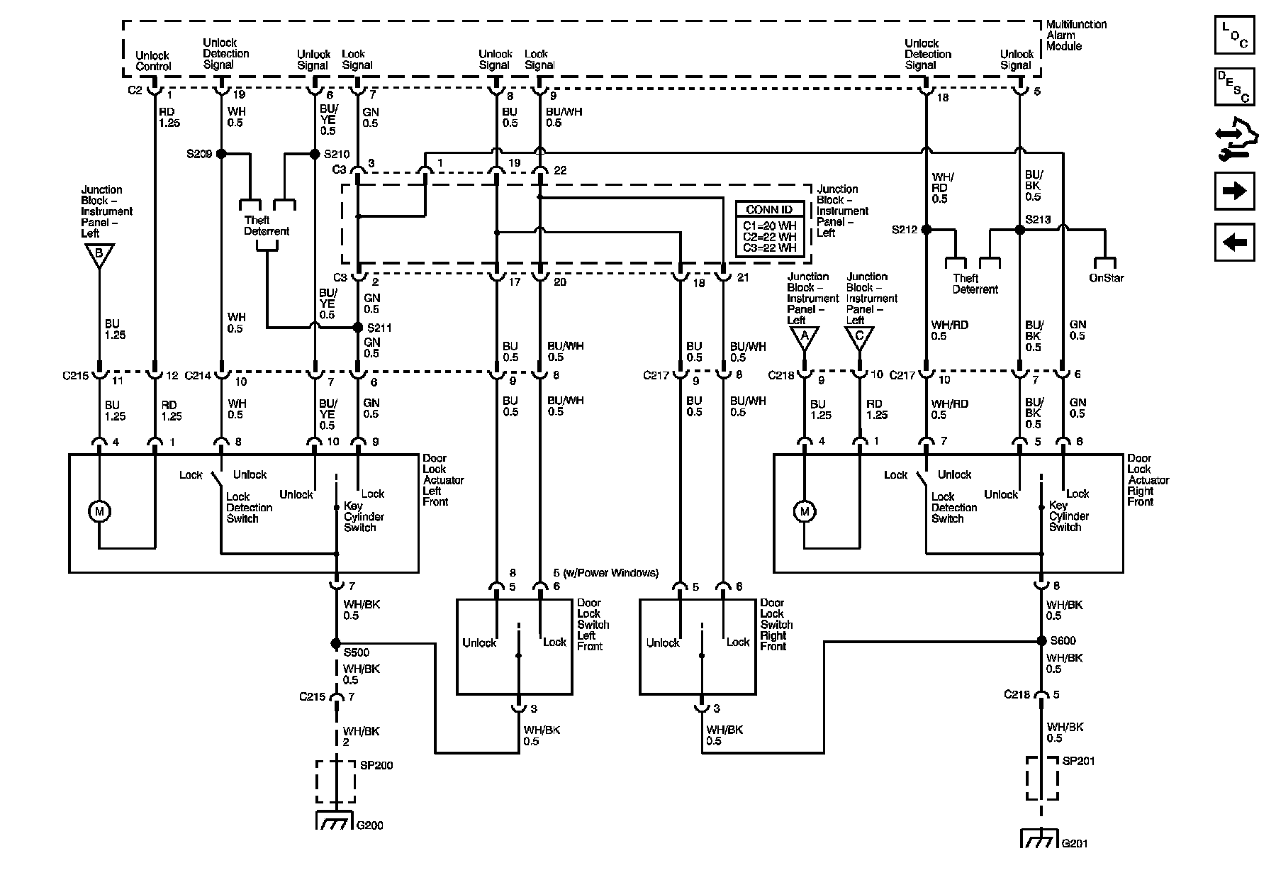
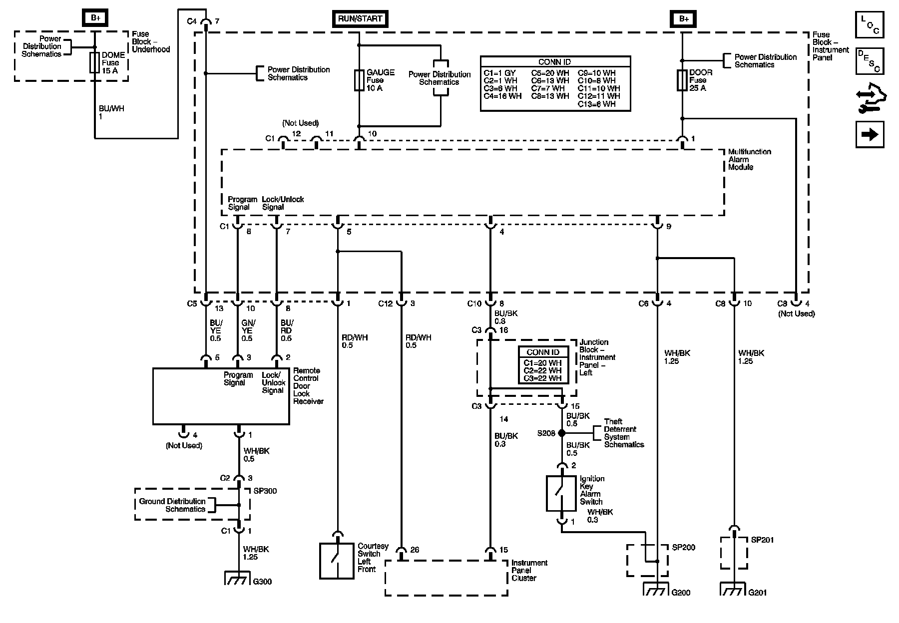
Multifunction Alarm Module, Remote Control Door Lock Receiver





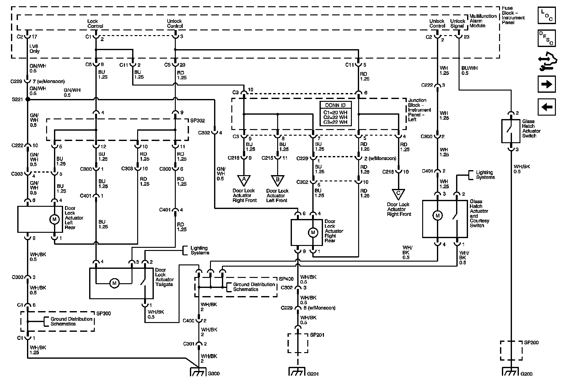
Multifunction Alarm Module, Rear Door Lock, Glass Hatch and Tailgate Actuators





Door Lock Switches and Front Door Lock Actuators





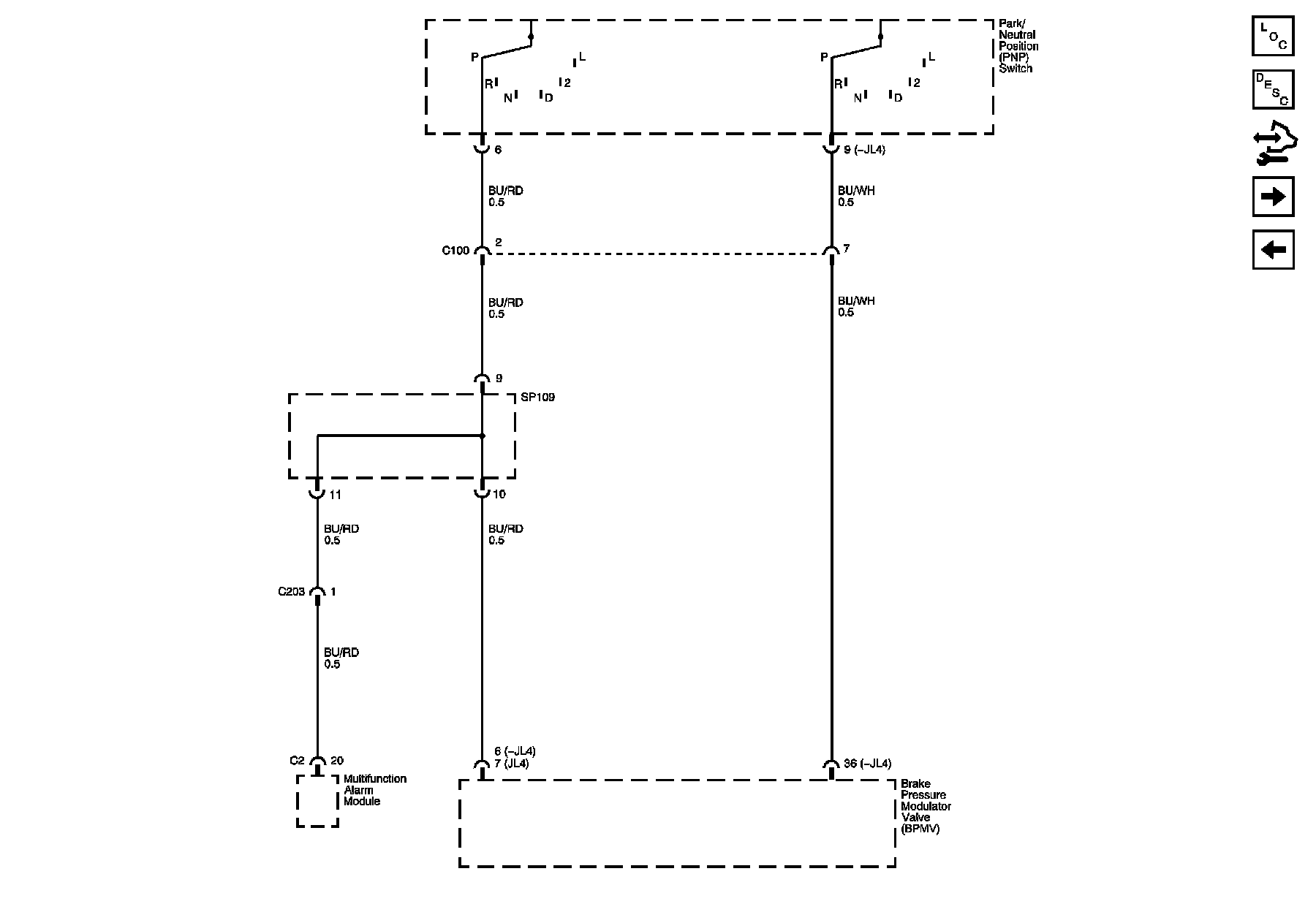
Park/Neutral Position Switch, Brake Pressure Modulator Valve (BPMV), Multifunction Alarm Module





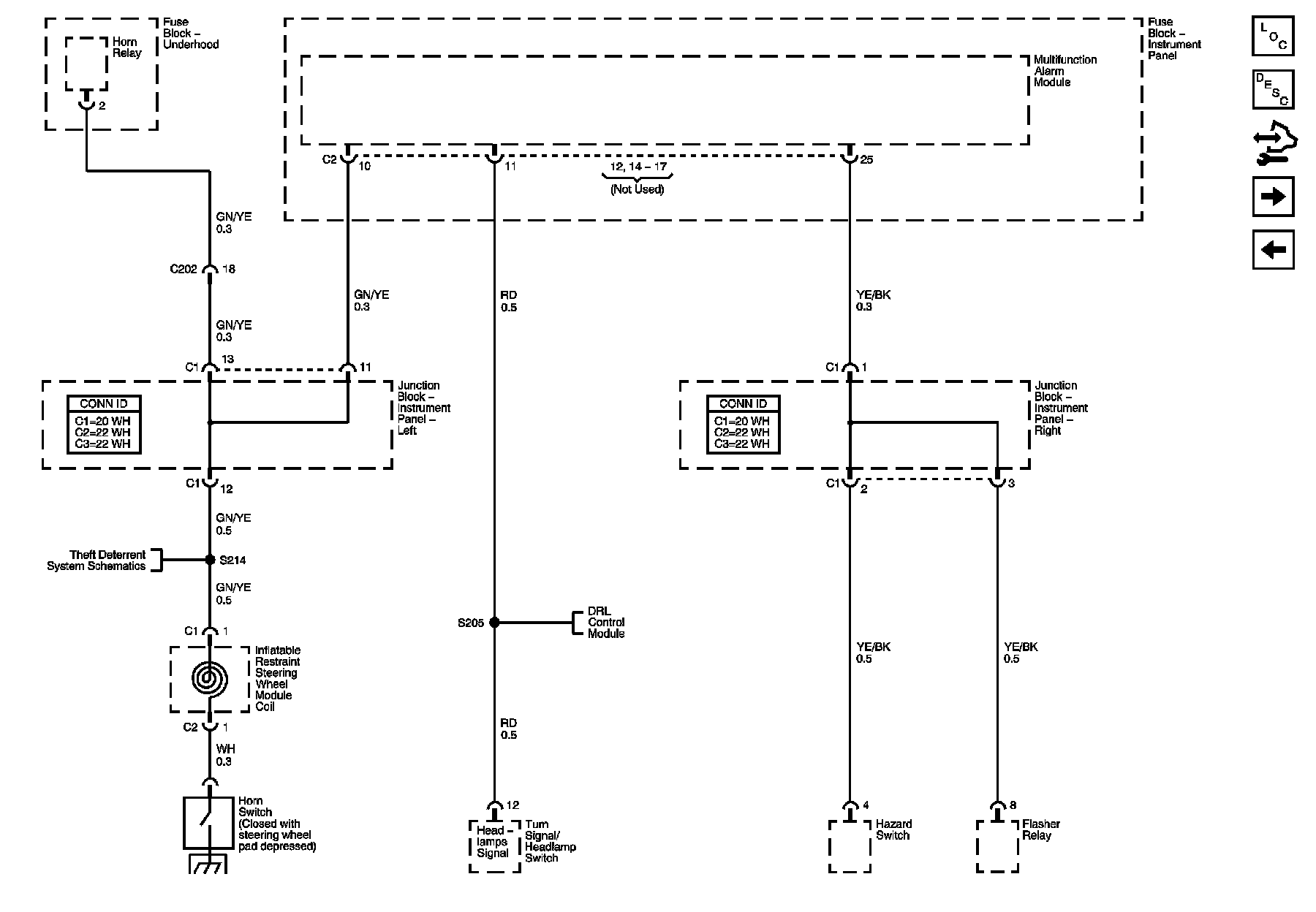
Multifunction Alarm Module, Horn, Hazard, Turn Signal/Headlamp Switches





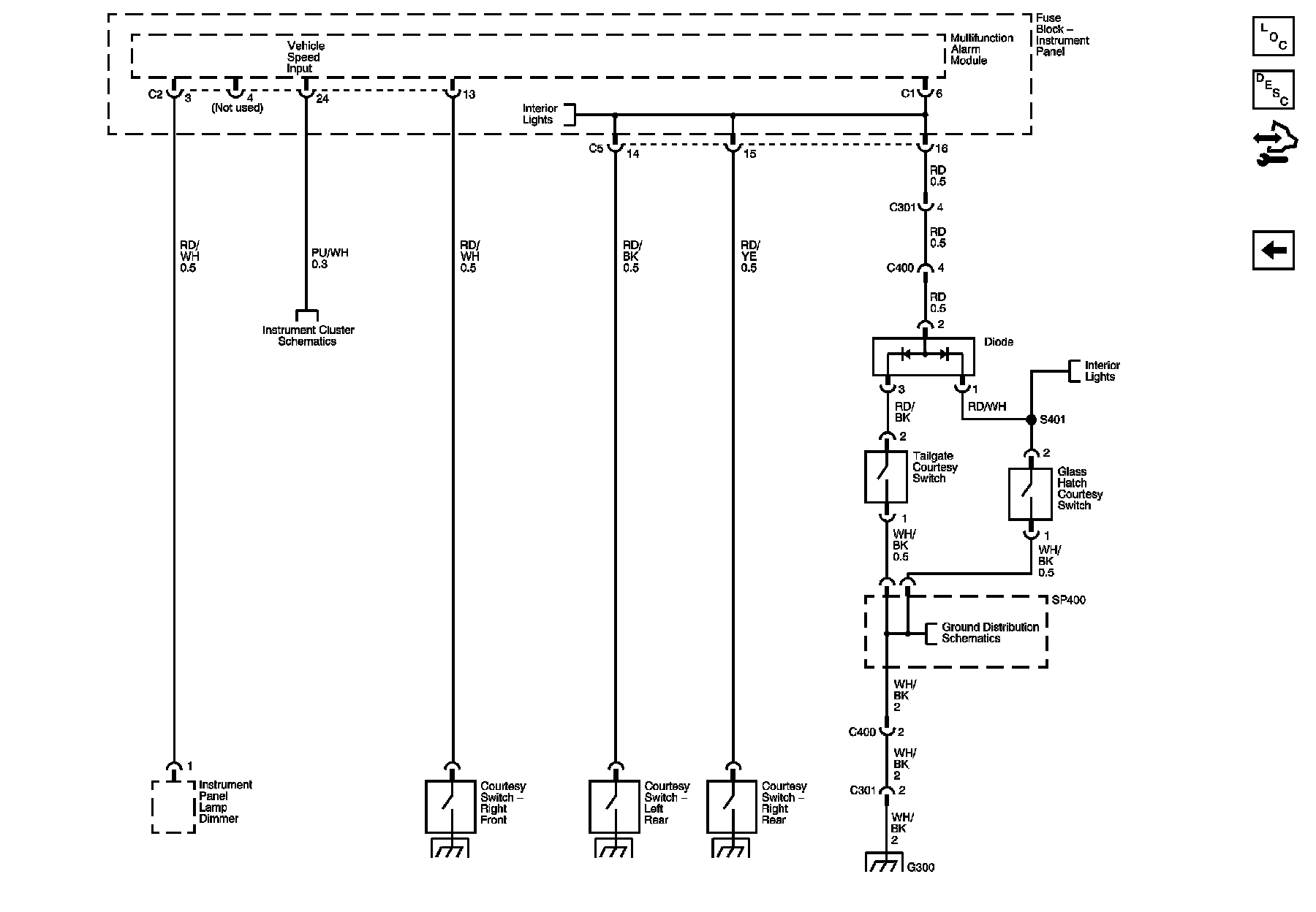
Multifunction Alarm Module and Courtesy Switches