lemon-mirror:
Home >> Pontiac >> 2008 >> Torrent FWD V6-3.4L >> Repair and Diagnosis >> Powertrain Management >> Ignition System >> Ignition Control Module >> Service and Repair >> Ignition Control Module Bracket Replacement

Ignition Control Module Bracket Replacement



Ignition Control Module Bracket Replacement

Removal Procedure




1. Disconnect the negative battery cable.
2. Remove the injector sight shield.
3. Disconnect the ignition coil/control module electrical connectors.
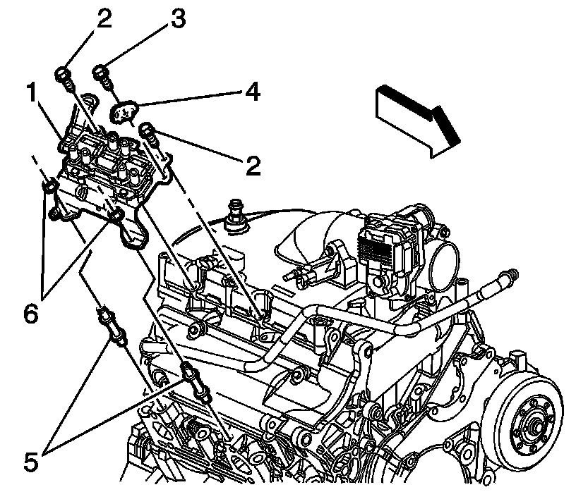
4. Remove the spark plug wire retainer (1) from the ignition control module bracket.
5. Remove the 4 bolts securing the ignition coil/control module to the ignition control module bracket.
6. Position the ignition coil/control module aside out of the way.
7. Remove the bolt (3) from the fuel injector wire harness bracket (4) and positive crankcase ventilation (PCV) valve fresh air tube retainer.
8. Remove the engine wire harness retainers from the ignition control module bracket studs (5).




9. Remove the nut (1) retaining the heater outlet pipe.
10. Lift pipe up slightly to gain access for the removal of the 2 ignition control module bracket bolts.




11. Remove the ignition control module bracket bolts (2).
12. Remove the ignition control module bracket nuts (6).
13. Remove the ignition control module bracket.

Installation Procedure




1. Install the ignition control module bracket.

Notice: Refer to Fastener Notice.

2. Install the ignition control module bracket nuts (6).

Tighten the nuts to 25 N.m (18 lb ft).

3. Install the ignition control module bracket bolts (2).

Tighten the bolts to 25 N.m (18 lb ft).




4. Install the nut (1) retaining the heater outlet pipe.

Tighten the nut to 25 N.m (18 lb ft).




5. Install the engine wire harness retainers to the ignition control module bracket studs (5).
6. Install the bolt (3) from the fuel injector wire harness bracket (4) and PCV valve fresh air tube retainer.

Tighten the bolts to 5 N.m (44 lb in).

7. Install the ignition coil/control module to the ignition control module bracket.
8. Install the 4 bolts securing the ignition coil/control module to the ignition control module bracket.

Tighten the bolts to 4.5 N.m (40 lb in).

9. Install the spark plug wire retainer (1) to the ignition control module bracket.
10. Connect the ignition coil/control module electrical connectors.
11. Install the injector sight shield.
12. Connect the negative battery cable.