lemon-mirror:
Home >> Pontiac >> 2008 >> Torrent FWD V6-3.4L >> Repair and Diagnosis >> Powertrain Management >> Computers and Control Systems >> Fuel Level Sensor >> Service and Repair >> Primary Fuel Level Sensor Replacement

Primary Fuel Level Sensor Replacement



Primary Fuel Level Sensor Replacement

Removal Procedure

Important: NEW fuel tank module seals are necessary each time the fuel tank module is serviced. Obtain NEW seals for both the primary and secondary modules prior to beginning this service procedure.






Important: There are 2 fuel level sender unit and float assemblies in the fuel tank. There is 1 located on each fuel pump module. The fuel level sender unit and float is NOT the same for each of the fuel pump modules.

1. Remove the fuel tank.
2. Remove the fuel pump module.
3. Disconnect the fuel level sender unit and float electrical connector from the underside of the top of the pump module.
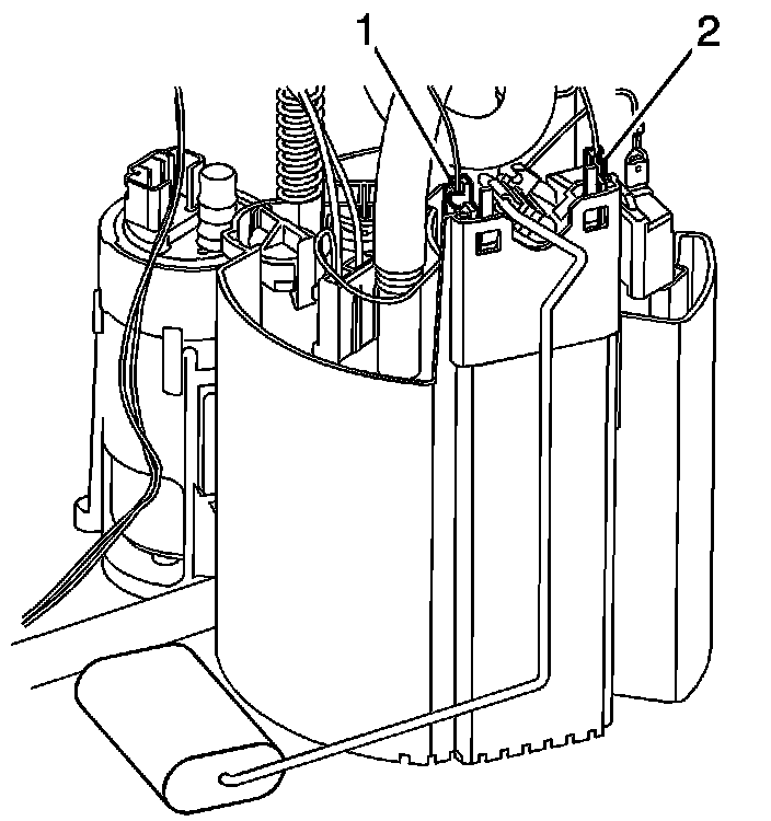
4. Release the retaining tabs (1, 2) and remove the level sensor by sliding up.

Installation Procedure




1. Install the fuel level sender unit and float onto the fuel pump module. Make sure that the sender cap snaps into place (1, 2).
2. Connect the fuel level sender unit and float electrical connector.
3. Install the fuel pump module into the fuel tank.
4. Install the fuel tank.