lemon-mirror:
Home >> Pontiac >> 2008 >> Grand Prix V6-3.8L >> Repair and Diagnosis >> Diagrams >> Exploded Views >> Automatic Transmission/Transaxle >> Disassembled Views

Disassembled Views



Disassembled Views

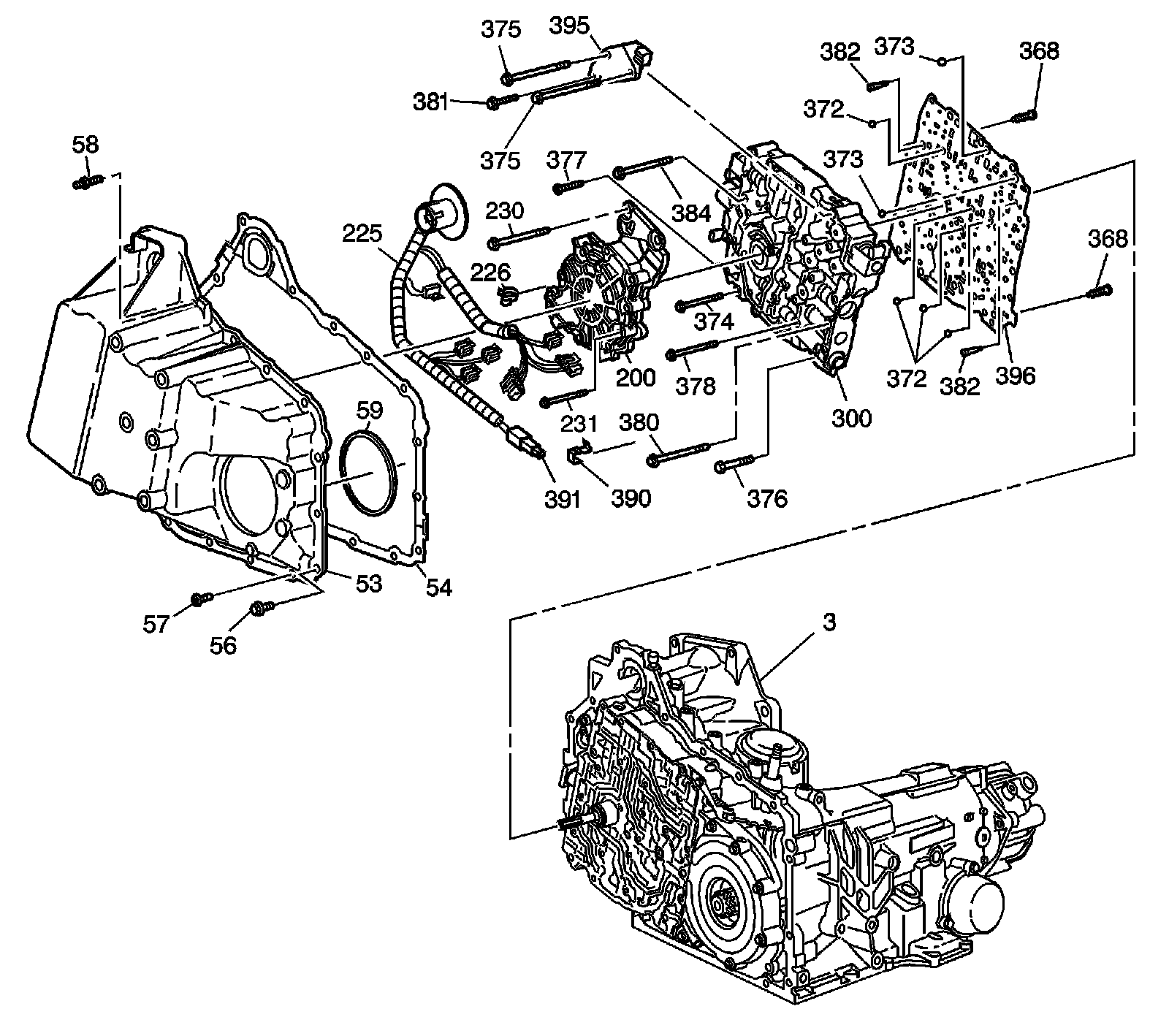
Case and Associated Parts (1 of 4)

Case and Associated Parts:




3 - Transmission Case Assembly
53 - Control Valve Body Cover
54 - Control Valve Body Cover Gasket
56 - Control Valve Body Cover Bolt M 8 X 1.25 X 25
57 - Control Valve Body Cover TORX(R) Head Bolt M 8 X 1.25 X 21
58 - Control Valve Body Cover to Case Stud M 8 X 1.25 X 24
59 - Control Valve Body Cover to Case Cover Seal
200 - Oil Pump Assembly - Model Dependent
200 - Oil Pump Assembly - Model Dependent
225 - Wiring Harness Assembly (IMS)
226 - Wiring Harness Clip
230 - Pump Cover to Case Cover Bolt M 6 X 1.0 X 95.0
231 - Pump Body to Case Bolt M6 X 1.0 X 87.5
300 - Control Valve Body Assembly - Model Dependent
300 - Control Valve Body Assembly - Model Dependent
368 - Spacer Plate and Gaskets/Control Valve Body Bolt
368 - Spacer Plate and Gaskets/Control Valve Body Bolt
372 - 1/4 Ball Check Valve
372 - 5/16 Ball Check Valve
373 - Ball Check Valve
373 - Ball Check Valve
374 - Control Valve Body Bolt M 6 X 1.0 X 65.0
375 - Control Valve Body to Case Bolt M 6 X 1.0 X 60.0
375 - Control Valve Body to Case Bolt M 6 X 1.0 X 60.0
376 - Control Valve Body to Case Bolt M 6 X 1.0 X 30.0
377 - Control Valve Body to Case Cover Bolt M 6 X 1.0 X 45.0
378 - Control Valve Body to Case Cover Bolt M 6 X 1.0 X 55.0
380 - Control Valve Body to Case Bolt M 8 X 1.25 X 90.0
381 - Control Valve Body to Case Bolt M 6 X 1 X 20.0
382 - TCC Solenoid Valve Screen/Seal Assembly
382 - TCC Solenoid Valve Screen/Seal Assembly
384 - Control Valve Body to Case Bolt M 6 X 1.0 X 85.0
390 - Temperature Sensor Clip
391 - Transmission Fluid Temperature Sensor
391 - Transmission Fluid Temperature Sensor
395 - Transmission Fluid Pressure (TFP) Manual Valve Position Switch Assembly
396 - Control Valve Body Spacer Plate and Gasket Assembly

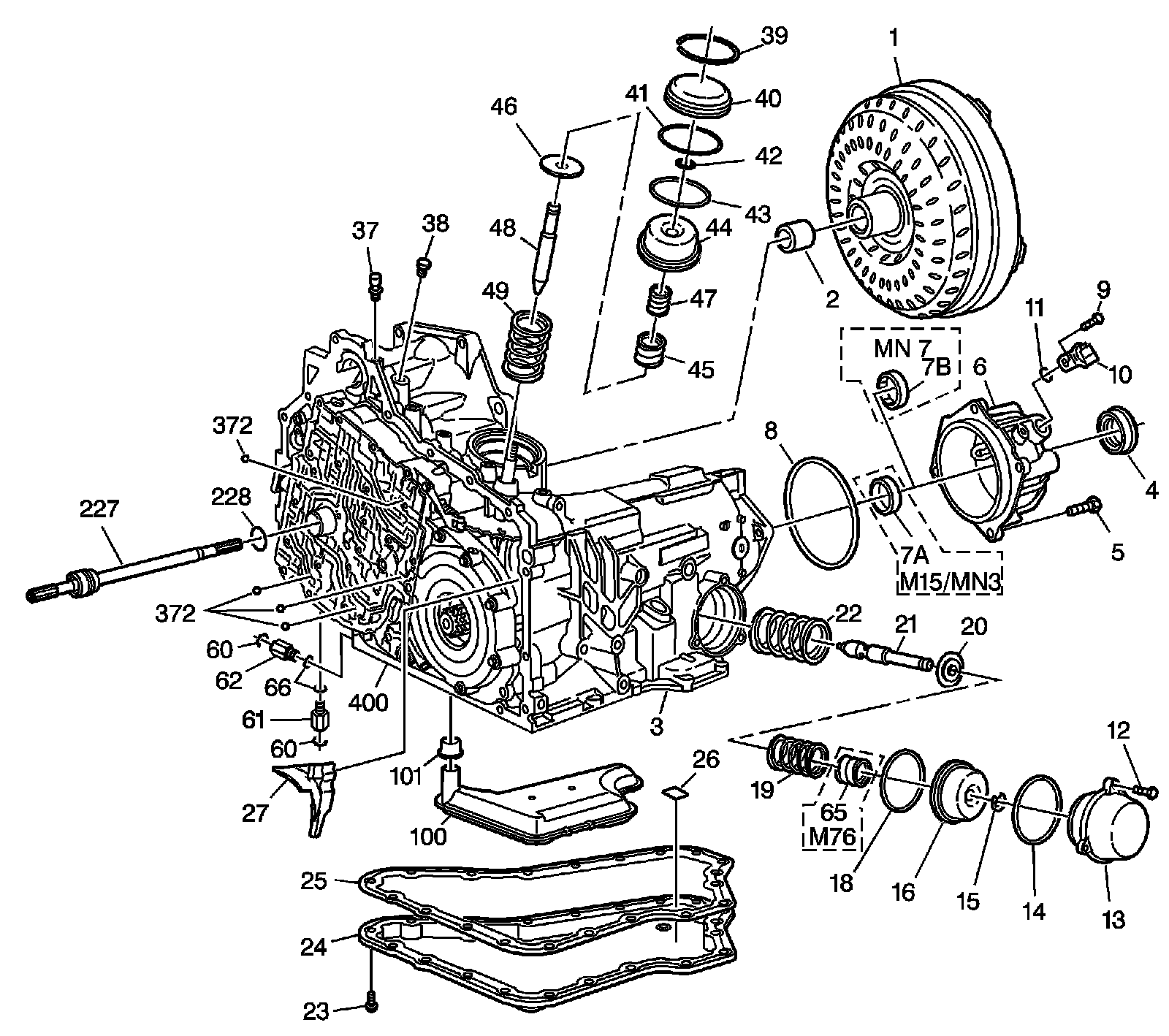
Case and Associated Parts (2 of 4)

Case and Associated Parts:




1 - Torque Converter Assembly
2 - Torque Converter Bushing
3 - Transmission Case
4 - Right Axle Oil Seal Assembly
5 - Case Extension Bolt M 10 X 1.5 X 35.0
6 - Case Extension Assembly
7a - Front Differential Carrier Bushing
7b - Output Shaft Bearing Assembly
8 - Case Extension Seal
9 - Vehicle Speed Sensor Bolt M 8 X 1.25 X 12.0
10 - Vehicle Speed Sensor Assembly
11 - Vehicle Speed Sensor O-Ring Seal
12 - FWD Servo Cover Bolt M 6 X 1.0 X 20.0
13 - Forward Band Servo Cover
14 - Forward Band Servo Cover Seal
15 - Forward Band Servo Pin Retaining Ring
16 - Forward Band Servo Piston
18 - Forward Band Servo Piston Oil Seal Ring
19 - Forward Band Servo Piston Cushion Outer Spring
20 - Forward Servo Cushion Spring Retainer
21 - Forward Band Servo Piston Apply Pin
22 - Forward Band Servo Piston Return Spring
23 - Transmission Oil Pan Bolt M 6 X 1.0 X 17.0
24 - Transmission Oil Pan
25 - Transmission Oil Pan Gasket
26 - Transmission Oil Pan Magnet
27 - Oil Dam
37 - Transmission Vent Assembly
38 - Oil Pressure Test Hole Plug 1/8 - 27 NPTF
39 - Reverse Band Servo Cover Retaining Ring
40 - Reverse Band Servo Cover
41 - Reverse Band Servo Cover O-Ring Seal
42 - Reverse Band Servo Pin Retaining Ring
43 - Reverse Band Servo Piston Oil Seal Ring
44 - Reverse Band Servo Piston
45 - Reverse Band Servo Piston Cushion Spring
46 - Reverse Band Servo Piston Cushion Spring Retainer
47 - Reverse Band Servo Piston Cushion Spring Inner
48 - Reverse Band Servo Piston Apply Pin
49 - Reverse Band Servo Piston Return Spring
60 - Clip, Oil Cooler Quick Connect
60 - Clip, Oil Cooler Quick Connect
61 - Transmission Oil Cooler Pipe Fitting 9/16-18 UNF
62 - Transmission Oil Cooler Pipe Fitting 9/16-18 UNF
65 - Forward Band Servo Piston Cushion Inner Spring
66 - Oil Cooler Pipe Fitting O-Ring Seal
100 - Transmission Oil Filter Assembly
101 - Transmission Oil Filter Seal Assembly
227 - Oil Pump Drive Shaft Assembly
228 - Oil Pump Drive Shaft Seal
372 - Case Cover Ball Check Valve
372 - Case Cover Ball Check Valve
400 - Complete Case Cover Assembly

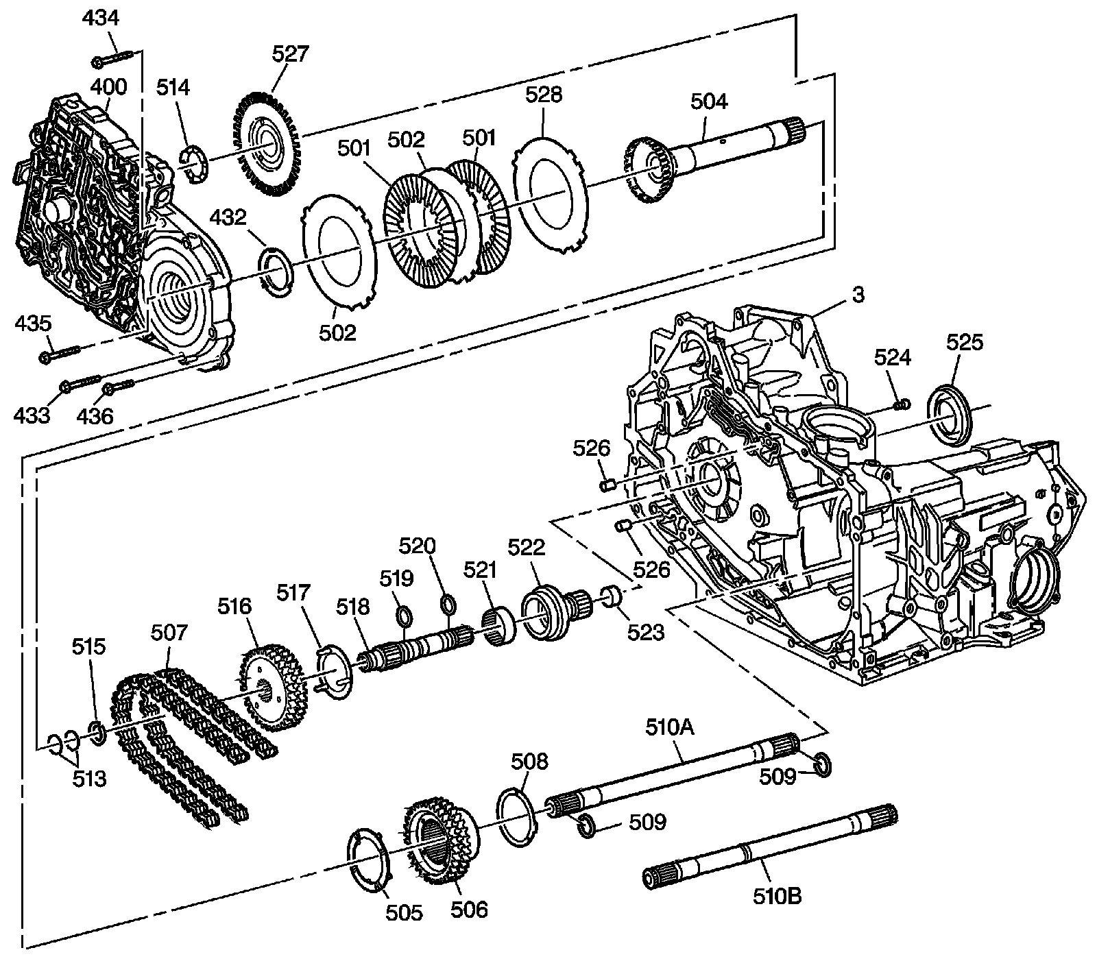
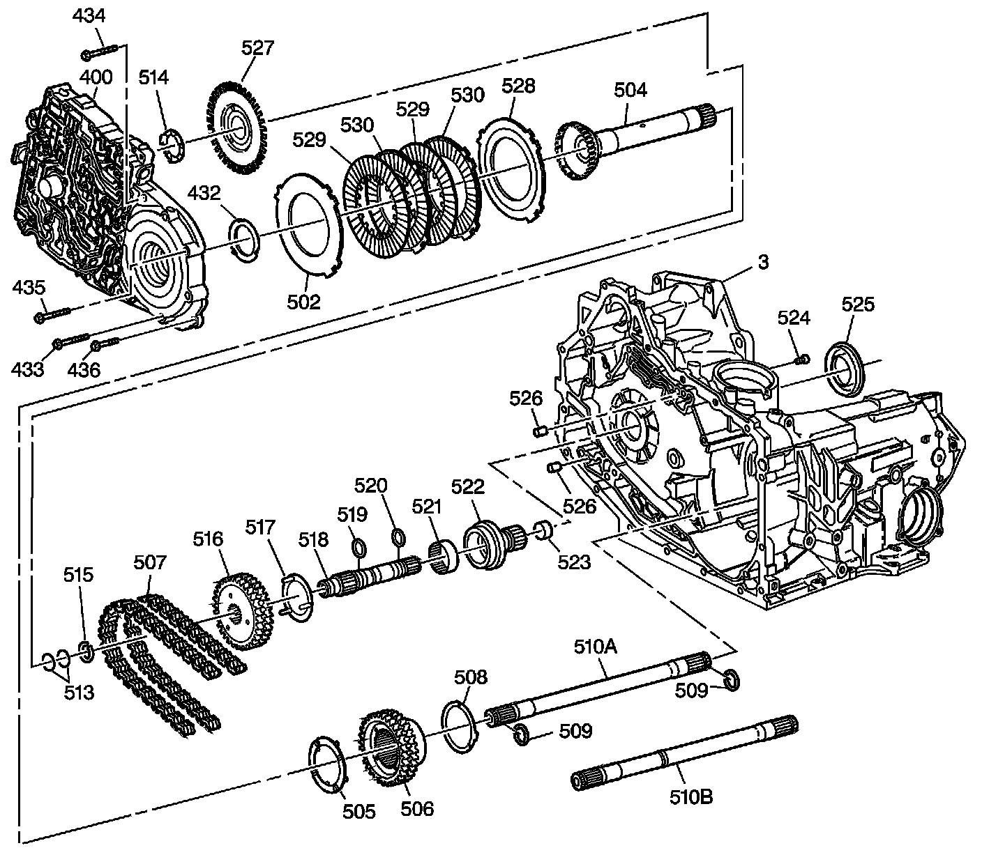
Case and Associated Parts (3 of 4) - Without Touch Activated Power

Case and Associated Parts:




3 - Transmission Case
400 - Complete Case Cover Assembly
432 - 4th Clutch Shaft Thrust Washer
433 - Case Cover Bolt/Screw TORX(R) Special M6 X 1.0 X 32.0
434 - Case Cover Bolt/Screw M6 X 1.0 X 40.0
435 - Case Cover Bolt/Screw M8 X 1.25 X 50.0
436 - Case Cover Bolt/Screw M6 X 1.0 X 30.0
501 - 4th Clutch Fiber Plate Assembly
501 - 4th Clutch Fiber Plate Assembly
502 - 4th Clutch Steel Plate
502 - 4th Clutch Steel Plate
504 - 4th Clutch Shaft Assembly
505 - 4th Clutch Shaft Thrust Washer
506 - Driven Sprocket
507 - Drive Link Assembly
508 - Driven Sprocket Thrust Washer
509 - Drive Shaft Retaining Ring
510a - Standard Output Shaft
510b - Heavy Duty Output Shaft
513 - Turbine Shaft Oil Seal Ring
514 - Drive Sprocket Thrust Washer
515 - Drive Sprocket Retaining Ring
516 - Drive Sprocket
517 - Drive Sprocket Thrust Washer
518 - Turbine Shaft
519 - Turbine Shaft Oil Seal Ring
520 - Turbine Shaft O-Ring Seal
521 - Drive Sprocket Support Bearing Assembly
522 - Drive Sprocket Support
523 - Drive Sprocket Support Bushing
524 - Drive Sprocket Support Bolt/Screw M8 X 1.25 X 24.0
525 - Torque Converter Oil Seal Assembly
526 - Case Cover Pin
526 - Case Cover Pin
527 - Speed Sensor Reluctor Wheel Assembly
528 - 4th Clutch Apply Plate

Case and Associated Parts (3 of 4) - With Touch Activated Power

Case and Associated Parts:




3 - Transmission Case
400 - Complete Case Cover Assembly
432 - 4th Clutch Shaft Thrust Washer
433 - Case Cover Bolt/Screw TORX(R) Special M6 X 1.0 X 32.0
434 - Case Cover Bolt/Screw M6 X 1.0 X 40.0
435 - Case Cover Bolt/Screw M8 X 1.25 X 50.0
436 - Case Cover Bolt/Screw M6 X 1.0 X 30.0
502 - 4th Clutch Steel Plate
504 - 4th Clutch Shaft Assembly
505 - 4th Clutch Shaft Thrust Washer
506 - Driven Sprocket
507 - Drive Link Assembly
508 - Driven Sprocket Thrust Washer
509 - Drive Shaft Retaining Ring
510a - Standard Output Shaft
510b - Heavy Duty Output Shaft
513 - Turbine Shaft Oil Seal Ring
514 - Drive Sprocket Thrust Washer
515 - Drive Sprocket Retaining Ring
516 - Drive Sprocket
517 - Drive Sprocket Thrust Washer
518 - Turbine Shaft
519 - Turbine Shaft Oil Seal Ring
520 - Turbine Shaft O-Ring Seal
521 - Drive Sprocket Support Bearing Assembly
522 - Drive Sprocket Support
523 - Drive Sprocket Support Bushing
524 - Drive Sprocket Support Bolt/Screw M8 X 1.25 X 24.0
525 - Torque Converter Oil Seal Assembly
526 - Case Cover Pin
526 - Case Cover Pin
527 - Speed Sensor Reluctor Wheel Assembly
528 - 4th Clutch Apply Plate
529 - 4th Clutch Fiber Plate Assembly
529 - 4th Clutch Fiber Plate Assembly
530 - 4th Clutch Steel Plate
530 - 4th Clutch Steel Plate

Case and Associated Parts (4 of 4)




3 - Transmission Case Assembly
103 - 2-1 Manual Band Servo Cover Bolt/Screw M8 X 1.25 X 25.0 (3)
104 - 2-1 Manual Band Servo Cover
105 - 2-1 Manual Band Servo Cover Seal
106 - 2-1 Manual Band Servo Piston Pin Retaining Ring
107 - 2-1 Manual Band Servo Piston Seal
108 - 2-1 Manual Band Servo Piston
109 - 2-1 Manual Band Servo Piston Cushion Spring
110 - 2-1 Manual Band Servo Piston Spring Retainer
111 - 2-1 Manual Band Servo Piston Pin
112 - 2-1 Manual Band Servo Piston Spring
113 - 2-1 Manual Band Servo Piston Cylinder O-Ring Seal
114 - 2-1 Manual Band Servo Piston Cylinder
115 - 2-1 Manual Band Servo Exhaust Screen Assembly
117a - Forward Band Anchor Pin
117b - Reverse Band Anchor Pin
120 - Thermo Element Plate Pin
121 - Thermo Element
122 - Thermo Element Plate
123 - Thermo Element Plate Center Pin
124 - Forward Band Servo Oil Pipe
125 - 2-1 Manual Band Servo Oil Pipe
129 - Lube Oil Pipe Retainer
130 - Lube Oil Pipe and Washer Assembly
131 - Accumulator Cover Bolt/Screw M6 X 1.0 X 28.0 (11)
132 - Accumulator Cover
134 - Accumulator Cover Spacer Plate Assembly
135a - 1-2 Accumulator Piston Pin
135b - 2-3 Accumulator Piston Pin
136a - 1-2 Accumulator Piston
136b - 2-3 Accumulator Piston
137a - 1-2 Accumulator Piston Oil Seal Ring
137b - 2-3 Accumulator Piston Oil Seal Ring
138 - 2-3 Accumulator Piston Outer Spring
139 - 1-2 Accumulator Piston Cushion Spring
140 - 1-2 and 2-3 Accumulator Housing
142 - 1-2 Accumulator Piston Outer Spring
143 - 2-3 Accumulator Piston Cushion Spring

Oil Pump Assembly

Oil Pump Assembly:




201 - Pump Cover
209 - Oil Pump Vane Ring
209 - Oil Pump Vane Ring
210 - Oil Pump Selective Rotor
211 - Oil Pump Selective Vane
212 - Oil Pump Slide Oil Seal Ring
213 - Oil Pump Slide O-Ring Seal
214 - Oil Pump Selective Slide
215 - Oil Pump Slide Pivot Pin
220 - Oil Pump Slide Seal
221 - Oil Pump Slide Seal Support
227 - Oil Pump Body
228 - Oil Pump Body Alignment Pin
229 - Oil Pump Base
230 - Oil Pump Prime Spring

Control Valve Body Assembly - (1 of 2)

Control Valve Body Assembly:




301 - Control Valve Body Machined
302 - Line Boost Valve and Bushing Retainer
303 - Line Boost Valve Bore Plug
304 - Line Boost Valve
305 - TCC PWM Solenoid Valve O-Ring Seal
306 - TCC PWM Solenoid Valve O-Ring Seal
307 - Pressure Control Solenoid Valve O-Ring Seal
309 - Reverse Boost Valve Bushing
310 - Reverse Boost Valve
311 - Pressure Regulator Valve Spring Outer
312 - Pressure Regulator Valve Inner Spring
313 - Pressure Regulator Valve
314d - 1-2, 3-4 Shift Solenoid Valve Retainer
314e - Pressure Control Solenoid Valve Retainer
314f - TCC PWM Solenoid Valve Retainer
314g - TCC Regulator Apply Valve Bore Plug Retainer
315 - 1-2, 3-4 Shift Solenoid Valve Assembly
316a - 1-2, 3-4 Shift Solenoid Valve O-Ring Seal
316b - Pressure Control Solenoid Valve O-Ring Seal
317 - 1-2 Shift Valve Spring
318 - 1-2 Shift Valve
320 - Torque Signal Regulator Valve Spring
321 - Torque Signal Regulator Valve
322 - Pressure Control Solenoid Valve Assembly
323 - Line Pressure Relief Valve Spring
324 - Line Pressure Relief Valve
325 - Line Pressure Relief Valve Spring Retainer
326 - TCC Regulator Apply Valve Spring
327 - TCC Regulator Apply Valve - Some Models have touch activated Power
327 - TCC Regulator Apply Valve - Some Models have touch activated Power
328 - TCC Regulator Apply Valve Bore Plug O-Ring Seal
329 - TCC Regulator Apply Valve Bore Plug
334 - TCC PWM Solenoid Valve Assembly
335 - TCC Control Valve
336 - TCC Control Valve Spring

Control Valve Body Assembly - (2 of 2)

Control Valve Body Assembly:




301 - Machined Control Valve Body
314a - 1-2 Accumulator Valve Retainer
314b - 4-3 Manual Downshift Valve Retainer
314c - 2-3 Shift Solenoid Valve Retainer
315b - 2-3 Shift Solenoid Valve Assembly
316 - O-Ring Seal
339 - 1-2 Accumulator Valve Bore Plug
340 - 3-4 Accumulator Valve Spring
341 - 3-4 Accumulator Valve
341 - 3-4 Accumulator Valve - Some Models
342 - 2-3 Accumulator Valve Bore Plug Retainer
343 - 2-3 Accumulator Valve Bore Plug
344 - 2-3 Accumulator Valve
345 - 2-3 Accumulator Valve Bushing
346 - 2-3 Accumulator Valve Spring
350 - 1-2 Accumulator Valve
351 - 1-2 Accumulator Valve Spring
353 - 3-2 Manual Downshift Valve Retainer
354 - 3-2 Manual Downshift Valve Bore Plug
355 - 3-2 Manual Downshift Valve Spring
356 - 3-2 Manual Downshift Valve
357 - 2-3 Shift Valve
359 - 4-3 Manual Downshift Valve Bore Plug
360 - 4-3 Manual Downshift Valve
361 - 4-3 Manual Downshift Valve Spring
362 - 3-4 Shift Valve
385 - 2-3 Accumulator Valve Bushing Assembly Retainer

Case Cover Assembly

Case Cover Assembly:




401 - Case Cover
402 - Manual Valve Link
403 - Manual Valve Link Spring
404 - Manual Valve
405 - Low Blow Off Ball Valve Bore Plug
406 - Low Blow Off Ball Valve Spring
407 - Cooler Ball Valve Spring
409 - Left Side Axle Oil Seal Assembly
410 - Control Valve Body Alignment Sleeve
411 - Bore Plug
411 - Bore Plug
412 - Orificed Cup Plug
414 - Actuator Feed Limit Valve
415 - Actuator Feed Limit Valve Spring
416 - Actuator Feed Limit Valve Spring Retainer
417 - Ball Valve Bore Plug
418 - TCC Blow Off Ball Valve Spring
420a - Low Blow Off Ball Valve
420b - TCC Blow Off Ball Valve
420c - Cooler Ball Valve
421 - 3-4 Accumulator Piston Cylinder
422 - 3-4 Accumulator Piston Cylinder O-Ring Seal
423 - 3-4 Accumulator Piston Outer Spring
424 - 3-4 Accumulator Piston Inner Spring
426 - 3-4 Accumulator Piston Pin
427 - 3-4 Accumulator Piston Oil Seal Ring
428 - 3-4 Accumulator Piston
429 - Case Cover Lower Gasket
430 - Case Cover Upper Gasket
431 - Front Wheel Drive Shaft Bearing Assembly
432 - Fourth Clutch Shaft Thrust Washer
440 - Input Speed Sensor Assembly
441 - Input Speed Sensor Clip
442 - Low Regulator Valve Spring 3-4 Accumulator Valve - Some models have touch activated power
443 - Low Regulator Valve 3-4 Accumulator Valve - Some models have touch activated power
444 - Low Regulator Valve Bore Plug 3-4 Accumulator Valve - Some models have touch activated power
514 - Drive Sprocket/Case Cover Thrust Washer
526 - Case Cover Dowel Pin
526 - Case Cover Dowel Pin

Internal Components (1 of 2)

Internal Components:




601 - 4th Clutch Spring Retaining Ring
602 - 4th Clutch Piston Return Spring Assembly
603 - 4th Clutch Piston Assembly
604 - 4th Clutch Piston Seal Outer
605 - 4th Clutch Piston Seal Inner
606 - Drawn Cup Bearing Assembly
607 - Orificed Cup Plug
608 - Drive Link Lube Scoop
609 - Driven Sprocket Support Assembly
610 - Cup Plug
611 - Thrust Washer Driven Sprocket Support 2nd Clutch Drum
613 - Oil Seal Ring
614 - Driven Sprocket Support Bushing
615 - Reverse Band Assembly
616 - 75.5 OD X 8.0 Bushing
617 - 2nd Clutch Housing
618 - Check Valve Retainer and Ball Assembly 2nd Clutch
619 - 70.0 OD X 11.0 Bushing
620 - 2nd Clutch Piston w/Molded Seal
621 - 2nd Clutch Apply Ring and Release Spring Assembly
622 - Retaining Ring
623 - 2nd Clutch Plate Waved
624 - 2nd Clutch Plate Assembly Fiber
625 - 2nd Clutch Reaction Plate Steel
626 - Backing Support Ring Plate Steel
627 - 2nd Clutch Retaining Ring Outer
628 - Oil Seal Ring Input Shaft
629 - Thrust Bearing Support Sprocket/Thrust Washer
630 - Selective Thrust Washer Bearing/Input Clutch Hub
631 - Input Shaft Bushing
632 - Input Housing Sleeve and Shaft Assembly
633 - Check Valve Retainer and Ball Assembly
634 - Input Clutch Piston Seal Inner
635 - Input Clutch Piston Seal Outer
636 - Input Clutch Piston
637 - Input Clutch Spring and Retainer Assembly
638 - O-Ring Seal
639 - 3rd Clutch Piston Housing
640 - Retaining Ring 3rd Clutch Piston Housing/Input Shaft
640 - Retaining Ring 3rd Clutch Piston Housing/Input Shaft
641 - 3rd Clutch Piston Seal Inner
642 - 3rd Clutch Piston and Seal Assembly
643 - 3rd Clutch Spring Retainer and Guide Assembly
644 - Thrust Bearing Assembly
645 - 3rd Clutch Plate Waved
646 - 3rd Clutch Plate Assembly OD Spline
647 - 3rd Clutch Plate Assembly ID Spline
648 - 3rd Clutch Backing Plate
649 - 3rd Clutch Backing Plate Retaining Ring
654 - Input Clutch Apply Plate
655 - Input Clutch Plate Waved
657 - Input Clutch Plate Steel
657 - Input Clutch Plate Steel
658 - Input Clutch Backing Plate Steel
659 - Input Clutch Backing Plate Retaining Ring
716 - 2nd Clutch Apply Reaction Plate Tapered
723 - 4th Clutch Shaft to Input Housing Bearing
724 - 3rd Clutch Piston Housing Ball Check Valve Assembly
725 - Input Clutch Plate Assembly Fiber - Pawl Clutch

Internal Components (2 of 2)

Internal Components:




668 - Input Sun Gear
669 - Reverse Reaction Drum
671 - Input Sun Gear Thrust Bearing Assembly
672 - Input Complete Carrier Assembly
673 - Input Carrier/Reaction Carrier Lube Dam
674 - Input/Reaction Carrier Thrust Bearing Assembly
675 - Reaction Complete Carrier Assembly
676 - Reaction Carrier/Sun Gear Thrust Bearing Assembly
677 - Left Hand Reaction Sun Gear Bushing
678 - Reaction Sun/Drum Gear Assembly
679 - Right Hand Reaction Sun Gear Bushing
680 - 2/1 Manual Band Assembly
683 - 1/2 Support Roller Clutch Assembly
685 - Thrust Bearing Assembly
686 - 1/2 Support Bushing
687 - 1/2 Support and Drum
688 - Forward Band Assembly
689 - Final Drive Sun Gear Shaft
690 - Final Drive Internal Gear Bushing
690 - Final Drive Internal Gear Bushing
691 - Bearing 1/2 Support/Internal Gear
692 - Retaining Ring Final Drive Internal Gear
693 - Final Drive Internal Gear
694 - Park Pawl Assembly
695 - Thrust Bearing Assembly Internal Gear/Parking Gear
696 - Parking Gear
697 - Final Drive Sun Gear
698 - Carrier/Sun Gear Thrust Bearing Assembly
699 - Spiral Pinion Gear Pin Retaining Ring
700 - Differential/Final Drive Carrier Assembly
701 - Differential Pinion Shaft
702 - Differential Pinion Shaft Retaining Pin
703 - Thrust Washer Differential Pinion
703 - Thrust Washer Differential Pinion
704 - Differential Pinon Gear
704 - Differential Pinon Gear
705 - Differential Side Gear MN7 has unique left/right gears
705 - Differential Side Gear MN7 has unique left/right gears
706 - Bronze Thrust Washer Differential Side Gear
706 - Bronze Thrust Washer Differential Side Gear
708 - Pinion Thrust Washer Steel
708 - Pinion Thrust Washer Steel
709 - Roller Needle Bearing
710 - Pinion Needle Bearing Spacer
711 - Final Drive Planetary Pinion Gear
712 - Planetary Pinion Gear Pin
713 - Vehicle Speed Sensor Reluctor Wheel
714 - Differential Carrier/Case Washer Thrust
715 - Thrust Bearing Assembly
727 - 3rd Clutch Pawl Assembly
728 - Input Clutch Pawl Assembly

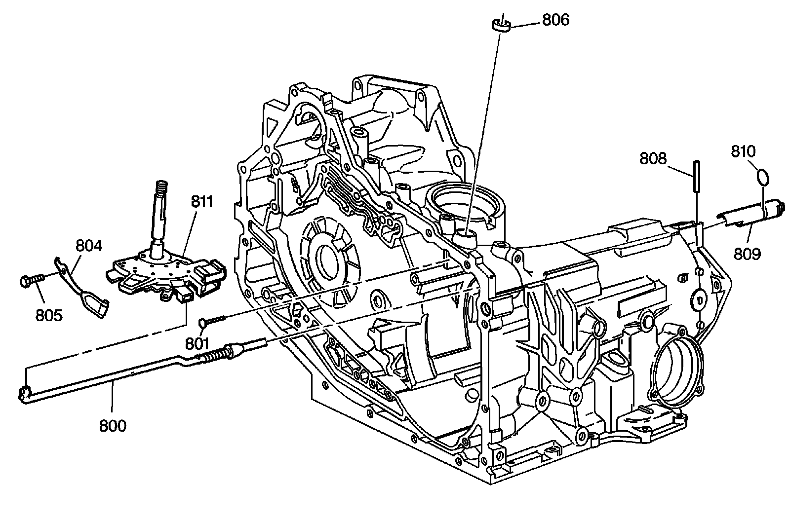
Manual Shaft and Parking System Assembly

Manual Shaft and Parking System Assembly:




800 - Park Pawl Actuator Assembly
801 - Manual Shift Shaft Pin
804 - Manual Shift Detent Assembly
805 - Manual Shift Detent Bolt/Screw
806 - Manual Shift Shaft Seal Assembly
808 - Park Pawl Actuator Guide Pin
809 - Park Pawl Actuator Guide
810 - Park Pawl Actuator Guide O-Ring Seal
811 - Lever Assembly-Manual Shaft Detent with Internal Mode Switch (IMS)