lemon-mirror:
Home >> Pontiac >> 2008 >> G8 V8-6.0L >> Repair and Diagnosis >> Diagrams >> Exploded Views >> Engine

Engine



Disassembled Views

Intake Manifold/Upper Engine




1 - Evaporative Emission (EVAP) Canister Purge Tube
2 - EVAP Canister Purge Solenoid Valve
3 - Service Valve
4 - Service Valve Cap
5 - EVAP Tube Clip
6 - EVAP Canister Purge Tube
7 - EVAP Purge Valve Bracket
8 - EVAP Purge Valve Bracket Retaining Bolt
9 - Fuel Rail Ground Strap
10 - Fuel Injection Fuel Rail Stop Bracket Retaining Bolt
11 - Fuel Injection Fuel Rail Stop Bracket
12 - Intake Manifold
13 - Intake Manifold Gasket
14 - Engine Coolant Air Bleed Cover Retaining Bolt
15 - Engine Coolant Air Bleed Cover
16 - Engine Coolant Air Bleed Cover Seal
17 - Oil Pressure Sensor
18 - Oil Pressure Sensor Washer
19 - Valve Lifter Oil Filter
20 - Valve Lifter Oil Filter Seal
21 - Engine Block
22 - Valve Lifter Oil Manifold Gasket
23 - Valve Lifter Oil Manifold
24 - Engine Coolant Air Bleed Pipe Seal
25 - Valley Cover Retaining Bolt
26 - Engine Coolant Air Bleed Pipe
27 - Engine Coolant Air Bleed Pipe Retaining Bolt
28 - Throttle Body Gasket
29 - Throttle Body Retaining Bolt
30 - Throttle Body
31 - Manifold Absolute Pressure (MAP) Sensor Seal
32 - Manifold Absolute Pressure (MAP) Sensor
33 - Fuel Rail with Injectors
34 - Fuel Rail Bolt

Cylinder Head/Upper Engine




1 - Positive Crankcase Ventilation (PCV) Hose - Fresh Air
2 - Oil Fill Cap
3 - Oil Fill Cap O-Ring
4 - Oil Fill Tube
5 - Oil Fill Tube O-Ring
6 - Valve Rocker Arm Cover
7 - Valve Rocker Arm Cover Gasket
8 - Ignition Coil Bracket
9 - Ignition Coil Bracket Stud
10 - Ignition Coil
11 - Ignition Coil Wire Harness Assembly
12 - Ignition Coil Retaining Bolt
13 - Spark Plug Wire
14 - Valve Rocker Arm Cover Cap Plug
15 - Valve Rocker Arm Cover Gasket
16 - Valve Stem Key
17 - Valve Spring Cap
18 - Valve Spring
19 - Valve Stem Oil Seal
20 - Cylinder Head Core Hole Plug
21 - Spark Plug
22 - Intake Valve
23 - Exhaust Manifold Gasket
24 - Exhaust Manifold
25 - Exhaust Manifold Retaining Bolt
26 - Exhaust Manifold Heat Shield
27 - Exhaust Manifold Stud
28 - Exhaust Manifold Retaining Bolt
29 - Cylinder Head Plug
30 - Engine Coolant Temperature Sensor
31 - Exhaust Valve
32 - Cylinder Head Locating Pin
33 - Core Hole Plug
34 - Cylinder Head Gasket
35 - Cylinder Head
36 - Cylinder Head Bolt - M8
37 - Cylinder Head Bolt - M11
38 - Valve Rocker Arm Cover
39 - Valve Rocker Arm Cover Bolt Grommet
40 - Valve Rocker Arm Cover Bolt
41 - Valve Rocker Arm Retaining Bolt
42 - Valve Rocker Arm Pivot Support
43 - Valve Lifter Guide Retaining Bolt
44 - Valve Lifter
45 - Engine Block
46 - Valve Lifter Guide
47 - Pushrod
48 - Valve Rocker Arm

Front of Engine




1 - Thermostat Housing
2 - Thermostat
3 - Water Pump
4 - Water Pump Gasket
5 - Water Pump Retaining Bolt
6 - Thermostat Housing Retaining Bolt
7 - Oil Level Indicator O-Ring
8 - Oil Level Indicator
9 - Oil Level Indicator Tube Retaining Bolt
10 - Oil Level Indicator Tube
11 - Oil Level Indicator Tube O-Ring
12 - Engine Block
13 - Camshaft Bearings
14 - Camshaft
15 - Camshaft Sprocket Locating Pin
16 - Crankshaft Sprocket
17 - Timing Chain
18 - Camshaft Position (CMP) Sensor O-Ring Seal
19 - CMP Sensor
20 - Crankshaft Balancer Retaining Bolt
21 - Crankshaft Balancer
22 - Crankshaft Front Oil Seal
23 - CMP Sensor Retaining Bolt
24 - Engine Front Cover Retaining Bolt
25 - Engine Front Cover
26 - Engine Front Cover Gasket
27 - Timing Chain Tensioner Bolt
28 - Timing Chain Tensioner
29 - Camshaft Retaining Bolt
30 - Camshaft Sprocket
31 - Camshaft Retainer Retaining Bolt
32 - Camshaft Retainer
33 - Oil Pump Retaining Bolt
34 - Oil Pump
35 - Oil Pump O-Ring Seal
36 - Oil Pump Suction Pipe
37 - Oil Pump Suction Pipe Retaining Nut
38 - Oil Pump Suction Pipe Retaining Bolt
39 - Oil Pressure Relief Valve
40 - Oil Pressure Relief Valve Spring
41 - Oil Pressure Relief Valve Bore Plug
42 - Oil Pump Driven Gear
43 - Oil Pump Drive Gear
44 - Oil Pump Cover
45 - Oil Pump Cover Bolt

Rear of Engine




1 - Engine Block
2 - Crankshaft Rear Oil Seal Housing Gasket
3 - Crankshaft Rear Oil Seal Housing
4 - Crankshaft Rear Oil Seal Housing Retaining Bolt
5 - Crankshaft Rear Oil Seal
6 - Flex Plate - Automatic Transmission
7 - Flex Plate - Automatic Transmission Retaining Bolt
8 - Clutch Pressure Plate Retaining Bolt - Manual Transmission
9 - Clutch Pressure Plate - Manual Transmission
10 - Clutch Plate - Manual Transmission
11 - Clutch Pressure Plate Locating Pin - Manual Transmission
12 - Flywheel - Manual Transmission
13 - Clutch Pilot Bearing - Manual Transmission
14 - Flywheel Retaining Bolt - Manual Transmission

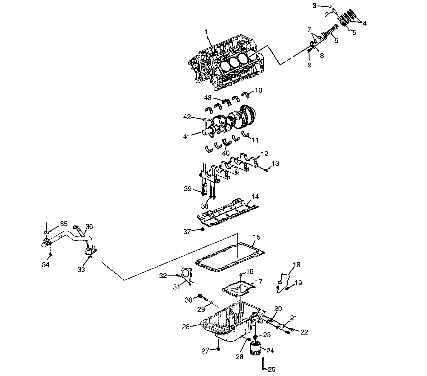
Lower Engine Assembly




100 - Engine Block
2 - Piston Pin
3 - Piston Pin Retainer
4 - Piston Ring Set
5 - Piston
6 - Connecting Rod
7 - Connecting Rod Bearing
8 - Connecting Rod Cap
9 - Connecting Rod Bolt
10 - Crankshaft Bearing
11 - Crankshaft Bearing
12 - Crankshaft Bearing Cap
13 - Crankshaft Bearing Cap Bolt - M8
14 - Crankshaft Oil Deflector
15 - Oil Pan Gasket
16 - Oil Pan Baffle Retaining Bolt
17 - Oil Pan Baffle
18 - Left Side Close Out Cover
19 - Left Side Close Out Cover Retaining Bolt
20 - Oil Pan Cover Gasket
21 - Oil Pan Cover
22 - Oil Pan Cover Retaining Bolt
23 - Oil Filter Fitting
24 - Oil Filter
25 - Oil Pan Retaining Bolt
26 - Oil Pan Drain Plug
27 - Oil Pan Retaining Bolt
28 - Oil Pan
29 - Engine Oil Level Indicator Switch O-Ring
30 - Engine Oil Level Indicator Switch
31 - Right Side Close Out Cover
32 - Right Side Close Out Cover Retaining Bolt
33 - Oil Pump Suction Pipe Retaining Nut
34 - Oil Pump Suction Pipe Retaining Bolt
35 - Oil Pump O-Ring Seal
36 - Oil Pump Suction Pipe
37 - Crankshaft Oil Deflector Retaining Nut
38 - Crankshaft Bearing Cap Bolt - M10
39 - Crankshaft Bearing Cap Stud - M10
40 - Crankshaft Thrust Bearing
41 - Crankshaft
42 - Crankshaft Balancer Key
43 - Crankshaft Thrust Bearing

Engine Block Plugs/Sensors




1 - Oil Gallery Plug - Front
2 - Engine Block
3 - Oil Gallery Plug Washer - Side
4 - Oil Gallery Plug - Side
5 - Knock Sensor Retaining Bolt - Left
6 - Knock Sensor - Left
7 - Engine Coolant Heater
8 - Engine Coolant Heater Washer
9 - Oil Gallery Plug - Side
10 - Oil Gallery Plug Washer - Side
11 - Transmission Housing Locating Pin
12 - Engine Block
13 - Knock Sensor - Right
14 - Knock Sensor Retaining Bolt - Right
15 - Engine Block Coolant Drain Hole Plug
16 - Engine Block Coolant Drain Hole Plug Washer
17 - Crankshaft Position (CKP) Sensor Bolt
18 - CKP Sensor
19 - CKP Sensor O-Ring
20 - Oil Gallery Plug - Rear
21 - Oil Gallery Plug O-Ring - Rear

Oil Pump Assembly

Oil Pump Assembly:




1 - Oil Pump Housing Cover
2 - Oil Pump Driven Gear
3 - Oil Pump
4 - Oil Pump Pressure Relief Valve
5 - Oil Pump Pressure Relief Valve Spring
6 - Oil Pump Housing Plug
7 - Oil Pump Drive Gear
8 - Oil Pump Housing Cover Retaining Bolt