lemon-mirror:
Home >> Pontiac >> 2008 >> G8 V6-3.6L >> Repair and Diagnosis >> Powertrain Management >> Computers and Control Systems >> Body Control Module >> Diagrams >> Electrical Diagrams

Electrical Diagrams



Power Moding Schematics

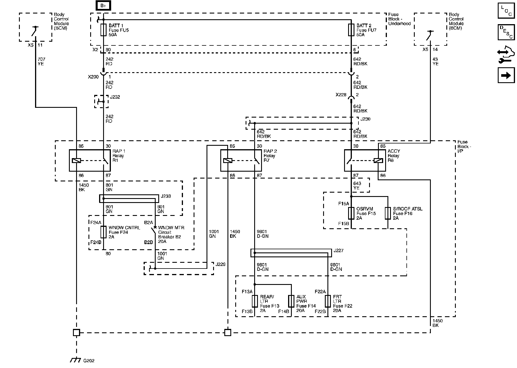
ACCY, RAP 1, and RAP 2 Control





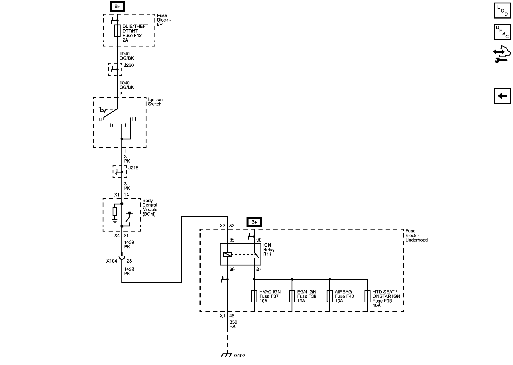
IGN 1 Control