lemon-mirror:
Home >> Pontiac >> 2008 >> G6 L4-2.4L >> Repair and Diagnosis >> Diagrams >> Components >> Front of Vehicle/Engine Compartment Component Views

Front of Vehicle/Engine Compartment Component Views



Front of Vehicle/Engine Compartment Component Views

Front of Vehicle Components




1 - Marker Lamp - Right Front
2 - Park/Turn Signal Lamp - Right Front
3 - Headlamp - Low Beam - Right
4 - Headlamp - High Beam - Right
5 - Cellular/Navigation and Digital Radio Antenna (UE1/U2K)
6 - Headlamp - High Beam - Left
7 - Headlamp - Low Beam - Left
8 - Park/Turn Signal Lamp - Left Front
9 - Marker Lamp - Left Front
10 - Fog Lamp - Left Front
11 - Fog Lamp - Right Front

Core Support Components 1 of 2




1 - Hood Ajar Switch (AP3/AP8)

Core Support Components 2 of 2




1 - Inflatable Restraint Front End Sensor - Right
2 - Inflatable Restraint Front End Sensor - Left

Front Fascia Components




1 - G101
2 - Horn Assembly
3 - Hood Ajar Switch (AP3)
4 - Ambient Air Temperature Sensor
5 - G102
6 - X110 Forward Lamp Harness to Headlamp - Right
7 - Fog Lamp - Right Front
8 - Fog Lamp - Left Front
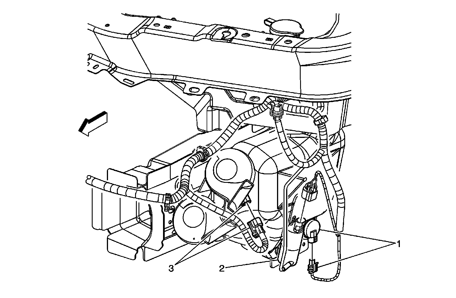
9 - Windshield Washer Fluid Pump
10 - Windshield Washer Fluid Level Switch
11 - Fuse Block - Underhood X3
12 - X109 Forward Lamp Harness to Headlamp - Left

Cooling System Components

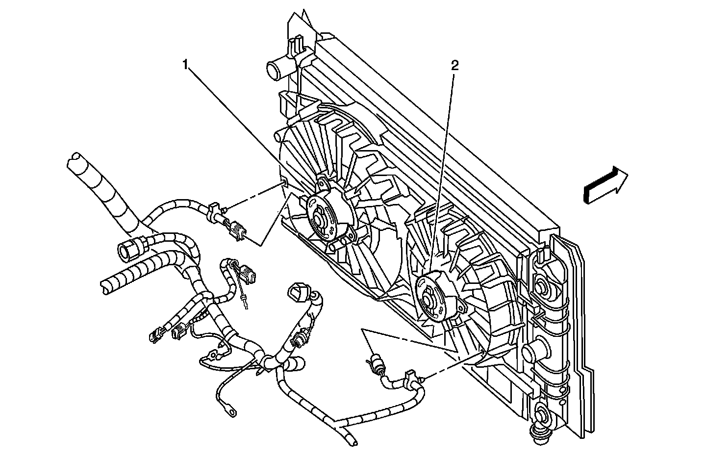
Front of Engine Compartment:




1 - Cooling Fan - Left
2 - Cooling Fan - Right

Left Front of Engine Compartment Components




1 - Windshield Washer Fluid Level Switch
2 - Windshield Washer Fluid Pump
3 - Horn Assembly

Left Rear of Engine Compartment Components




1 - Battery
2 - Electronic Brake Control Module (EBCM)
3 - X101
4 - G103
5 - Fuse Block - Underhood
6 - Engine Control Module (ECM)
7 - Engine Control Module (ECM) X3
8 - Engine Control Module (ECM) X2
9 - Engine Control Module (ECM) X1

Upper Left Rear of Engine Compartment Component

Brake Fluid Level Switch:




1 - Brake Fluid Level Switch

Left Rear of Engine Compartment Components (LZ9)




1 - Brake Fluid Pressure Sensor (FX3)
2 - X104 (FX3)

Rear Center of Engine Compartment Components




1 - Windshield Wiper Motor Assembly

Right Rear of Engine Compartment Components




1 - X102
2 - A/C Refrigerant Pressure Sensor