lemon-mirror:
Home >> Pontiac >> 2007 >> Vibe L4-1.8L >> Repair and Diagnosis >> Diagrams >> Exploded Views >> Engine

Engine



Disassembled Views

Intake and Exhaust Manifold Components

Intake and Exhaust Manifold Components:




1 - Engine Cover
2 - Ignition Coil Harness
3 - Ignition Coils
4 - Fuel Line / Fuel Rail
5 - Camshaft Sensor
6 - Fuel Injector
7 - Fuel Injector Harness
8 - Throttle Body
9 - Intake Manifold
10 - Intake Manifold Gasket
11 - Engine Mount
12 - Oil Filler Cap
13 - Spark Plug
14 - Exhaust Manifold Gasket
15 - Exhaust Manifold Bracket
16 - Exhaust Manifold Inner Heat Shield
17 - Exhaust Manifold
18 - Exhaust Manifold Outer Heat Shield

Cylinder Head and Components

Cylinder Head and Components:




1 - Bolt / Stud, Cylinder Head Cover
2 - Bolt, Cylinder Head Cover
3 - Nut, Cylinder Head Cover
4 - Cylinder Head Cover
5 - Gasket, Cylinder Head Cover
6 - Bolt, Camshaft Bearing Cap
7 - Camshaft Bearing Cap
8 - Exhaust Camshaft
9 - Intake Camshaft
10 - Valve Lifter
11 - Valve Keepers
12 - Valve Spring Retainer
13 - Valve Spring
14 - Valve Oil Seal
15 - Valve Spring Seat
16 - Valve Guide Bushing
17 - Valve
18 - Cylinder Head
19 - O-Ring, Camshaft Position Actuator Solenoid Valve
20 - Camshaft Position Actuator Solenoid Valve
21 - Bolt, Camshaft Position Actuator Solenoid Valve
22 - Filter, Oil Feed
23 - Seal, Oil Feed
24 - Bolt, Oil Feed
25 - Bolt, Coolant Pipe
26 - Cylinder Block
27 - Timing Chain Dampener
28 - Bolt, Timing Chain Dampener
29 - Crank Sensor Reluctor
30 - Bolt, Timing Chain Tensioner Shoe
31 - Timing Chain Tensioner Shoe
32 - Bolt, Timing Chain Tensioner Shoe
33 - Bolt, Crankshaft Position Sensor
34 - Crankshaft Position Sensor
35 - Crankshaft Position Sensor Harness
36 - O-Ring, Coolant Pump
37 - Coolant Pump
38 - Bolt, Coolant Pump
39 - Bolt, Crankshaft Pulley
40 - Crankshaft Pulley
41 - Crankshaft Front Oil Seal
42 - Timing Chain Cover
43 - Bolt, Timing Chain Cover
44 - Nut, Timing Chain Cover
45 - Timing Chain Tensioner
46 - Bolt, Timing Chain Tensioner
47 - Drive Belt Tensioner
48 - Bolt, Drive Belt Tensioner
49 - Nut, Drive Belt Tensioner
50 - Bolt, RH Engine Mounting Bracket
51 - RH Engine Mounting Bracket
52 - Cylinder Head Gasket
53 - Cylinder Head Bolt Washer
54 - Cylinder Head Bolt
55 - Bolt, Camshaft Sprocket
56 - Intake Camshaft Sprocket (VVT)
57 - Bolt, Camshaft Sprocket
58 - Exhaust Camshaft Sprocket
59 - Front Camshaft Bearing Cap
60 - Bolt, Camshaft Bearing Cap
61 - Nut, Cylinder Head Cover
62 - Bolt, Cylinder Head Cover
63 - Bolt, Cylinder Head Cover
64 - Seal Washer, Cylinder Head Cover

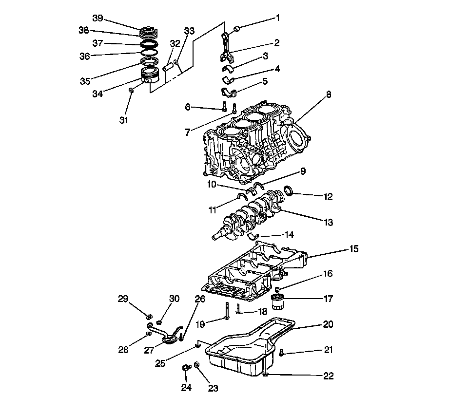
Cylinder Block, Crankshaft, Connecting Rod and Piston Components

Cylinder Block, Crankshaft, Connecting Rod and Piston Components:




1 - Connecting Rod Bushing
2 - Connecting Rod
3 - Connecting Rod Bearing
4 - Connecting Rod Bearing
5 - Connecting Rod Cap
6 - Bolt, Connecting Rod
7 - Bolt, Connecting Rod
8 - Cylinder Block
9 - Crankshaft Thrust Washer
10 - Upper Main Bearing
11 - Crankshaft Thrust Washer
12 - Crankshaft Rear Oil Seal
13 - Crankshaft
14 - Lower Main Bearing
15 - Lower Crankcase
16 - Oil Filter Union
17 - Oil Filter
18 - Bolt, Lower Crankcase
19 - Bolt, Lower Crankcase
20 - Oil Pan
21 - Bolt, Oil Pan
22 - Nut, Oil Pan
23 - Gasket, Drain Plug
24 - Drain Plug
25 - Nut, Oil Pan
26 - Bolt, Oil Strainer
27 - Oil Strainer
28 - Nut, Oil Strainer, Bracket
29 - Gasket, Oil Strainer
30 - Nut, Oil Strainer
31 - Piston Snap Ring
32 - Piston Pin
33 - Piston Snap Ring
34 - Piston
35 - Piston O-Ring (Side Rail)
36 - Piston Oil Ring (Expander)
37 - Piston O-Ring (Side Rail)
38 - Piston No.2 Compression Ring
39 - Piston No. 2 Compression Ring

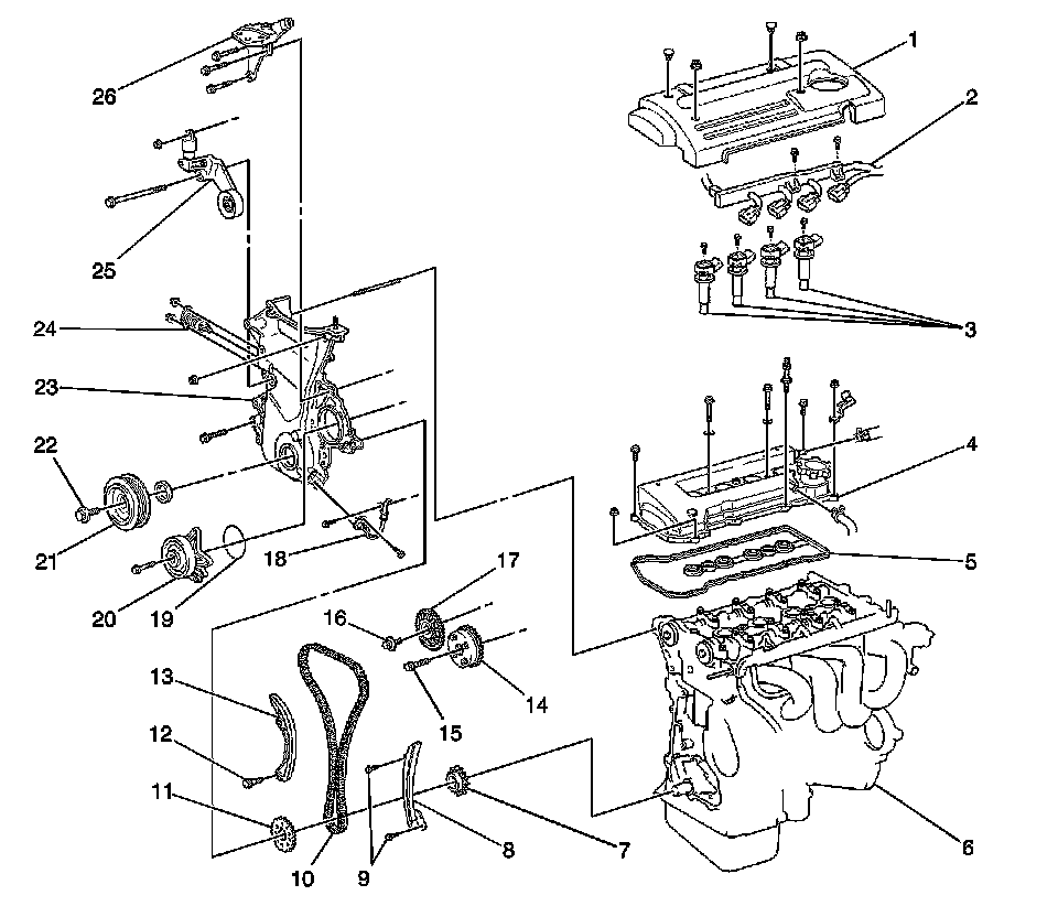
Timing Chain and Housing Components

Timing Chain and Housing Components:




1 - Engine Cover
2 - Ignition Coil Harness
3 - Ignition Coils
4 - Cylinder Head Cover
5 - Gasket, Cylinder Head Cover
6 - Cylinder Block
7 - Crankshaft Sprocket
8 - Timing Chain Tensioner Shoe
9 - Bolt, Timing Chain Tensioner Shoe
10 - Timing Chain
11 - Crankshaft Sensor Reluctor
12 - Bolt, Timing Chain Dampener
13 - Timing Chain Dampener
14 - Intake Camshaft Sprocket (VVT)
15 - Bolt, Camshaft Sprocket
16 - Bolt, Camshaft Sprocket
17 - Exhaust Camshaft Sprocket
18 - Crankshaft Position Sensor
19 - O-Ring, Coolant Pump
20 - Coolant Pump
21 - Crankshaft Pulley
22 - Bolt, Crankshaft Pulley
23 - Timing Chain Cover
24 - Timing Chain Tensioner
25 - Drive Belt Tensioner
26 - RH Engine Mounting Bracket

Oil and Cooling System Components

Oil and Cooling System Components:




1 - Bolt, Water Bypass Pipe Bracket
2 - Water Bypass Hose
3 - Water Bypass Hose
4 - Water Bypass Hose
5 - Oil Level Indicator
6 - Bolt, Oil Level Indicator Tube
7 - Bolt, Water Bypass Pipe
8 - Water Bypass Pipe
9 - Gasket, Water Bypass Pipe
10 - Cylinder Block
11 - Oil Level Indicator Tube
12 - O-Ring, Oil Level Indicator Tube
13 - Knock Sensor
14 - Thermostat
15 - Gasket, Thermostat
16 - Thermostat Housing Inlet
17 - Nut, Thermostat Housing Inlet
18 - Nut, Thermostat Housing Inlet
19 - Bolt, Oil Pump
20 - Oil Pump
21 - Gasket, Oil Pump
22 - Drain Union (Engine Coolant)
23 - Nut, Water Bypass Pipe
24 - Nut, Water Bypass Pipe
25 - Cylinder Head