lemon-mirror:
Home >> Pontiac >> 2007 >> Torrent FWD V6-3.4L >> Repair and Diagnosis >> Powertrain Management >> Computers and Control Systems >> Transmission Position Sensor/Switch >> Adjustments

Transmission Position Sensor/Switch: Adjustments



Transaxle Range Switch Adjustment

Tools Required

* J 36346 Fascia Retainer Remover
* J 45404 Transmission Indicator Alignment Tool

1. Remove the battery tray.
2. Shift the transaxle into neutral (N) position.




3. Using the J 36346, remove the shift control cable from the transaxle range switch lever.




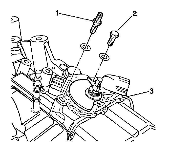
4. Loosen the transaxle range switch bolt (2) and stud (1).




5. Install the J 45404 to the manual shaft and rotate the transaxle range switch until the neutral base line on the switch lines up with the indicator line on the J 45404.

Notice: Refer to Fastener Notice.

6. Tighten the transaxle range switch bolt and stud.

Tighten the bolt and stud to 25 N.m (18 lb ft).

7. Remove the J 45404 from the manual shaft.
8. Install the shift control cable to the transaxle range switch lever.
9. Install the battery tray.
10. After adjusting the transaxle range switch, verify the engine only starts in park (P) or neutral (N). If the engine starts in any other position, readjust the switch.