lemon-mirror:
Home >> Pontiac >> 2007 >> Torrent FWD V6-3.4L >> Repair and Diagnosis >> Diagrams >> Exploded Views >> Engine

Engine



Disassembled Views

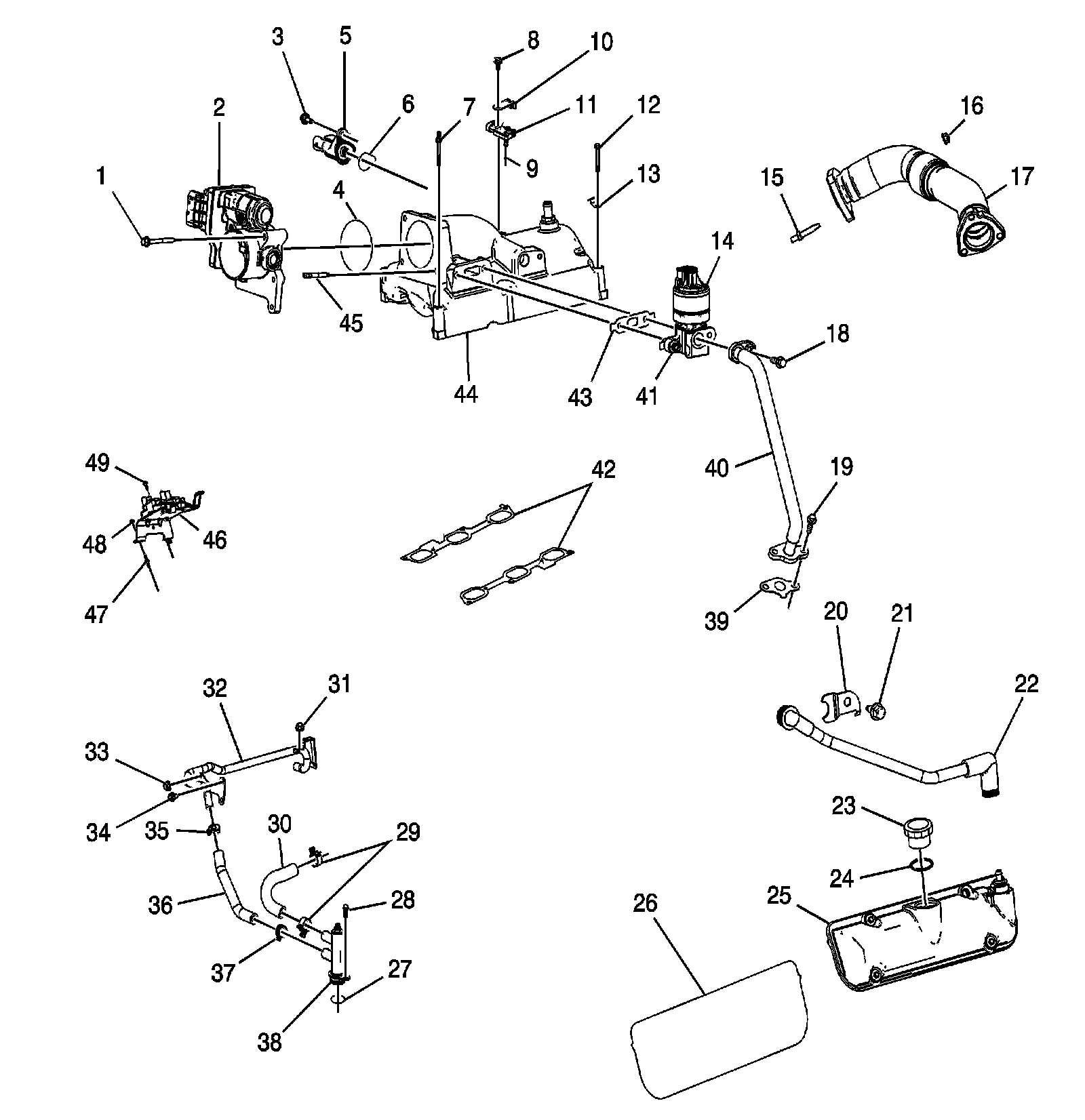
Upper Intake Manifold and Components

Upper Intake Manifold and Components:




1 - Throttle Body Bolt
2 - Throttle Body
3 - EVAP Purge Valve Bolt
4 - Throttle Body Seal
5 - EVAP Purge Valve
6 - EVAP Purge Valve Seal
7 - Upper Intake Manifold Stud
8 - MAP Sensor Bolt
9 - MAP Sensor Seal
10 - MAP Sensor Clip
11 - MAP Sensor
12 - Upper Intake Manifold Bolt
13 - Spark Plug Wire Support
14 - Exhaust Gas Recirculation Valve
15 - Exhaust Crossover Pipe Stud
16 - Exhaust Crossover Pipe Nut
17 - Exhaust Crossover Pipe
18 - Exhaust Gas Recirculation Valve Pipe Bolt
19 - Exhaust Gas Recirculation Valve Pipe Bolt
20 - Positive Crankcase Ventilation Tube Clip
21 - Positive Crankcase Ventilation Tube Clip Bolt
22 - Positive Crankcase Ventilation Tube
23 - Oil Filler Cap
24 - Oil Filler Cap Seal
25 - Valve Rocker Arm Cover
26 - Valve Rocker Arm Cover Gasket
27 - Heater Outlet Pipe Seal
28 - Heater Outlet Pipe Bolt
29 - Heater Outlet Pipe Clamp
30 - Heater Outlet Hose
31 - Heater Outlet Pipe Nut
32 - Heater Outlet Pipe
33 - Heater Outlet Pipe Nut
34 - Heater Outlet Pipe Bolt
35 - Heater Outlet Pipe Clamp
36 - Heater Outlet Hose
37 - Heater Outlet Pipe Clamp
38 - Thermostat Bypass Pipe Adapter
39 - Exhaust Gas Recirculation Valve Gasket
40 - Exhaust Gas Recirculation Valve Pipe
41 - Exhaust Gas Recirculation Valve Bolt
42 - Upper Intake Manifold Gasket
43 - Exhaust Gas Recirculation Valve Gasket
44 - Upper Intake Manifold
45 - Throttle Body Stud
46 - Ignition Coil
47 - Ignition Coil Stud
48 - Ignition Coil Bracket Nut
49 - Ignition Coil Bolt

Lower Intake Manifold, Cylinder Head and Components

Lower Intake Manifold, Cylinder Head and Components:




1 - Positive Crankcase Ventilation Tube Nut
2 - Spark Plug Wire Harness
3 - Spark Plug Wire Harness
4 - Spark Plug Wire Support
5 - Lower Intake Manifold Bolt
6 - Lower Intake Manifold Bolt
7 - Fuel Injector Seal
8 - Sequential Multiport Fuel Injection Fuel Rail Bolt
9 - Fuel Service Port Cap
10 - Fuel Schrader Valve
11 - Sequential Multiport Fuel Injection Fuel Rail
12 - Fuel Injector Seal
13 - Fuel Injector Retaining Ring
14 - Sequential Multiport Fuel Injector
15 - Lower Intake Manifold
16 - Engine Coolant Thermostat Seal
17 - Water Outlet Housing
18 - Water Outlet Housing Bolt
19 - Water Outlet Housing Fitting
20 - Valve Rocker Arm Bolt
21 - Valve Rocker Arm
22 - Valve Push Rod
23 - Valve Push Rod
24 - Lower Intake Manifold Gasket
25 - Engine Coolant Thermostat
26 - Valve Stem Key
27 - Valve Stem Key
28 - Valve Spring Cap
29 - Cylinder Head Bolt
30 - Cylinder Head Bolt
31 - Valve Spring
32 - Valve Stem Oil Seal
33 - Valve Guide
34 - Engine Lift Rear Bracket
35 - Engine Lift Rear Bracket Bolt
36 - Spark Plug
37 - Exhaust Valve Seat
38 - Exhaust Valve
39 - Exhaust Manifold Gasket
40 - Exhaust Manifold
41 - Exhaust Manifold Heat Shield
42 - Exhaust Manifold Heat Shield Bolt
43 - Exhaust Manifold Nut
44 - Exhaust Manifold Stud
45 - Cylinder Head Location Pin
46 - Cylinder Head Gasket
47 - Intake Valve
48 - Intake Valve Seat
49 - Cylinder Head Core Hole Plug
50 - Cylinder Head
51 - Valve Guide
52 - Valve Stem Oil Seal
53 - Valve Spring
54 - Valve Spring Cap
55 - Valve Rocker Arm Cover
56 - Valve Rocker Arm Cover Bolt
57 - Valve Rocker Arm Cover Bolt Grommet
58 - Lower Intake Manifold Seal
59 - Heater Inlet Pipe
60 - Heater Inlet Pipe Nut
61 - Heater Inlet Pipe Seal
62 - Engine Coolant Temperature Sensor
63 - Cylinder Head
64 - Cylinder Head Gasket
65 - Engine Lift Front Bracket
66 - Generator Bracket Bolt
67 - Generator Bracket Bolt
68 - Drive Belt Tensioner Bolt
69 - Drive Belt Tensioner
70 - Generator Bracket
71 - Generator Bracket Bolt
72 - Cylinder Head Core Hole Plug
73 - Heater Inlet Pipe Stud
74 - Valve Rocker Arm Cover Gasket
75 - Exhaust Manifold Gasket
76 - Exhaust Manifold Heat Shield
77 - Exhaust Manifold
78 - Exhaust Manifold Heat Shield Bolt
79 - Exhaust Manifold Heat Shield
80 - Oxygen Sensor
81 - Positive Crankcase Ventilation Tube

Engine Block and Components

Engine Block And Components:




1 - Timing Chain
2 - Camshaft Sprocket Bolt
3 - Camshaft Sprocket
4 - Camshaft Thrust Plate
5 - Camshaft
6 - Camshaft Bearing
7 - Camshaft Bearing
8 - Camshaft Bearing
9 - Engine Block Oil Gallery Plug
10 - Engine Block Coolant Hole Plug
11 - Engine Block Heater
12 - Engine Block Oil Gallery Plug
13 - Engine Block Oil Gallery Plug
14 - Camshaft Sensor Seal
15 - Camshaft Position Sensor
16 - Camshaft Position Sensor Bolt
17 - Engine Block
18 - Oil Pump Drive Seal
19 - Oil Pump Drive
20 - Oil Pump Drive Clamp
21 - Valve Lifter
22 - Valve Lifter Guide
23 - Valve Lifter Guide Bolt
24 - Oil Pump Drive Clamp Bolt
25 - Piston Pin
26 - Piston Oil Ring Rail
27 - Piston Compression Lower Ring
28 - Piston Compression Upper Ring
29 - Piston
30 - Connecting Rod
31 - Connecting Rod Bearing
32 - Connecting Rod Bearing Cap
33 - Connecting Rod Bolt
34 - Camshaft Rear Bearing Hole Plug
35 - Engine Block Oil Gallery Plug
36 - Engine Block Oil Gallery Plug
37 - Transmission Locating Pin
38 - Engine Oil Pressure Indicator Switch
39 - Knock Sensor
40 - Knock Sensor Bolt
41 - Engine Block Coolant Drain Hole Plug
42 - Engine Oil Filter Adapter Bolt
43 - Engine Oil Filter Adapter
44 - Engine Oil Filter
45 - Engine Oil Filter Fitting
46 - Engine Oil Filter Adapter Gasket
47 - Engine Oil Filter Bypass Valve
48 - Engine Oil Filter Bypass Hole Plug
49 - Crankshaft Position Sensor Seal
50 - Crankshaft Position Sensor
51 - Crankshaft Position Sensor Stud
52 - Engine Front Cover Location Pin
53 - Engine Front Cover Gasket
54 - Engine Front Cover
55 - Engine Front Cover Bolt
56 - Crankshaft Front Oil Seal
57 - Crankshaft Balancer
58 - Crankshaft Balancer Bolt
59 - Engine Front Cover Bolt
60 - Engine Front Cover Bolt
61 - Engine Mount Insulator
62 - Engine Mount Insulator Bolt
63 - Engine Mount Insulator Bolt
64 - Engine Mount Insulator Bolt
65 - Water Pump Pulley Bolt
66 - Water Pump Pulley
67 - Water Pump Bolt
68 - Water Pump
69 - Water Pump Gasket
70 - Timing Chain Dampener Bolt
71 - Timing Chain Dampener
72 - Crankshaft Sprocket
73 - Camshaft Thrust Bearing Bolt

Crankshaft and Components

Crankshaft And Components:




1 - Crankshaft Balancer Key
2 - Crankshaft Upper No. 1 and 4 Bearing
3 - Crankshaft Upper No. 2 Bearing
4 - Crankshaft Upper No. 3 Bearing
5 - Flywheel Bolt
6 - Flywheel
7 - Crankshaft Rear Oil Seal
8 - Crankshaft Lower No. 3 Bearing
9 - Crankshaft No. 4 Bearing Cap
10 - Crankshaft No. 2 and 3 Bearing Cap
11 - Oil Pump Location Pin
12 - Crankshaft Bearing Cap Bolt
13 - Oil Pump Drive Shaft
14 - Oil Pump
15 - Oil Pan
16 - Oil Pump Bolt
17 - Oil Level Indicator Tube Bolt
18 - Oil Level Indicator Tube
19 - Oil Level Indicator Tube Seal
20 - Oil Pan Support Bracket Bolt
21 - Oil Pan Support Bracket
22 - Oil Level Indicator
23 - Oil Pan Bolt
24 - A/C Compressor Mounting Bracket Bolt
25 - A/C Compressor Mounting Bracket
26 - Oil Pan Bolt
27 - Oil Pan Drain Plug Seal
28 - Oil Pan Drain Plug
29 - Oil Pan Support Bracket
30 - Oil Pan Support Bracket Bolt
31 - Oil Pan Gasket
32 - Crankshaft Oil Deflector Nut
33 - Crankshaft Oil Deflector
34 - Crankshaft Bearing Cap Stud
35 - Crankshaft No. 1 Bearing Cap
36 - Crankshaft Lower No. 1 and 4 Bearing
37 - Crankshaft Lower No. 2 Bearing
38 - Crankshaft