lemon-mirror:
Home >> Pontiac >> 2007 >> Torrent FWD V6-3.4L >> Repair and Diagnosis >> Cruise Control >> Locations

Cruise Control: Locations



Cruise Control Component Views

Steering Wheel Components




1 - Horn Switch
2 - Steering Wheel Controls - Right
3 - Steering Wheel Controls - Left

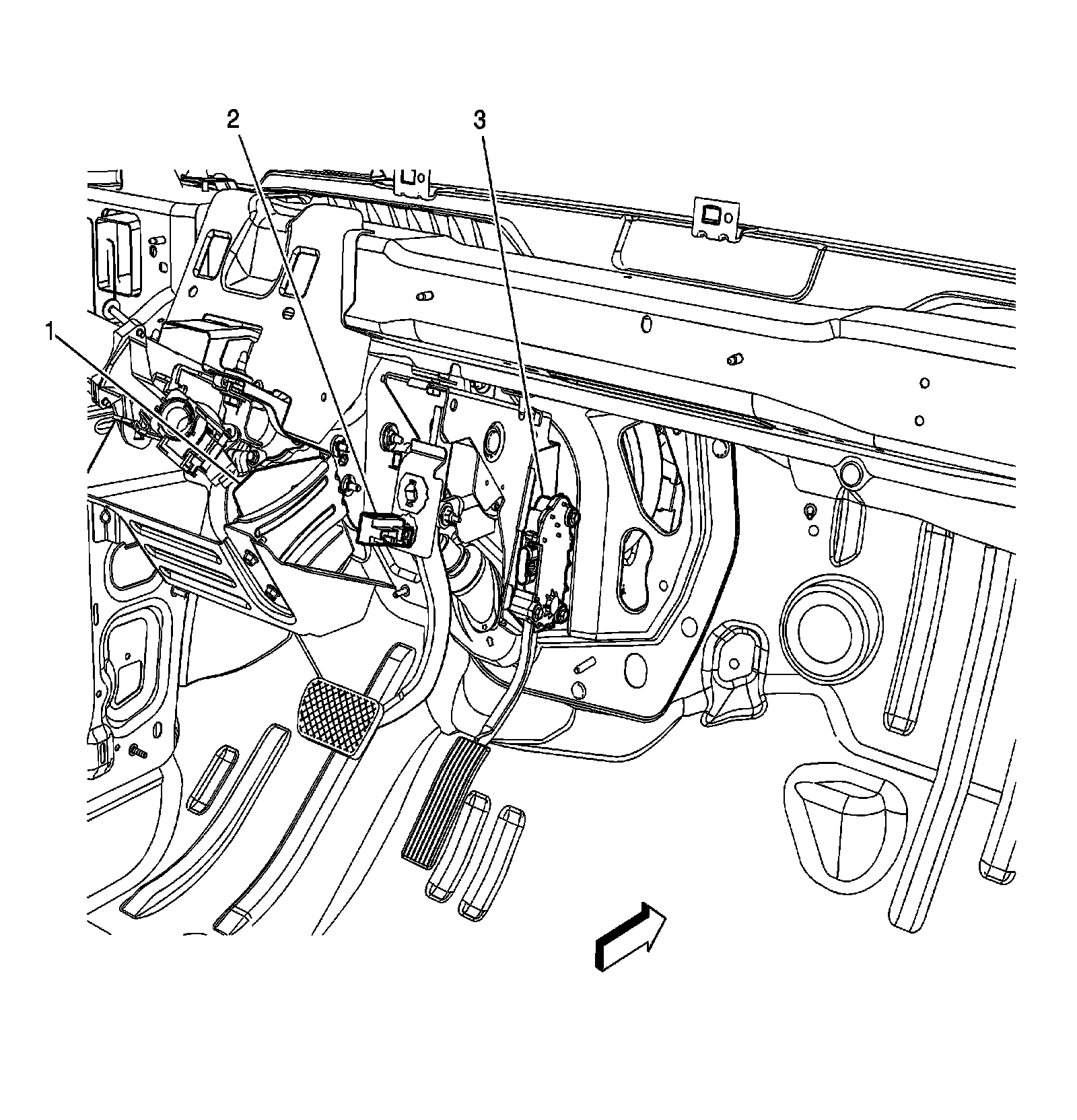
Pedal Assemblies




1 - Electric Power Steering (EPS) Module
2 - Brake Pedal Position Sensor
3 - Accelerator Pedal Position (APP) Sensor