lemon-mirror:
Home >> Pontiac >> 2007 >> Solstice L4-2.4L >> Repair and Diagnosis >> Powertrain Management >> Computers and Control Systems >> Transmission Position Sensor/Switch >> Service and Repair

Transmission Position Sensor/Switch: Service and Repair



Manual Shift Shaft Position Switch Replacement

Tools Required

J 44767 Seal Installer

Removal Procedure

1. Remove the transmission.




2. Remove the transmission manual shift shaft nut (1).
3. Place the transmission in neutral by rotating the transmission shift shaft clockwise 2 clicks.





Important: Replace the shaft seal only if leaking.

4. Using a small screwdriver, remove and discard the shaft seal.





Important: Replace the cup plug only if leaking.

5. Using a small screwdriver, remove and discard the cup plug.




6. Remove the transmission fluid pan and filter.
7. Disconnect the electrical connector from the manual shift shaft position switch.




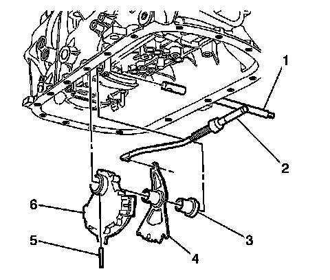
8. Using a suitable pin punch (1), remove the manual shift shaft position switch retaining pin (2).




9. Remove the manual shift shaft detent spring (1) and bolts (2).




10. Extract the manual shift shaft (1) from the transmission case only far enough to allow removal of the manual shift shaft position switch (6).
11. Remove the manual shift shaft position switch (6), the manual shift shaft detent lever (4), the manual shift shaft assembly spacer (3), and the park pawl actuator (2) as an assembly.

Installation Procedure




1. Install the manual shift shaft position switch (6), the manual shift shaft detent lever (4), the manual shift shaft assembly spacer (3), and the park pawl actuator (2) as an assembly. It may be necessary to push up on the park pawl in order to fully insert the park pawl actuator (2).
2. Fully insert the manual shift shaft (1) into the transmission case.




3. Install the manual shift shaft detent spring (1).
4. Install the control valve body bolts (2) retaining the manual shift shaft detent spring. Do not tighten at this time.




5. Confirm that the manual shift shaft detent lever locating pin (2) is properly engaged with the manual valve link (1).
6. Confirm that the detent spring roller (4) is properly engaged with the manual shift shaft switch (3).




7. Using a suitable pin punch (1), install the manual shift shaft position switch retaining pin (2).
8. Connect the electrical connector to the manual shift shaft position switch.




9. Install a 0.8 mm spacer (2) between the manual shaft detent lever (1) and the manual shaft detent spring (3).

Notice: Refer to Fastener Notice.

10. Tighten the detent spring bolts.

Tighten the bolts to 11 N.m (97 lb in).

11. Remove the spacer (2).
12. Install the transmission fluid pan and filter.




13. If previously removed, install a new shaft seal using J 44767.
14. Position the seal onto the J 44767 before installing the seal into the transmission case.
15. Carefully slide the seal and tool over the manual shift shaft and insert the seal into the transmission until fully seated




16. If previously removed, install a new cup plug. Lubricate the cup plug with transmission fluid before installation.
17. Insert the cup plug into the transmission until flush with the transmission case.




18. Place the transmission in the park position by rotating the shift shaft fully counterclockwise.
19. Install the transmission manual shift shaft nut (1).

Tighten the nut to 9 N.m (80 lb in).

20. Install the transmission.
21. Install the front closeout panel.
22. Lower the vehicle.

Important: It is recommended that transmission adaptive pressure (TAP) information be reset.

Resetting the TAP values using a scan tool will erase all learned values in all cells. As a result, The ECM, PCM or TCM will need to relearn TAP values. Transmission performance may be affected as new TAP values are learned.

23. Reset the TAP values. Refer to Transmission Adaptive Functions.