lemon-mirror:
Home >> Pontiac >> 2007 >> Solstice L4-2.4L >> Repair and Diagnosis >> Powertrain Management >> Computers and Control Systems >> Air Flow Meter/Sensor >> Service and Repair

Air Flow Meter/Sensor: Service and Repair



Mass Airflow Sensor/Intake Air Temperature Sensor Replacement

Removal Procedure




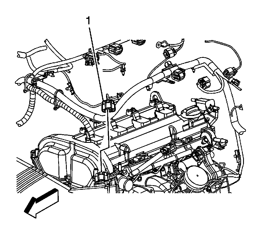
1. Disconnect the mass air flow (MAF)/intake air temperature (IAT) sensor electrical connector (1).




2. Remove the MAF/IAT sensor screws.
3. Remove the MAF/IAT sensor.

Installation Procedure




1. Install the MAF/IAT sensor.

Notice: Refer to Fastener Notice.

2. Install the MAF/IAT sensor screws.

Tighten the screws to 0.6 N.m (5 lb in).




3. Connect the MAF/IAT sensor electrical connector (1).