lemon-mirror:
Home >> Pontiac >> 2007 >> Solstice L4-2.4L >> Repair and Diagnosis >> Powertrain Management >> Computers and Control Systems >> Accelerator Pedal Position Sensor >> Service and Repair

Accelerator Pedal Position Sensor: Service and Repair



Accelerator Pedal Position Sensor Replacement

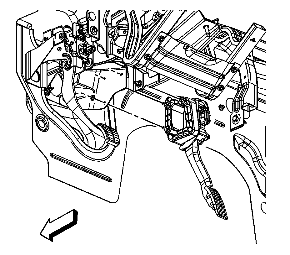
Removal Procedure




1. Remove the knee bolster.
2. Disconnect the accelerator pedal position (APP) sensor electrical connector.




3. Remove the APP sensor nuts.
4. Remove the APP sensor from the vehicle.

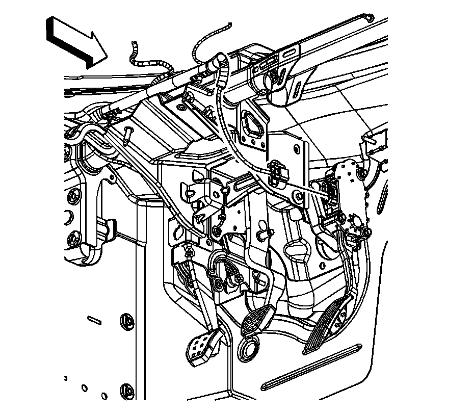
Installation Procedure




1. Install the APP sensor to the vehicle.

Notice: Refer to Fastener Notice.

2. Install the APP sensor nuts.

Tighten the nuts to 10 N.m (89 lb in).




3. Connect the APP sensor electrical connector.
4. Confirm that the APP sensor connector locking clip is fully secured.
5. Verify the operation of the accelerator pedal.
6. Install the knee bolster.