lemon-mirror:
Home >> Pontiac >> 2007 >> Grand Prix V8-5.3L >> Repair and Diagnosis >> Wiper and Washer Systems >> Wiper Control Module >> Service and Repair

Wiper Control Module: Service and Repair



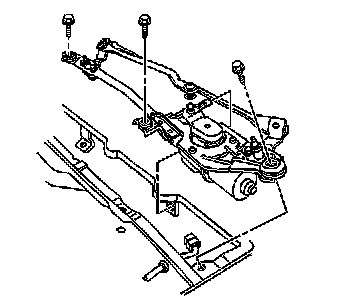
WIPER DRIVE SYSTEM MODULE REPLACEMENT

TOOLS REQUIRED
- J 39232 Wiper Transmission Separator
- J 39529 Wiper Transmission Installer

REMOVAL PROCEDURE
1. Remove the air inlet grille panel.




2. Disconnect the wiper transmission link from the wiper motor crank arm using the J 39232.




3. Remove the wiper drive system module screws.
4. Rotate the wiper drive system module to access the wiper motor electrical connector.
5. Disconnect the wiper motor electrical connector.
6. Remove the wiper drive system module from the vehicle.

INSTALLATION PROCEDURE




1. Position the wiper drive system module to the vehicle.
2. Connect the wiper motor electrical connector.
3. Rotate the wiper drive system module to the mounting position.

4. NOTE: Refer to Fastener Notice.

Install the wiper drive system module screws.

Tighten the screws to 10 N.m (89 lb in).
5. Install the wiper transmission link to the wiper motor crank arm using the J 39529.
6. Install the air inlet grille panel.
7. Inspect the wipers for proper operation.