lemon-mirror:
Home >> Pontiac >> 2007 >> Grand Prix V8-5.3L >> Repair and Diagnosis >> Powertrain Management >> Computers and Control Systems >> Battery Current Sensor >> Service and Repair

Battery Current Sensor: Service and Repair



Battery Current Sensor Replacement (RPO LS4)

Removal Procedure




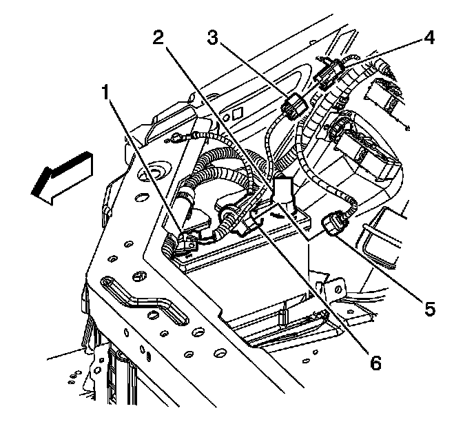
1. Disconnect the instrument panel (I/P) harness electrical connector (5) from the battery current sensor (6).
2. Remove the negative battery cable.




3. Cut the tie straps and electrical tape attaching the battery current sensor to the battery cable.
4. Squeeze the negative battery cable branches together.

Important: Note the position of the battery current sensor prior to removal.

5. Slide the battery current sensor (1) off of the negative battery cable.

Installation Procedure






Important: Ensure that the tape tab is pointing away from the battery prior to installation.

1. Slide the NEW battery current sensor (1) up onto the negative battery cable.
2. Using NEW tie straps and electrical tape, attach the battery current sensor to the negative battery cable.




3. Install the negative battery cable.
4. Connect the I/P harness electrical connector (5) to the battery current sensor (6).