lemon-mirror:
Home >> Pontiac >> 2007 >> G6 V6-3.6L >> Repair and Diagnosis >> Powertrain Management >> Computers and Control Systems >> Fuel Level Sensor >> Service and Repair

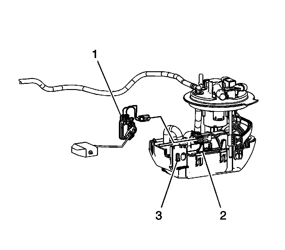
Fuel Level Sensor: Service and Repair



Fuel Level Sensor Replacement

Removal Procedure




1. Remove the fuel tank module assembly.
2. Remove the fuel level sensor wiring harness from the clip (2) on the module.
3. Disconnect the fuel level sensor electrical connector from the pump module electrical connector.
4. Push the tab (1) on the sensor in towards the sensor and remove the level sensor from the module alignment feature (3).

Installation Procedure




1. Connect the fuel level sensor electrical connector to the pump module electrical connector.
2. Align the tab opening on the rear of the fuel level senor with the module alignment feature (3).
3. Press the tab (1) on the sensor out away from the sensor securing the sensor to the module.
4. Install the fuel level sensor wiring harness to the clip (2) on the module.
5. Install the fuel tank module assembly.