lemon-mirror:
Home >> Pontiac >> 2007 >> G5 L4-2.2L >> Repair and Diagnosis >> Power and Ground Distribution >> Fuse Block >> Service and Repair

Fuse Block: Service and Repair



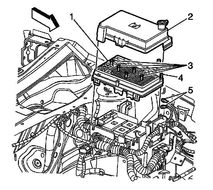
UNDERHOOD ELECTRICAL CENTER OR JUNCTION BLOCK BRACKET REPLACEMENT

REMOVAL PROCEDURE
1. Disconnect the negative battery cable.
2. Remove the cover (2) from the underhood electrical center.




3. Remove the underhood positive battery terminal lug (4).

4. IMPORTANT: Take note of the positioning of the positive battery cables before disconnecting the cables.

Disconnect the positive battery cables (5) from the underhood electrical center.

5. IMPORTANT: The underhood electrical center bolts (3) are retained in the electrical center.

Loosen all of the underhood electrical center bolts (3).
6. Remove the underhood electrical center (1) from the vehicle.

INSTALLATION PROCEDURE




1. Position the underhood electrical center (1) to the vehicle.

2. NOTE: Refer to Fastener Notice.

Tighten all of the underhood electrical center bolts (3).

Tighten the bolts to 10 N.m (89 lb in).

3. Connect the positive battery cables (5) to the underhood electrical center.
4. Install the underhood positive battery terminal lug (4).

Tighten the terminal lug to 15 N.m (133 lb in).

5. Install the cover (2) to the underhood electrical center.
6. Connect the negative battery cable.