lemon-mirror:
Home >> Pontiac >> 2006 >> Solstice L4-2.4L VIN B >> Repair and Diagnosis >> Powertrain Management >> Computers and Control Systems >> Relays and Modules - Computers and Control Systems >> Engine Control Module >> Service and Repair

Engine Control Module: Service and Repair



ENGINE CONTROL MODULE (ECM) REPLACEMENT

REMOVAL PROCEDURE

IMPORTANT: It is necessary to record the remaining engine oil life. If the replacement module is not programed with the remaining engine oil life, the engine oil life will default to 100 percent. If the replacement module is not programmed with the remaining engine oil life, the engine oil will need to be changed at 5000 km (3,000 mi) from the last engine oil change.




1. Using a scan tool, retrieve the percentage of remaining engine oil. Record the remaining engine oil life.
2. Record the preset radio stations.
3. Turn the ignition OFF.
4. Disconnect the negative battery cable.
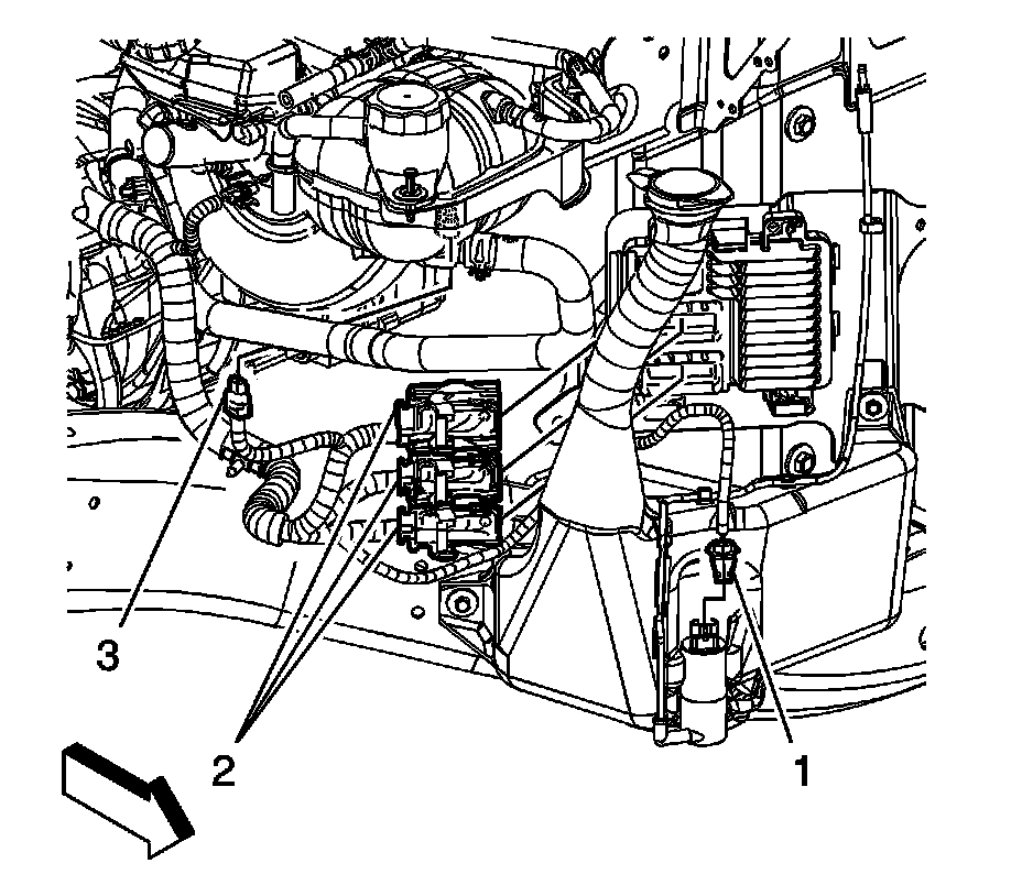
5. Disconnect the engine harness electrical connectors (2) from engine control module (ECM).




6. Release the upper retaining tab using a small screwdriver or other suitable tool.
7. Remove the ECM by lifting upward after releasing the tab.

INSTALLATION PROCEDURE




1. Slide the ECM into the bracket.
2. Push down on the ECM until the retaining tab snaps into place.




3. Connect the engine harness electrical connectors (2) to the ECM.
4. Connect the negative battery cable.
5. Reset the clock and preset radio stations.
6. If a NEW ECM was installed, the ECM must be programmed. Refer to Control Module References. Programming and Relearning