lemon-mirror:
Home >> Pontiac >> 2006 >> Solstice L4-2.4L VIN B >> Repair and Diagnosis >> Powertrain Management >> Computers and Control Systems >> Accelerator Pedal Position Sensor >> Service and Repair

Accelerator Pedal Position Sensor: Service and Repair



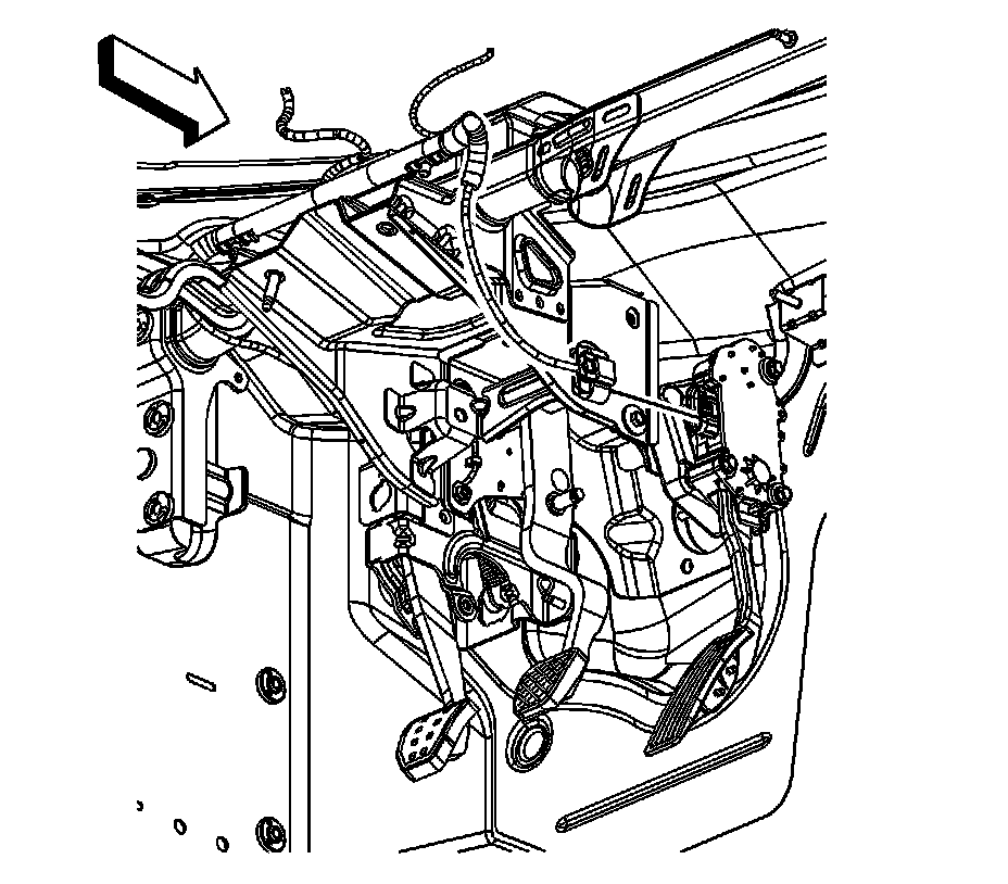
ACCELERATOR PEDAL WITH POSITION SENSOR REPLACEMENT

REMOVAL PROCEDURE




1. Remove the knee bolster.
2. Disconnect the accelerator pedal position (APP) sensor electrical connector.




3. Remove the APP sensor nuts.
4. Remove the APP sensor from the vehicle.

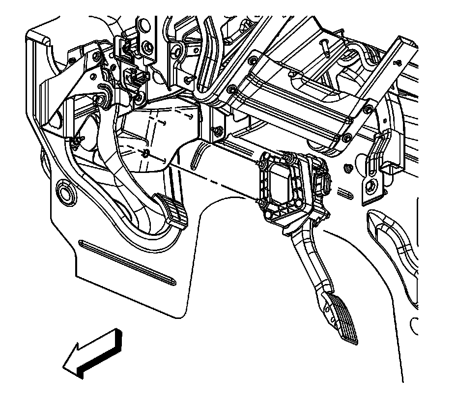
INSTALLATION PROCEDURE




1. Install the APP sensor to the vehicle.
2. Install the APP sensor nuts.

NOTE: Refer to Fastener Notice.

Tighten the nuts to 10 N.m (89 lb in).




3. Connect the APP sensor electrical connector.
4. Confirm that the APP sensor connector locking clip is fully secured.
5. Verify the operation of the accelerator pedal.
6. Install the knee bolster.