lemon-mirror:
Home >> Pontiac >> 2005 >> Sunfire L4-2.2L VIN F >> Repair and Diagnosis >> Specifications >> Mechanical Specifications >> Engine >> Timing Components

Timing Components



Engine Front Cover Replacement

Removal Procedure
1. Remove the crankcase balancer.





2. Remove the drive belt tensioner.





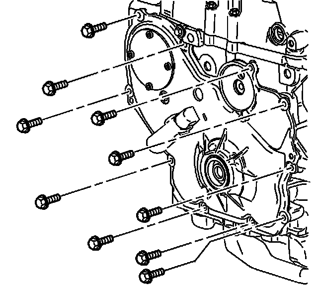
3. Remove the engine front cover to water pump bolt.





4. Remove the remaining engine front cover bolts.
5. Remove the engine front cover.
^ If the engine front cover gasket is damaged.
^ Remove the front engine mount.
^ Remove the engine front cover gasket if it is damaged.

Installation Procedure





1. If removed install a new engine front cover gasket.
2. Install the front engine mount.
3. Install the engine front cover.

4. Notice: Refer to Fastener Notice in Service Precautions.

Install the engine front cover bolts.
Tighten the engine front cover bolts to 25 Nm (18 ft. lbs.).





5. Install the water pump bolt.
Tighten the water pump bolt to 25 Nm (18 ft. lbs.).





6. Install the drive belt tensioner.
7. Install the drive belt tensioner bolt.
Tighten the drive belt tensioner bolt to 45 Nm (33 ft. lbs.).
8. Install the crankcase balancer.