lemon-mirror:
Home >> Pontiac >> 2005 >> Sunfire L4-2.2L VIN F >> Repair and Diagnosis >> Diagrams >> Exploded Views >> Manual Transmission/Transaxle >> Case Components

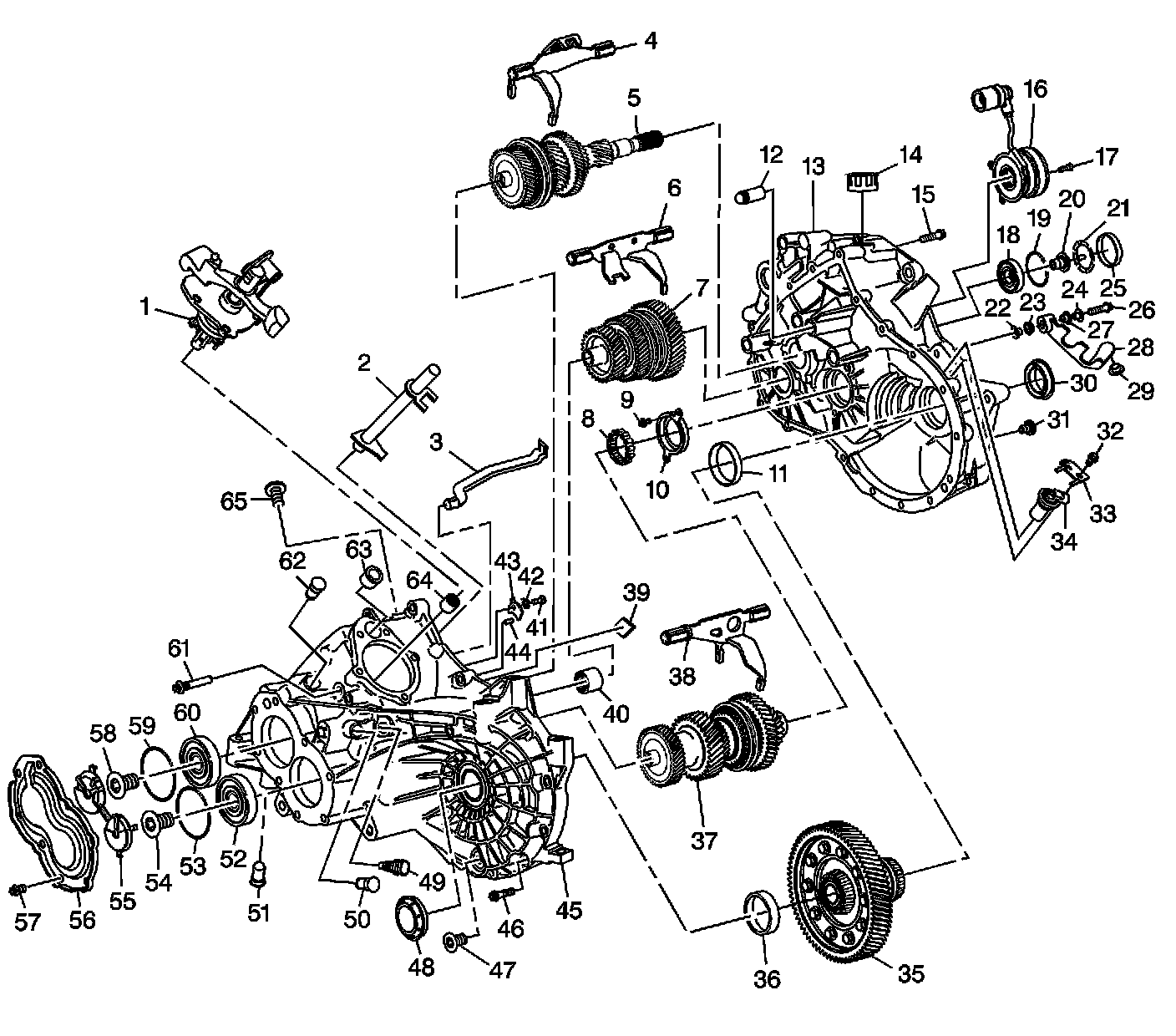
Case Components



Case Components

Case Components:





1 - Shifter
2 - Shift Rod
3 - Oil Tube
4 - 3rd/4th Gear Shift Fork
5 - Input Shaft Assembly
6 - 1st/2nd Gear Shift Fork
7 - Intermediate Shaft Assembly
8 - Output Shaft Roller Bearing
9 - Output Shaft Bearing Race Bolt
10 - Output Shaft Bearing Race
11 - Clutch Housing Differential Bearing Race
12 - Shifter Detent
13 - Clutch Housing
14 - Fill Cap
15 - Clutch Housing to Transaxle Case Bolt
16 - Actuator
17 - Actuator Bolt
18 - Intermediate Shaft Roller Bearing
19 - Intermediate Shaft Bearing Snap Ring
20 - Intermediate Shaft Bolt
21 - Oil Guide
22 - Shift Cable Bracket Spacer
23 - Shift Cable Bracket Isolators
24 - Shift Cable Bracket Spacer
25 - Intermediate Shaft Seal
26 - Shift Cable Bracket Bolt
27 - Shift Cable Bracket Isolators
28 - Shift Cable Bracket
29 - Shift Cable Bracket Isolators
30 - Clutch Housing Differential Output Shaft Seal
31 - Lubricant Check Plug
32 - Vehicle Speed Sensor Bolt
33 - Vehicle Speed Sensor Retaining Bracket
34 - Vehicle Speed Sensor
35 - Differential Assembly
36 - Transaxle Case Differential Bearing Race
37 - Output Shaft Assembly
38 - 5th/Reverse Gear Shift Fork
39 - Magnet
40 - Intermediate Shaft Needle Bearing
41 - Bolt, if equipped
42 - Spring, if equipped
43 - Lever, if equipped
44 - Alignment Pin
45 - Transaxle Case
46 - Transaxle Case to Clutch Housing Bolt
47 - Lubricant Drain Plug
48 - Transaxle Case Differential Output Shaft Seal
49 - Reverse Lamp Switch
50 - Shift Shaft Detents
51 - Shift Shaft Detents
52 - Bearing
53 - Output Shaft Bearing Snap Ring
54 - Output Shaft Bolt
55 - Oil Guide
56 - Rear Cover
57 - Rear Cover Bolts
58 - Input Shaft Bolt
59 - Input Shaft Bearing Snap Ring
60 - Bearing
61 - Shifter Guide Bolt
62 - Shift Shaft Detents
63 - Shift Rod Bushing
64 - Shifter Bearing
65 - Fill Plug