lemon-mirror:
Home >> Pontiac >> 2005 >> Aztek FWD V6-3.4L VIN E >> Repair and Diagnosis >> Powertrain Management >> Computers and Control Systems >> Fuel Level Sensor >> Service and Repair >> Fuel Level Sensor Replacement

Fuel Level Sensor Replacement



FUEL LEVEL SENSOR REPLACEMENT

REMOVAL PROCEDURE




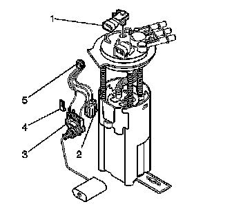
1. Remove the fuel sender assembly.
2. Disconnect the fuel pump electrical connector (2).
3. Remove the fuel level sensor electrical connector retaining clip (4).
4. Disconnect the fuel level sensor electrical connector from under the fuel sender cover (5).
5. Remove the fuel level sensor retaining clip.
6. Squeeze the locking tangs and remove the fuel level sensor (3) from the modular fuel sender.

INSTALLATION PROCEDURE




1. Install the fuel level sensor (3) to the modular fuel sender.
2. Install the fuel level sensor retaining clip.
3. Connect the fuel level sensor electrical connector.
4. Install the fuel level sensor electrical connector retaining clip (4).
5. Connect the fuel pump electrical connector (2).
6. Install the fuel sender assembly.
7. Inspect for fuel leaks with the following procedure:
1. Turn ON the ignition for 2 seconds.
2. Turn OFF the ignition for 10 seconds.
3. Turn ON the ignition.
4. Inspect for fuel leaks.