lemon-mirror:
Home >> Pontiac >> 2005 >> Aztek FWD V6-3.4L VIN E >> Repair and Diagnosis >> Powertrain Management >> Computers and Control Systems >> Body Control Module >> Diagrams >> Electrical Diagrams

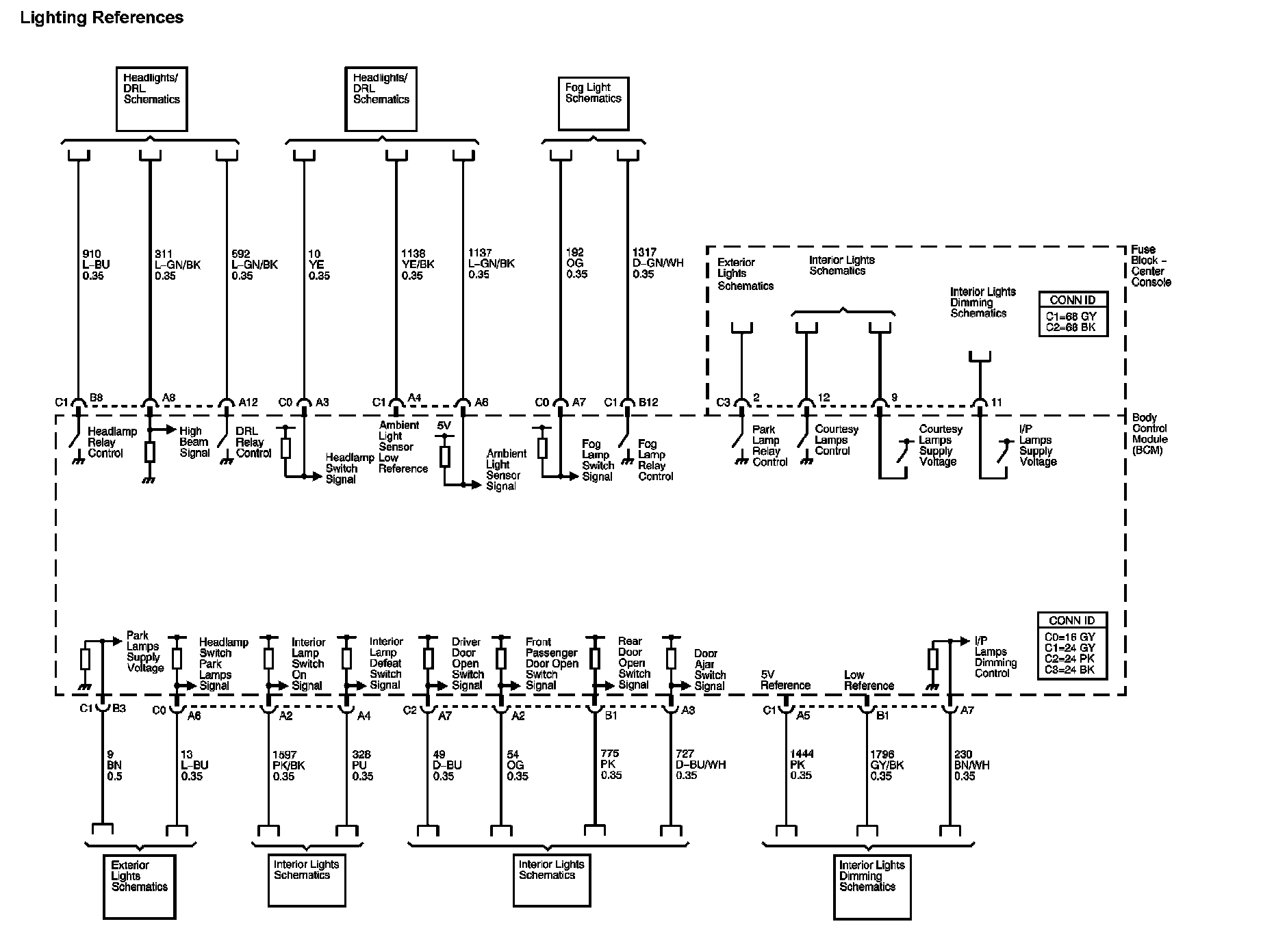
Electrical Diagrams



Body Control System Diagram 1:




Body Control System Diagram 2:




Body Control System Diagram 3:




Body Control System Diagram 4:






Location: The locations for the Connectors, Grounds, Splices, and Grommets shown within these diagrams can be found via their numbers at vehicle locations. Locations