lemon-mirror:
Home >> Pontiac >> 2005 >> Aztek FWD V6-3.4L VIN E >> Repair and Diagnosis >> Diagrams >> Exploded Views >> Steering Column

Steering Column



Steering Column Disassembled View (Aztek/250)

Steering Column Disassembled View (Aztek/250):





1 - Upper Trim Cover
2 - Upper Bearing
3 - Upper Bearing Seat
4 - Steering Shaft Upper Bearing Spring
5 - Inflatable Restraint Steering Wheel Module Coil
6 - Bearing Retainer
7 - Steering Wheel Nut
8 - Trim Cover Protector
9 - Sleeve
10 - Cover, Housing Trim Extension
11 - Lower Trim Cover Screws
12 - Lower Trim Cover
13 - Tilt Lever
14 - Tilt Lever Spring
15 - Tilt Lever Bolt
16 - Tilt Lever Spring
17 - Lower Trim Cover Screw
18 - Lower Tilt Head Mounting Bolts
19 - Lower Tilt Head
20 - Tilt Head Pivot Pins
21 - Steering Column Jacket Assembly
22 - Adapter and Bearing Assembly
23 - Lower Bearing Seat
24 - Lower Bearing Retainer
25 - Wire Harness Retainer
26 - Wire Harness Assembly
27 - Shaft Assembly
28 - Multifunction Switch
29 - Tilt Head Springs
30 - Multifunction Switch Screws
31 - Trim Cover Screw
32 - Actuator, Automatic Transmission Shift Lock Control
33 - Ignition Switch
34 - Ignition Key Alarm Switch
35 - Upper Tilt Head
36 - Theft Deterrent Module

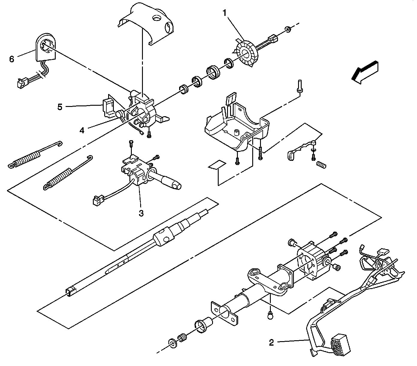
Steering Column Disassembled View (Pontiac)

Steering Column Disassembled View (Pontiac):





1 - Inflatable Restraint Steering Wheel Module
2 - Wire Harness Assembly
3 - Multifunction Switch
4 - Actuator, Automatic Transmission Shift Lock Control
5 - Ignition Switch
6 - Theft Deterrent Module