lemon-mirror:
Home >> Pontiac >> 2005 >> Aztek FWD V6-3.4L VIN E >> Repair and Diagnosis >> Cruise Control >> Cruise Control Module >> Locations

Cruise Control Module: Locations



ABS Component Views

Right Front Wheel

Right Front Wheel:





1 - Wheel Speed Sensor (WSS)-RF
2 - Pigtail Connector

LR Engine Compartment

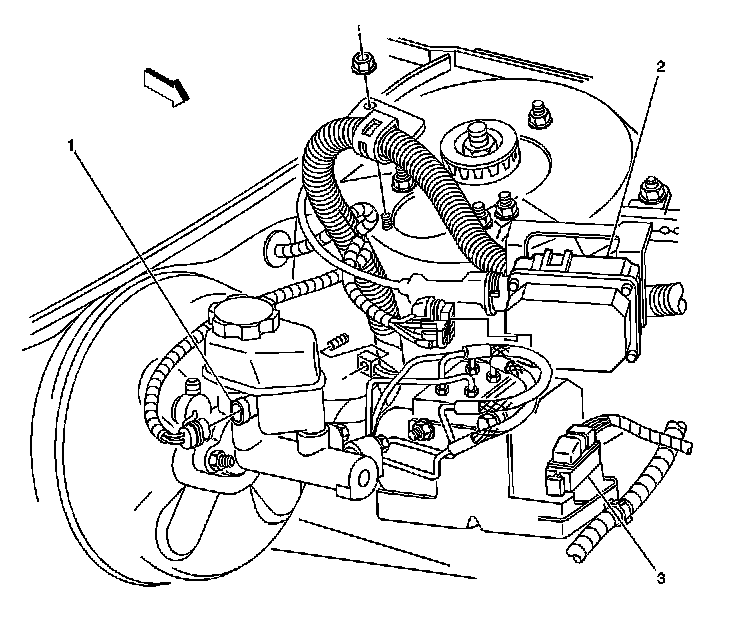
LR Engine Compartment:





1 - Brake Fluid Level Switch
2 - Cruise Control Module
3 - Electronic Brake Control Module (EBCM)

Rear Wheel Speed Sensors

Rear Wheel Speed Sensors:





1 - Wheel Speed Sensor-LR (RR similar)
2 - Rear Strut