lemon-mirror:
Home >> Pontiac >> 2004 >> Grand AM L4-2.2L VIN F >> Repair and Diagnosis >> Powertrain Management >> Computers and Control Systems >> Relays and Modules - Computers and Control Systems >> Engine Control Module >> Service and Repair

Engine Control Module: Service and Repair

POWERTRAIN CONTROL MODULE (PCM) REPLACEMENT

REMOVAL PROCEDURE

NOTE: In order to prevent internal damage to the PCM, the ignition must be OFF when disconnecting or reconnecting the PCM connector.

Service should normally consist of either replacement of the PCM or electronically erasable programmable read only memory (EEPROM) re-programming.

If the diagnostic procedures call for the PCM to be replaced, the PCM should be inspected first in order to verify the PCM is the correct part.
DTC P0602 indicates the EEPROM programming has malfunctioned. When DTC P0602 is set, re-program the EEPROM.




1. Disconnect the negative battery cable.
2. Remove the left closeout/insulator panel.

NOTE: Do not touch the PCM connector pins or soldered components on the circuit board in order to prevent possible electrostatic discharge (ESD) damage. Do not remove the integrated circuit boards from the carrier.

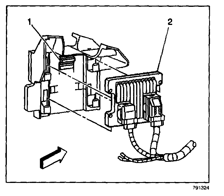
3. Push down on the locking tab (1) and pull up on the release lever (2) and disconnect the PCM harness connectors.
4. Depress the PCM retaining tab (1).




5. Slide the PCM up and out from the PCM bracket.

INSTALLATION PROCEDURE




Remove the new PCM from the packaging and inspect the service number to verify the number is the same number, or an updated number, as the faulty PCM.
1. Slide the PCM into the PCM bracket. The retaining tab (1) will look in place.

NOTE: Do not touch the PCM connector pins or soldered components on the circuit board in order to prevent possible electrostatic discharge (ESD) damage. Do not remove the integrated circuit boards from the carrier.




2. Install the PCM harness connectors and lock down the release levers (2).
3. Install the left closeout/insulator panel.
4. Connect the negative battery cable.

IMPORTANT: The replacement PCM must be reprogrammed and the crankshaft position (CKP) system variation learn procedure must be performed. Programming and Relearning

5. Program the PCM. Refer to Service Programming System (SPS) in Programming. Programming and Relearning