lemon-mirror:
Home >> Pontiac >> 2004 >> Grand AM L4-2.2L VIN F >> Repair and Diagnosis >> Powertrain Management >> Computers and Control Systems >> Relays and Modules - Computers and Control Systems >> Engine Control Module >> Locations

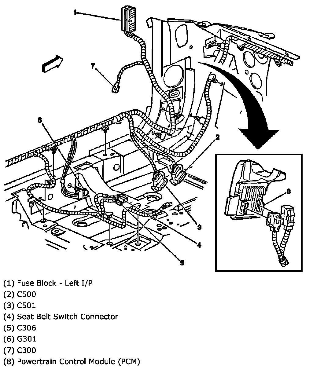
Engine Control Module: Locations










Note: Below the left side of the I/P near the steering column.