lemon-mirror:
Home >> Pontiac >> 2004 >> GTO V8-5.7L VIN G >> Repair and Diagnosis >> Powertrain Management >> Computers and Control Systems >> Electronic Throttle Control Module >> Service and Repair

Electronic Throttle Control Module: Service and Repair










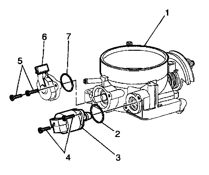
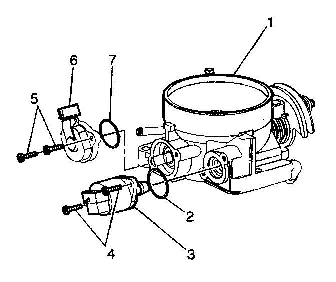
Idle Air Control (IAC) Valve Replacement

Removal Procedure


1. Depress the power steering reservoir retaining clip and lift it up on the reservoir and set aside.

2. Unbolt and remove the power steering reservoir mounting bracket.

3. Disconnect the AC valve electrical connector.

4. Remove the IAC valve attaching screws (4).

5. Remove the IAC valve (3).

6. Remove the IAC valve 0-ring seal (2).

Notice:

- Do Not push or pull on the IAC valve pintle on IAC valves that have been in service. The force required to move the pintle may damage the threads on the worm drive.

- Do Not soak the IAC valve in any liquid cleaner or solvent, as damage may result.

7. Clean the IAC valve 0-ring sealing surface, the pintle valve seat, and the air passage.

- Clean the IAC valve using GM cleaner 1052626 or GM X-66A. Use a shop towel or use a parts brush in order to remove heavy deposits.

It the air passage has heavy deposits, remove the throttle body for complete cleaning.

- Shiny spots on the pintle or seat are normal, and do not indicate misalignment or a bent pintle shaft.

8. Inspect the IAC valve 0-ring for cuts, for cracks, or for distortion. Replace the 0-ring if the 0-ring is damaged.


Installation Procedure

Important:
If installing a new IAC valve, be sure to replace the valve with an identical part. The pintle shape of the AC valve and the diameter of the IAC valve are designed for the specific application.

1. Measure the distance between the tip of the IAC valve pintle and the mounting surface. If the distance is more than 28 mm, use finger pressure in order to slowly retract the pintle. The force required to retract the pintle of a new valve will not cause damage to the valve.







2. Lubricate the IAC valve 0-ring (2) with clean engine oil.

3. Install the IAC valve 0-ring (2) on the IAC valve (3).

4. Install the IAC valve (3).

5. Apply Loctite 262 to the IAC valve attaching screw threads if necessary.

Notice: Refer to the Fastener Notice in Cautions and Notices.

6. Install the IAC valve attaching screws (4).

Tighten the IAC valve attaching screws to 3 N.m (27 lb in).

7. Connect the IAC valve electrical connector.

8. Install the power steering reservoir mounting bracket.

9. Install the power steering reservoir to the mounting bracket.