lemon-mirror:
Home >> Pontiac >> 2004 >> Aztek FWD V6-3.4L VIN E >> Repair and Diagnosis >> Diagrams >> Exploded Views >> Automatic Transmission/Transaxle >> Case Cover Assembly

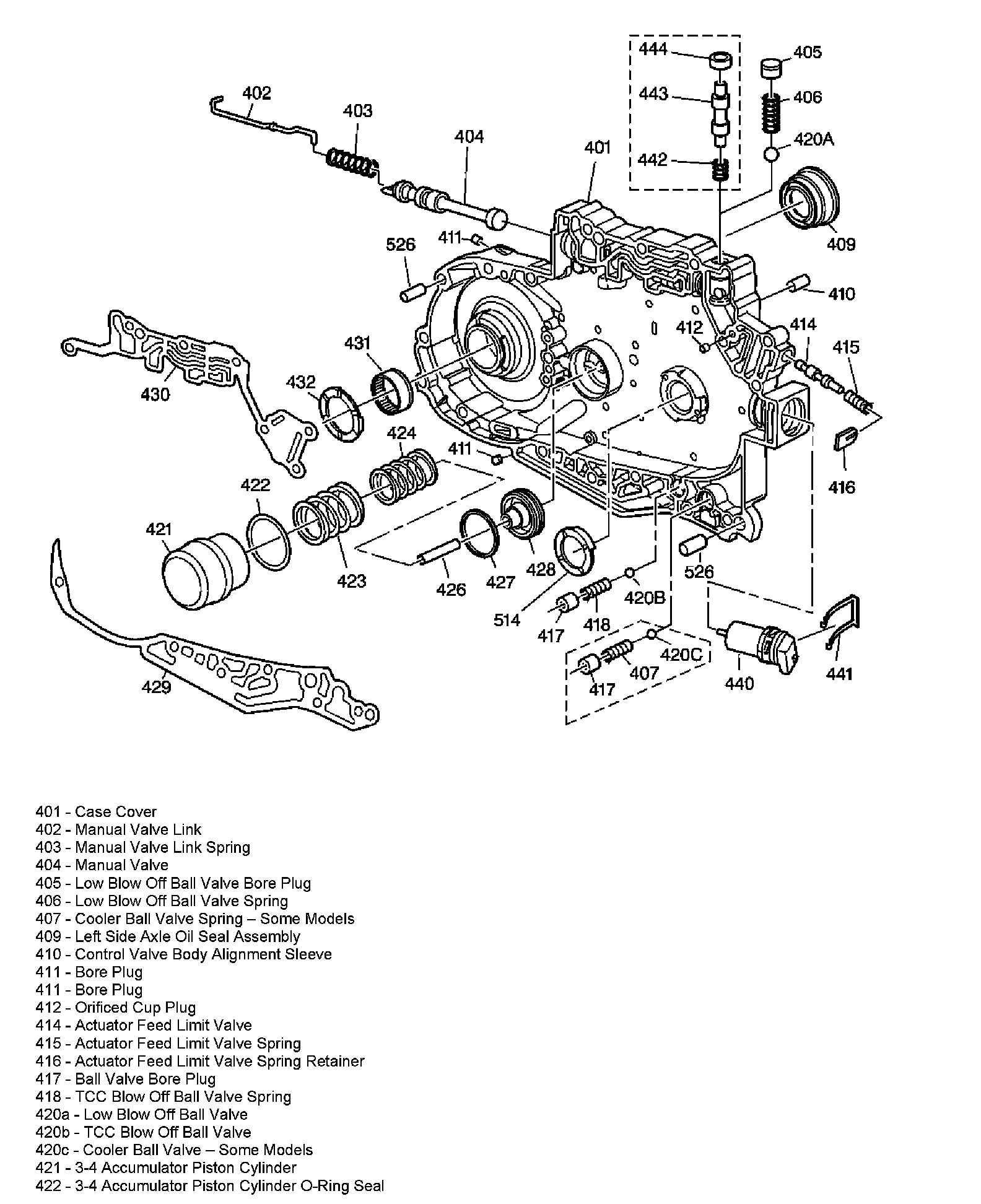
Case Cover Assembly

Case Cover Assembly