lemon-mirror:
Home >> Pontiac >> 2003 >> Sunfire L4-2.2L VIN F >> Repair and Diagnosis >> Diagrams >> Exploded Views >> Steering Column

Steering Column

Tilt, Floor Shift Steering Column Part 1:



Tilt, Floor Shift Steering Column Part 2:



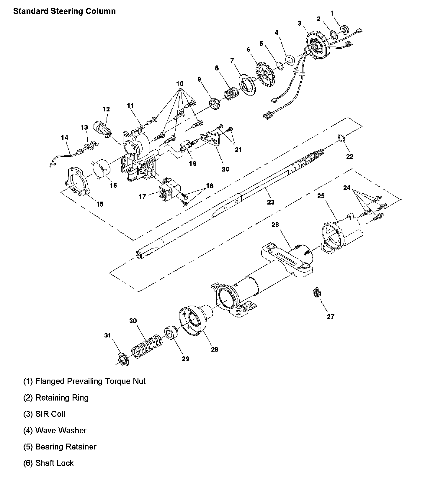
Standard Steering Column Part 1:



Standard Steering Column Part 2: