lemon-mirror:
Home >> Pontiac >> 2003 >> Aztek V6-3.4L VIN E >> Repair and Diagnosis >> Maintenance >> Alignment >> Service and Repair >> Trim Height Inspection

Trim Height Inspection

Trim Height Inspection Procedure
Incorrect trim heights can cause bottoming out over bumps. Incorrect trim heights can cause possible damage to the suspension components and symptoms similar to those produced when there is a problem with the wheel alignment. Check the trim heights when diagnosing suspension complaints and before checking the wheel alignment. Perform the following steps before measuring the trim height:
1. Ensure that the fuel level is a minimum 1/8 of a full tank.
2. Ensure that the correct size tires are on the vehicle.
3. Set the tire pressures to the pressure shown on the tire placard. The tire placard is located on the driver's door.
4. Make sure the vehicle is on a level surface, such as an alignment rack
5. Close the doors.
6. Close the hood.
7. Close the liftgate.

Important: All trim height measurements are taken vertical to the ground. Trim height measurements within 10 mm (0.4 inch) are considered correct.





Measuring J and K Dimensions

1. Use your hands in order by lift the front bumper of the vehicle up approximately 38 mm (1.5 inch). Gently remove your hands in order to allow the vehicle to lower.
2. Use your hands in order to push the front bumper of the vehicle down approximately 38 mm (1.5 inch). Remove your hands in order to allow the vehicle to rise.
3. Measure the J dimension for the left and right side of the vehicle 604 mm (24 inch) from the centerline of the FRONT wheel (1).
4. Replace the front springs to correct the front trim height as necessary.
5. Use your hands in order to lift the rear bumper of the vehicle up approximately 38 mm (1.5 inch). Gently remove your hands in order to allow the vehicle to lower.
6. Use your hands in order to push the front bumper of the vehicle down approximately 38 mm (1.5 inch. Remove your hands in order to allow the vehicle to rise.
7. Measure the K dimension for the left and right side of the vehicle 560 mm (22 inch) from the centerline of the REAR wheel (2).
8. Replace the rear springs to correct the rear trim height as necessary.





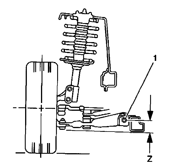
Measuring the Z Dimension (Front Suspension)

1. Use your hands in order to lift the front bumper of the vehicle up approximately 38 mm (1.5 inch). Gently remove your hands in order to allow the vehicle to lower.
2. Use your hands in order to push the front bumper of the vehicle down approximately 38 mm (1.5 inch). Remove your hands in order to allow the vehicle to rise.
3. Measure the Z dimension for the left and right side of the vehicle. The Z dimension is the vertical distance measured between the centerline of the lower control arm bolt (1) and the bottom of the ball joint.
4. Replace the front springs to correct low front trim height as necessary.





Measuring the D Dimension (Rear Suspension)

1. Use your hands in order to lift the rear bumper of the vehicle up approximately 38 mm (1.5 inch). Gently remove your hands in order to allow the vehicle to lower.
2. Use your hands in order to push the rear bumper of the vehicle down approximately 38 mm (1.5 inch). Remove your hands in order to allow the vehicle to rise.





3. Measure the D dimension for the left and right side of the vehicle.
^ The D dimension for front wheel drive vehicles is the vertical distance measured between the frame rail and the rear axle.
^ The D dimension for all wheel drive vehicles is the vertical distance measured between the horizontal centerline of the lower control arm bolt (1) and the bottom of the ball joint (2).
4. Replace the rear springs to correct low rear trim height as necessary.