lemon-mirror:
Home >> Pontiac >> 2003 >> Aztek V6-3.4L VIN E >> Repair and Diagnosis >> Diagrams >> Exploded Views >> Differential Assembly >> Rear Differential

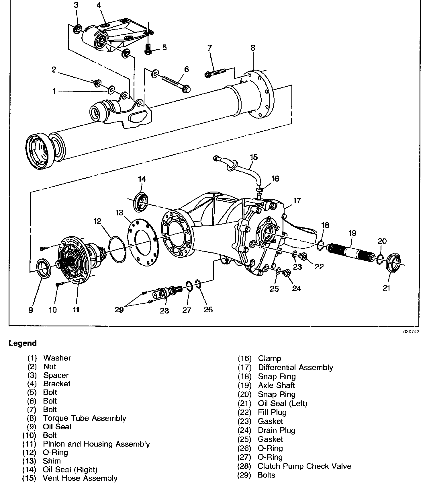
Rear Differential