lemon-mirror:
Home >> Pontiac >> 2002 >> Sunfire L4-2.2L VIN F >> Repair and Diagnosis >> Powertrain Management >> Computers and Control Systems >> Transmission Position Sensor/Switch >> Service and Repair

Transmission Position Sensor/Switch: Service and Repair

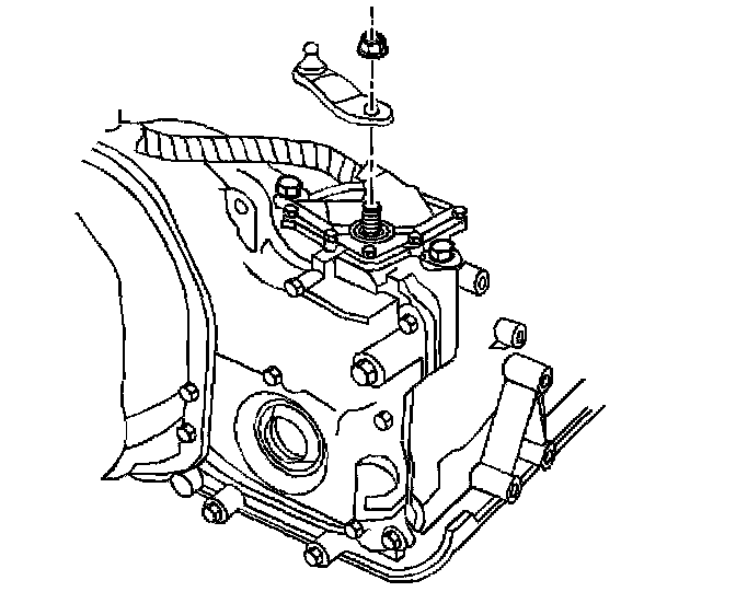
PNP Switch Replacement

Removal Procedure





1. Remove the shift linkage.
2. Disconnect the electrical connector.
3. Remove the park/neutral position switch mounting bolts.





4. Remove the park/neutral position switch assembly.

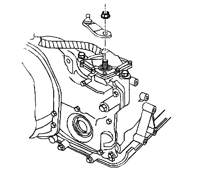
Installation Procedure
Using Old Switch





1. Place the shift shaft in N (Neutral).
2. Align the flats of the shift shaft with the switch.

Notice: Refer to Fastener Notice in Service Precautions.

3. Install the park/neutral position switch mounting bolts.
^ Tighten the bolts to 24 Nm (18 ft. lbs.).

Important: Ensure that the engine will only start in the P (Park) or the N (Neutral) position. Readjust the switch if the engine will start in any other position.

4. Turn the ignition switch to the ON position.