lemon-mirror:
Home >> Pontiac >> 2002 >> Sunfire L4-2.2L VIN F >> Repair and Diagnosis >> Powertrain Management >> Computers and Control Systems >> Relays and Modules - Computers and Control Systems >> Engine Control Module >> Service and Repair >> Powertrain Control Module (PCM) Replacement

Powertrain Control Module (PCM) Replacement

REMOVAL PROCEDURE

NOTE: In order to prevent internal damage to the PCM, the ignition must be OFF when disconnecting or reconnecting the PCM connector.

Service should normally consist of either replacement of the PCM or EEPROM re-programming.

If the diagnostic procedures call for the PCM to be replaced, the PCM should be inspected first in order to verify the PCM is the correct part.

DTC P0602 indicates the EEPROM programming has malfunctioned. When DTC P0602 is set, re-program the EEPROM.




1. Disconnect the negative battery cable.

NOTE: Refer to PCM and ESD Notice in Service Precautions.

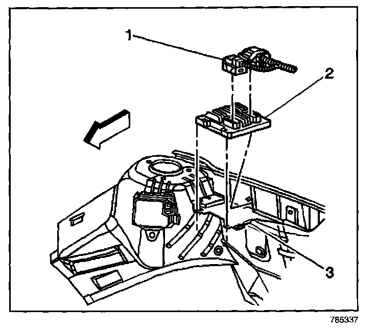
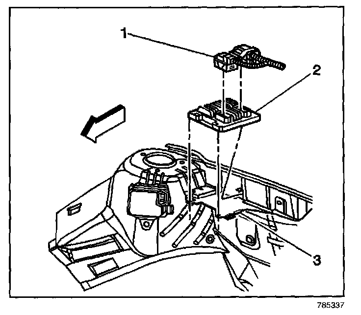
2. Push down the locking tab and pull up on the release lever and disconnect the PCM harness connectors (1).
3. Depress the PCM retaining tab.
4. Lift the PCM (2) from the PCM bracket (3).

INSTALLATION PROCEDURE
Remove the new PCM from the packaging and inspect the service number to verify the number is the same number, or an updated number, as the faulty PCM.




1. Push the PCM (2) into the PCM bracket (3). The retaining tab will lock in place.

NOTE: Refer to PCM and ESD Notice in Service Precautions.

2. Install the PCM harness connectors (1) and lock down the release levers.
3. Connect the negative battery cable.

IMPORTANT: The replacement PCM must be reprogrammed and the crankshaft position system variation learn procedure must be performed.

4. Program the PCM. Programming and Relearning