lemon-mirror:
Home >> Pontiac >> 2002 >> Grand AM L4-2.2L VIN F >> Repair and Diagnosis >> Powertrain Management >> Computers and Control Systems >> Relays and Modules - Computers and Control Systems >> Body Control Module >> Locations

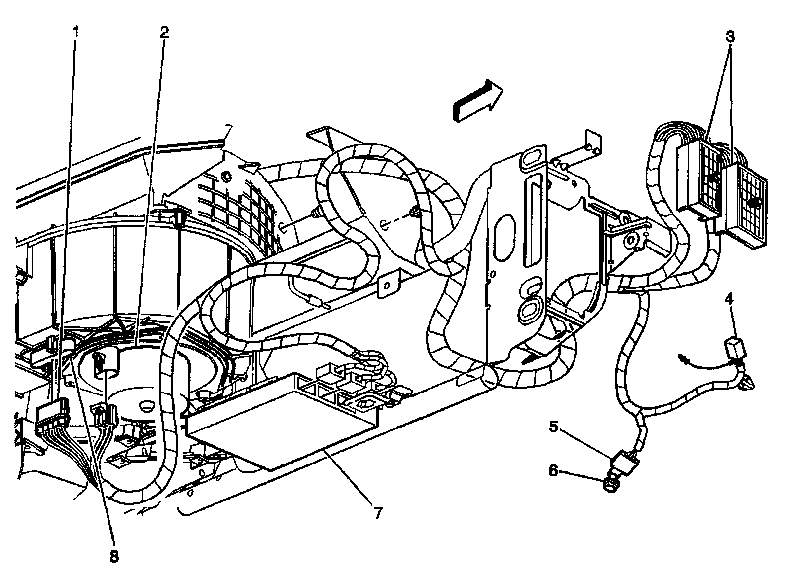
Body Control Module: Locations



Instrument Panel Harness- RH:






1. Blower Motor Resistor Assembly Connector
2. Blower Motor
3. Fuse Block - Right I/P, C1 and C2
4. Inflatable Restraint I/P Module Connector
5. Splice Pack, SP203
6. G203
7. Body Control Module (BCM)
8. Blower Motor Resistor Assembly.