lemon-mirror:
Home >> Pontiac >> 2002 >> Firebird V8-5.7L VIN G >> Repair and Diagnosis >> Powertrain Management >> Computers and Control Systems >> Air Flow Meter/Sensor >> Service and Repair

Air Flow Meter/Sensor: Service and Repair

MASS AIR FLOW (MAF) SENSOR REPLACEMENT

REMOVAL PROCEDURE

IMPORTANT: Take care when handling the MAF sensor. DO NOT dent, puncture, or otherwise damage the honeycell located at the air inlet end of the MAF sensor. Do not touch the sensing elements or allow anything, including cleaning solvents and lubricants, to come in contact with the elements. Use a small amount of a non-silicone based lubricant on the air duct only, to aid in installation. DO NOT drop or roughly handle the MAF sensor.




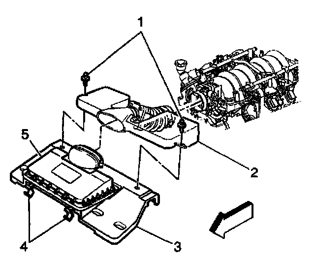
1. Release the air cleaner housing front latches (4).
2. Remove the retainers (1) holding the resonator to radiator core support (3).




3. Disconnect the MAF sensor (1) electrical connector.
4. Remove the clamp from the MAF sensor (1) at the resonator.
5. Remove the clamp from the MAF sensor (1) at the air intake duct.
6. Remove the MAF sensor (1).

INSTALLATION PROCEDURE

IMPORTANT: The embossed arrows on the MAF sensor indicate the proper air flow direction. The arrows must point toward the engine.




1. Install the MAF sensor (1) into the air intake duct and the resonator.
2. Install the clamp at the MAF sensor (1) to the air intake duct.
3. Install the clamp at the MAF sensor (1) to the resonator.




4. Install the retainers (1) holding the resonator (2) to the radiator core support (3).
5. Secure the air cleaner housing front latches (4).
6. Connect the electrical connector.