lemon-mirror:
Home >> Pontiac >> 2002 >> Firebird V8-5.7L VIN G >> Repair and Diagnosis >> Diagrams >> Exploded Views >> Engine >> Intake Manifold/Upper Engine

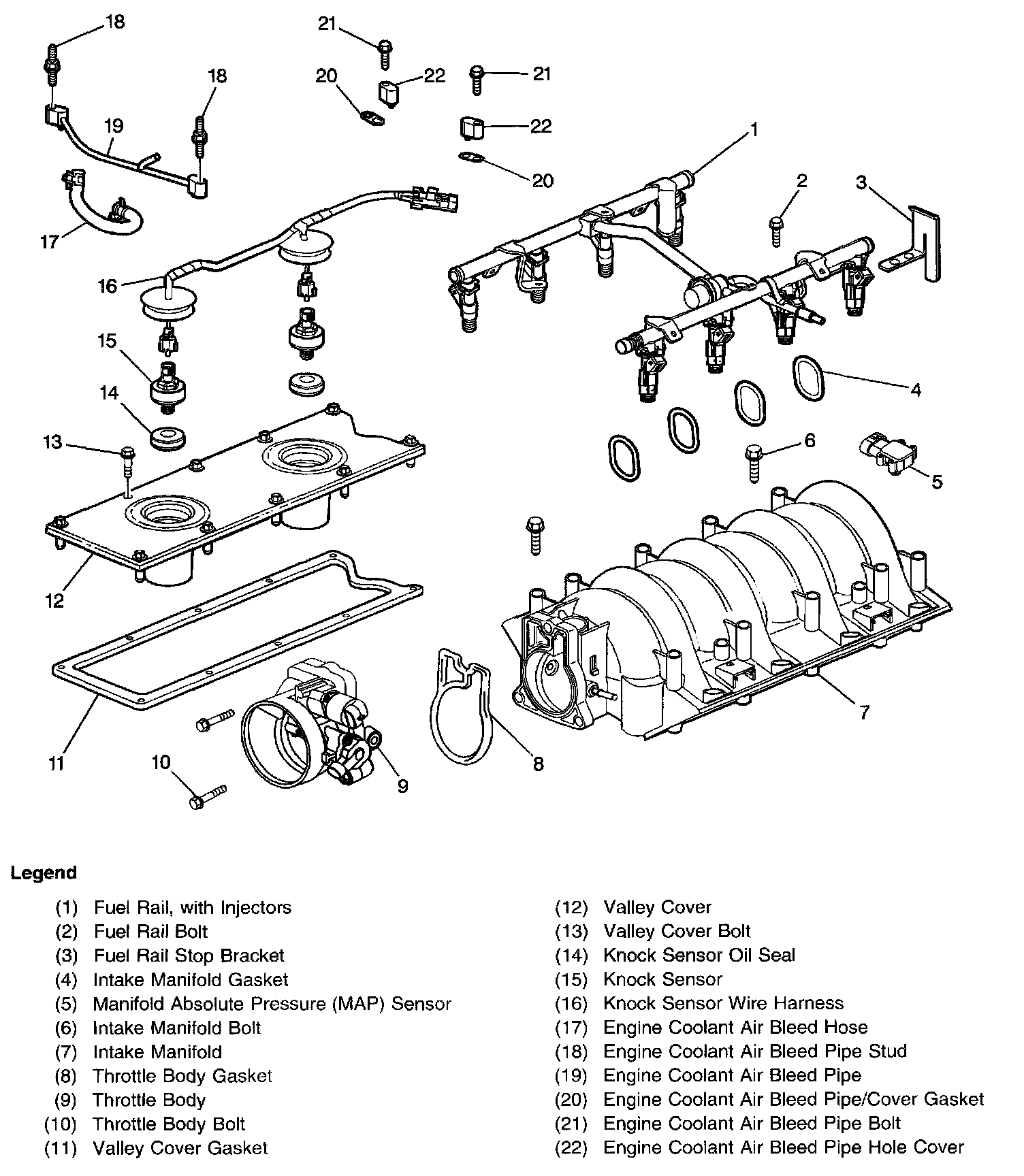
Intake Manifold/Upper Engine