lemon-mirror:
Home >> Pontiac >> 2002 >> Firebird V6-3.8L VIN K >> Repair and Diagnosis >> Powertrain Management >> Computers and Control Systems >> Fuel Level Sensor >> Service and Repair

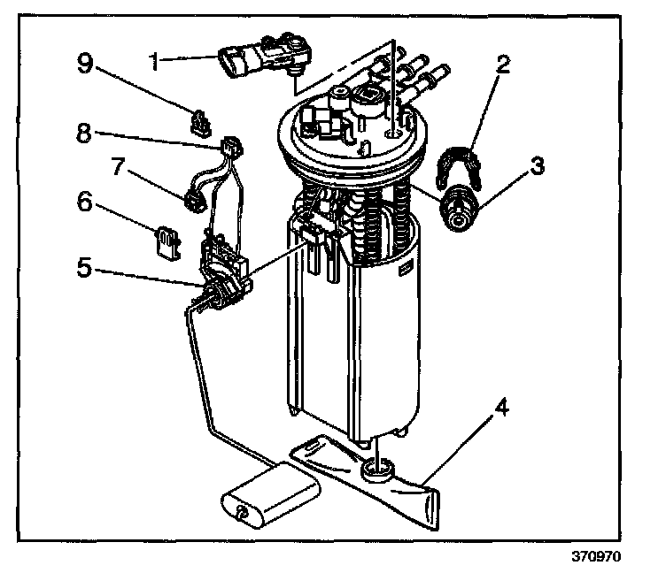
Fuel Level Sensor: Service and Repair

REMOVAL PROCEDURE

IMPORTANT: Always maintain cleanliness when servicing fuel system components.




1. Remove the fuel sender assembly.
2. Remove the fuel level sensor (8) from the modular fuel sender.

INSTALLATION PROCEDURE




1. Install the fuel level sensor (8) to modular fuel sender.
2. Install the fuel sender assembly.