lemon-mirror:
Home >> Pontiac >> 2002 >> Firebird V6-3.8L VIN K >> Repair and Diagnosis >> Cruise Control >> Cruise Control Module >> Service and Repair

Cruise Control Module: Service and Repair

REMOVAL PROCEDURE




1. If equipped without traction control, perform the following:
1.1. Rotate the throttle lever rearward.
1.2. Push down the cable end to remove it from the throttle lever pin.
1.3. Using a flat bladed tool, push in the cable retainer at the throttle body bracket.
1.4. Slide the cruise control cable up from the throttle body bracket.
1.5. Remove the cruise control cable from under the accelerator/cruise control cable servo bracket.




2. If equipped with traction control, unsnap and remove the cruise control servo cable adjuster cover.




3. If equipped with traction control, perform the following:
3.1. Rotate the upper cam, and remove the cruise control cable slug from the servo cable adjuster.
3.2. Unsnap the locking tab and remove the cable from the slot.
4. Lay the throttle body end of the cruise control cable down near the cruise control module.
5. Raise and suitably support the vehicle. Refer to Lifting and Jacking the Vehicle.
6. Remove the left front bumper fascia lower deflector.




7. Remove the cruise control module bracket bolts.
8. Remove the cruise control module and bracket from the left side engine compartment outer rail.




9. Unsnap and remove the cruise control module cover.
10. Remove the electrical connector retainer.
11. Disconnect the cruise control module electrical connector.




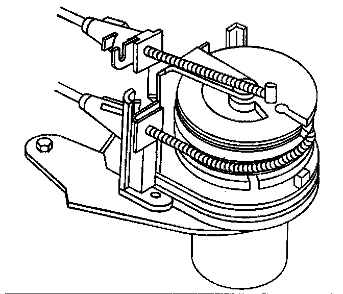
12. Remove the cable locking retainer from the module.
13. Compress the conduit tangs.




14. Pull the cruise control cable (4) out from the module (2).
15. Unhook the cable bead (1) from the module ribbon (3).
16. Lay the module and bracket on a work surface.




17. Remove the cruise control module to bracket bolts.
18. Remove the cruise control module from the bracket.

INSTALLATION PROCEDURE




1. Place the cruise control module onto the bracket.

NOTE: Refer to Fastener Notice in Service Precautions.

2. Install the cruise control module bolts.

Tighten
Tighten the cruise control module bolts to 5 N.m (44 lb in).




3. Inspect the cable end to insure that the O-ring is in place.
4. Pull the throttle body end of the cable until cable is taut, continue to hold while performing the following:
4.1. Hook the cable bead (1) to the module ribbon (3).
4.2. Rotate the cable end if necessary, to straighten the ribbon.
4.3. Push the cable fitting end over the ribbon.
4.4. Snap the cable end into the module.
4.5. Ensure that the conduit tangs are engaged.




5. Install the cable locking retainer to the module.




6. Connect the cruise control module electrical connector.
7. Install the electrical connector retainer.
8. Align the cruise control module cover over the cable and bracket.




9. Snap the cover closed over the flanges on the bracket.




10. Install the cruise control module and bracket to the left side engine compartment outer rail.
11. Install the cruise control module bracket bolts.

Tighten
^ Tighten the cruise control module bracket bolts to the rail to 10 N.m (89 lb in).
^ Tighten the cruise control module bracket bolt to 2 N.m (18 lb in).

12. Route the throttle body end of the cruise control cable up to the throttle body.
13. Install the left front bumper fascia lower deflector.
14. Lower the vehicle.




15. If equipped with traction control, perform the following:
15.1. Rotate the upper cam, and install the cruise control cable slug to the servo cable adjuster.
15.2. Slide the cable onto the slot, ensure locking tab is snapped into position.




16. Slide the cruise control servo cable adjuster cover down and snap into place.




17. If equipped without traction control, perform the following:
17.1. Rotate the throttle lever rearward.
17.2. Snap the cruise control cable end to the throttle lever.
17.3. Align cable and slide onto slot, locking tab must be snapped into position.
18. Adjust the cruise control cable as needed. Refer to Cruise Control Cable Adjustment (without RPO NW9) or Cruise Control Cable Adjustment (with RPO NW9).

"For a description of the RPO Code(s) shown in this article or any of the images therein, refer to the RPO Code List found at Vehicle/Application ID". RPO Codes