lemon-mirror:
Home >> Pontiac >> 2002 >> Firebird V6-3.8L VIN K >> Repair and Diagnosis >> Body and Frame >> Body Control Systems >> Body Control Module >> Locations

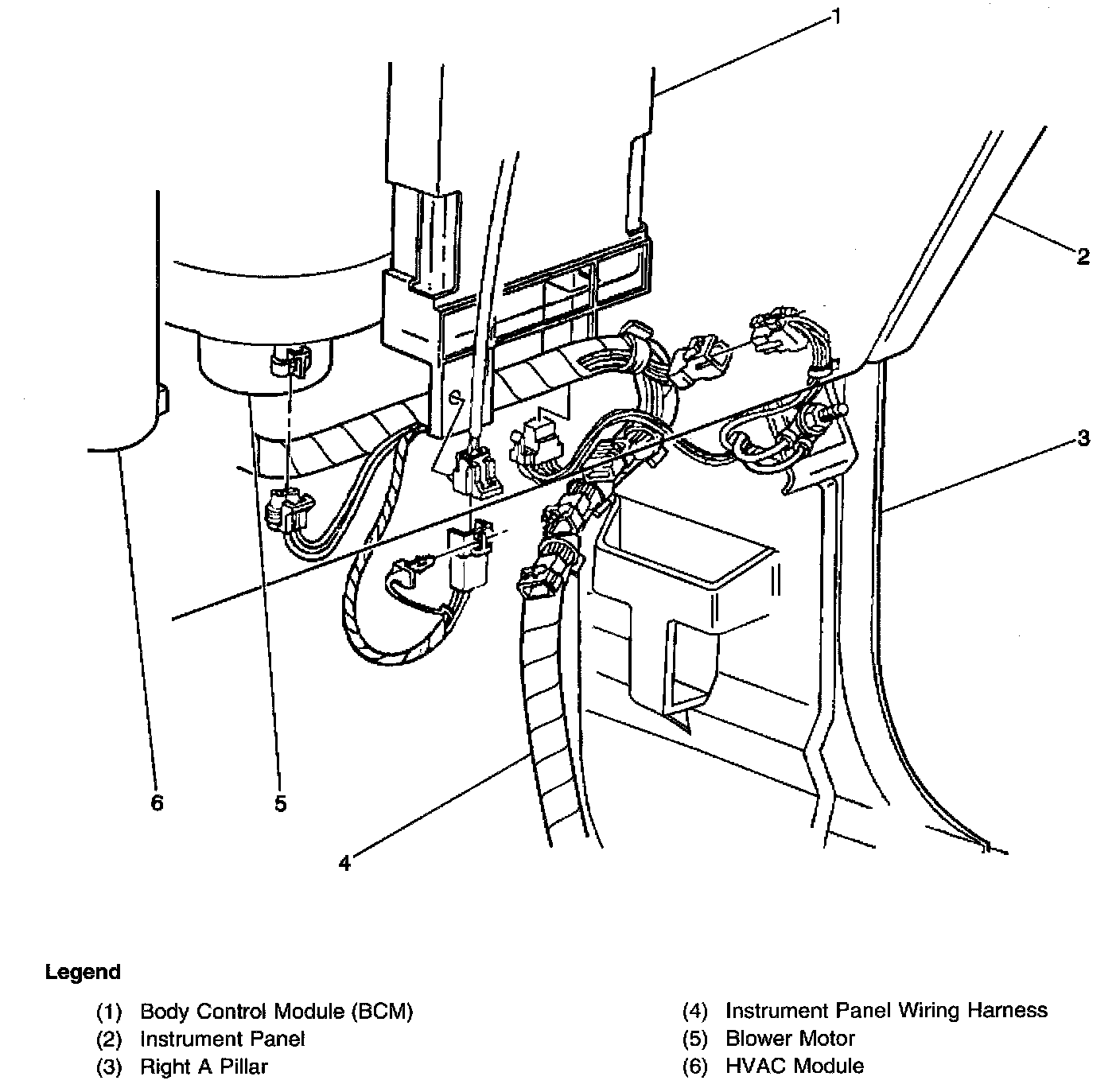
Body Control Module: Locations

Locations View: