lemon-mirror:
Home >> Pontiac >> 2002 >> Aztek V6-3.4L VIN E >> Repair and Diagnosis >> Diagrams >> Exploded Views >> Automatic Transmission/Transaxle

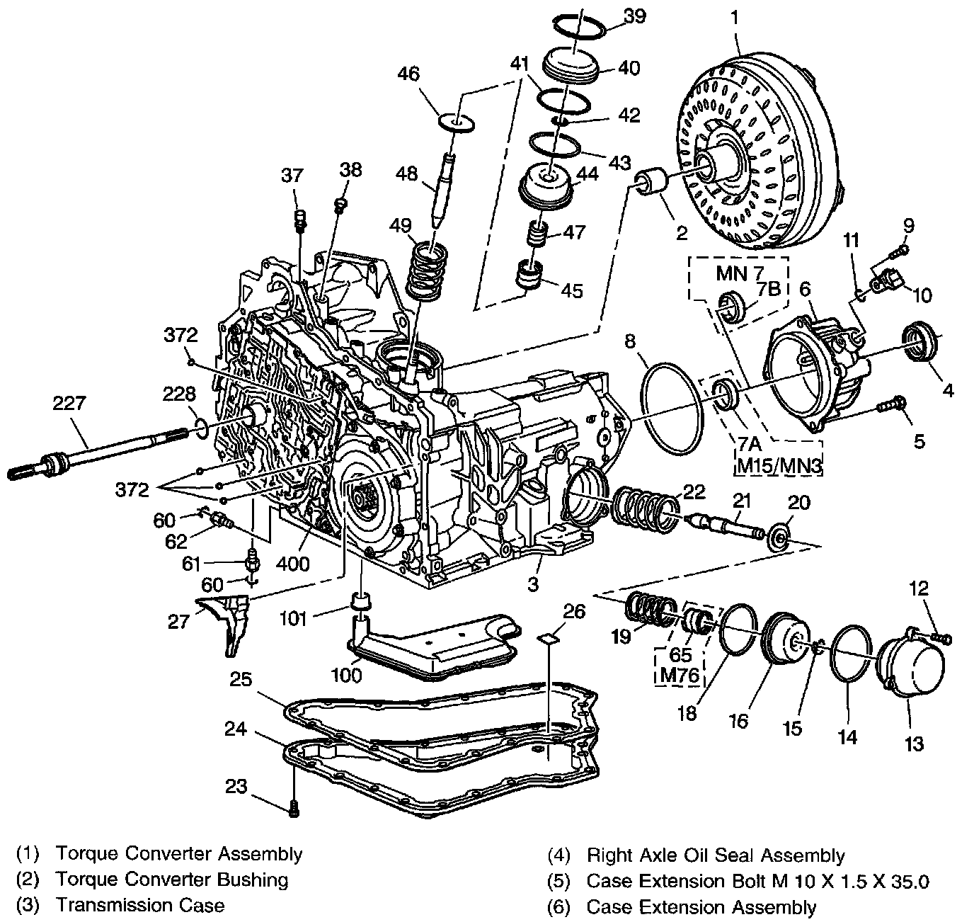
Automatic Transmission/Transaxle

Disassembled Views








Case and Associated Parts (1 of 4)








Case and Associated Parts (2 of 4)








Case and Associated Parts (3 of 4)








Case and Associated Parts (4 of 4)





Oil Pump Assembly





Control Valve Body Assembly (1 of 2)





Control Valve Body Assembly (2 of 2)








Case Cover Assembly








Internal Components (1 of 2)








Internal Components (2 of 2)





Manual Shaft and Parking System Assembly





Transmission to Transfer Case Components