lemon-mirror:
Home >> Pontiac >> 2000 >> Sunfire L4-2.2L VIN 4 >> Repair and Diagnosis >> Diagrams >> Exploded Views >> Engine >> System Diagram

System Diagram





Intake and Exhaust Manifold Components








Cylinder Head And Components








Timing and Accessory Components








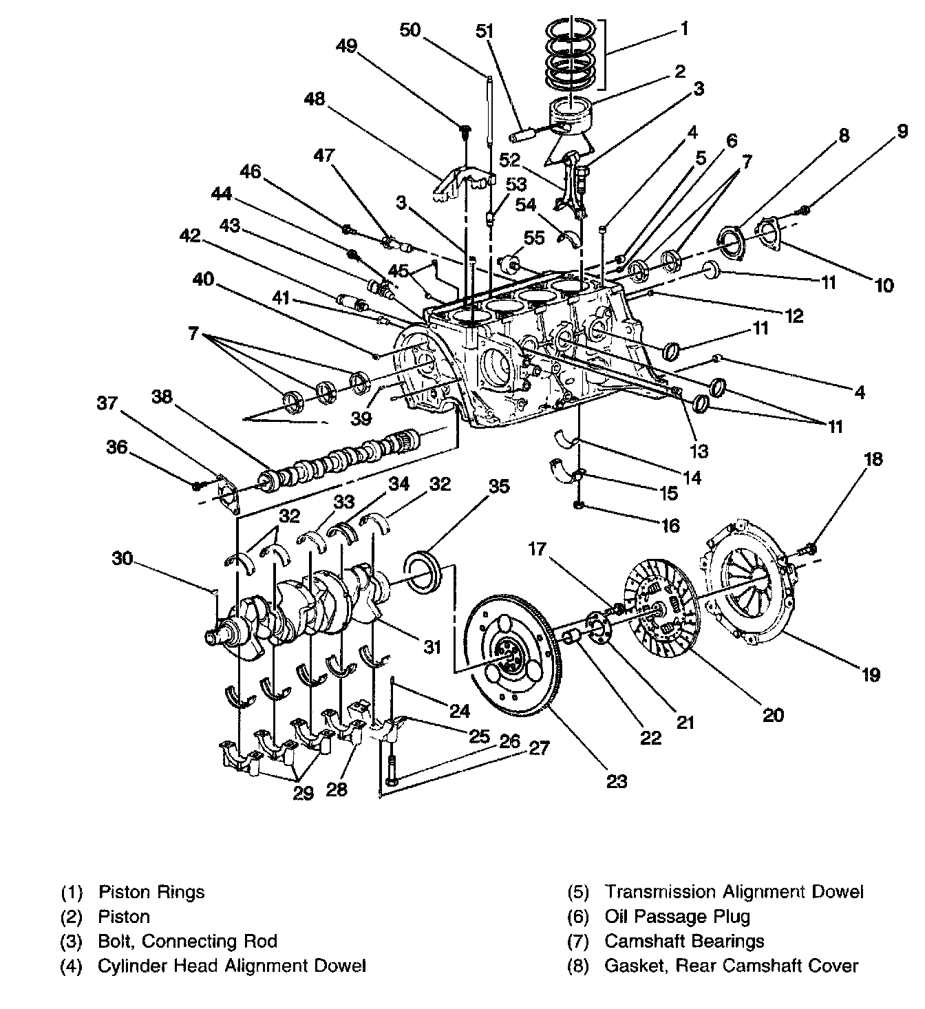
Cylinder Block And Crankshaft Components





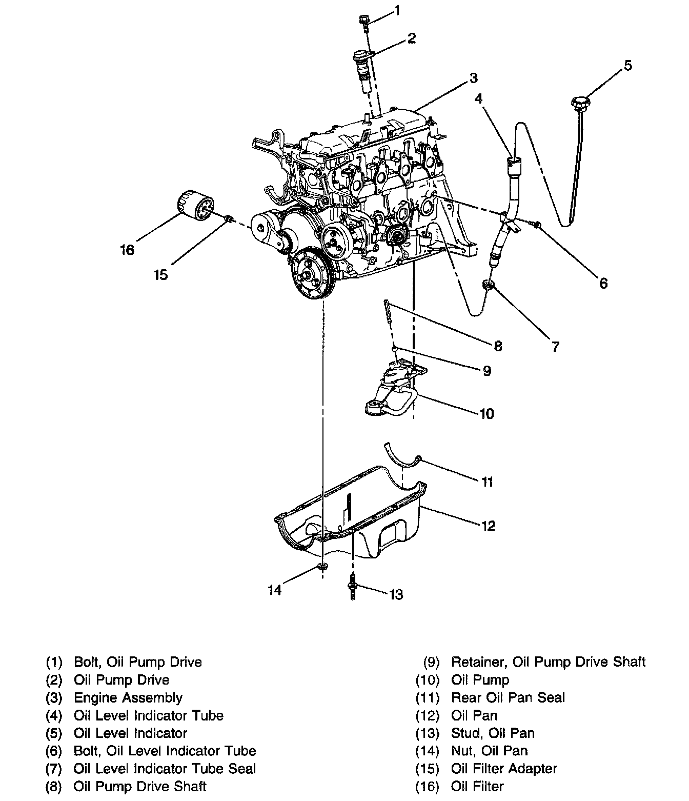
Oil Pump And Oil Pan Components