lemon-mirror:
Home >> Pontiac >> 2000 >> Firefly (CANADA) L4-1.3L >> Repair and Diagnosis >> Powertrain Management >> Ignition System >> Distributor >> Service and Repair >> Distributor Overhaul

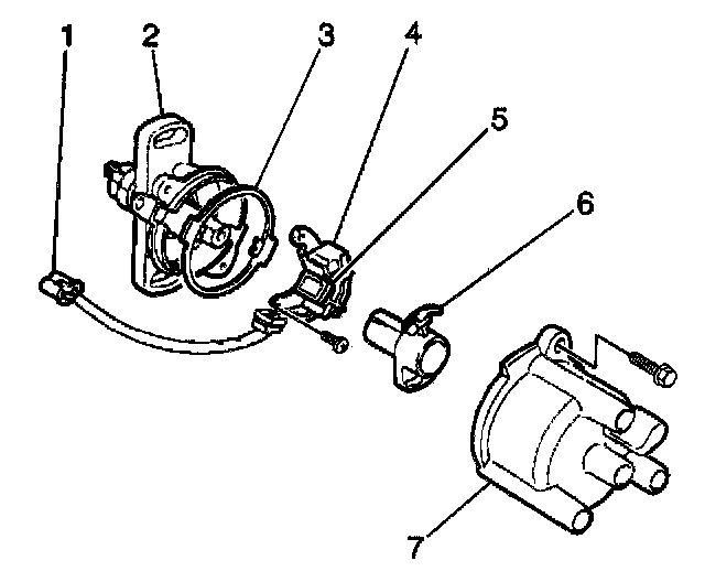
Distributor Overhaul

REMOVAL PROCEDURE

TOOLS REQUIRED
J 39200 Digital Multimeter




1. Measure the resistance of the Camshaft Position (CMP) sensor (3) between the two terminals of the distributor connector (2) using a J 39200. Replace the CMP sensor if the resistance is not within specifications.

Camshaft Position Sensor Resistance
185-325 ohm




2. Remove the distributor rotor (6) from the distributor housing.
3. Remove the CMP sensor cover from the CMP sensor (4).
4. Remove two screws and the CMP sensor from the distributor housing.
5. If necessary, remove the 2 distributor flange bolts and the distributor housing from the cylinder head. Refer to Distributor Replacement.
6. Perform the following inspections:
^ Inspect the distributor housing for corrosion or wear. Also inspect the shaft for excessive end play and the signal rotor for damage and wear. If you observe any defects, replace the distributor housing assembly.
^ Inspect the rotor for wear or cracks. Replace the rotor as necessary.
^ Inspect the distributor cap for carbon tracking, arcing or cracks. Replace the distributor cap as necessary.
^ Inspect the distributor shaft O-ring seal for wear or tears. Replace the seal as necessary.

INSTALLATION PROCEDURE




1. Install the Camshaft Position (CMP) sensor (4) to the distributor housing. Secure the sensor with two screws. Do not tighten fully.
2. Install the CMP sensor cover to the CMP sensor.




3. Align a signal rotor ridge with the ridge on the CMP sensor by rotating the signal rotor (3).

NOTE: Refer to Fastener Notice in Service Precautions.

4. Adjust the signal rotor air gap to 0.2-0.4 mm (0.008-0.016 in) by moving the CMP sensor (1) in relation to the signal rotor (3).

Tighten
Tighten the CMP sensor retaining screws to 5 N.m (44 lb in).

IMPORTANT: If the engine was cranked after the distributor was removed, refer to Distributor Replacement.

5. Install the distributor rotor to the distributor housing.
6. Install the distributor housing to the cylinder head. Match the marks made on the cylinder head and the distributor housing during removal. Also match the distributor coupling and housing alignment marks.
7. Install two distributor flange bolts. Do not tighten fully.
8. Install the new distributor cap seal to the distributor cap.
9. Install the distributor cap to the distributor. Secure the cap with two screws.
10. Connect the distributor electrical connector.
11. Set the ignition timing on the 1.0L only. Refer to Ignition Timing Adjustment in Engine Controls.