lemon-mirror:
Home >> Pontiac >> 2000 >> Firefly (CANADA) L4-1.3L >> Repair and Diagnosis >> Heating and Air Conditioning >> Compressor HVAC >> Service and Repair >> Compressor Replacement

Compressor Replacement

REMOVAL PROCEDURE




1. Discharge and recover the refrigerant. Refer to Refrigerant Recovery and Recharging. Service and Repair
2. Disconnect the compressor clutch electrical connector (6).
3. Raise and suitably support the vehicle. Refer to Lifting and Jacking the Vehicle in Vehicle Lifting.
4. Remove the engine splash shield.




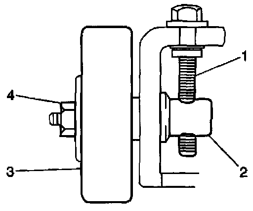
5. Loosen the idler pulley lock nut (4).
6. Loosen the idler pulley adjusting bolt (1).




7. Remove the compressor drive belt (2) from the clutch pulley.




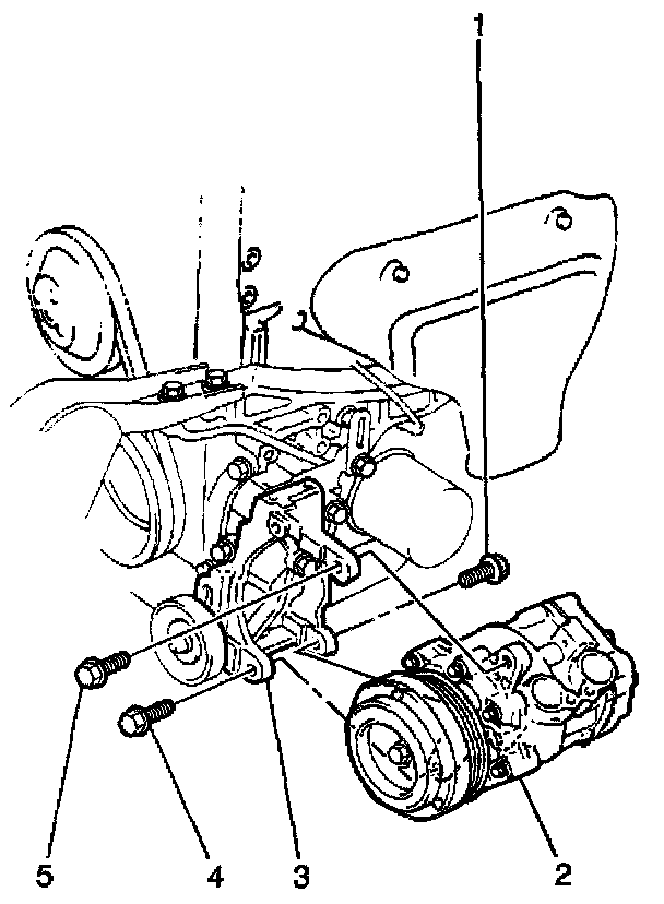
8. Remove 1 bolt (3) and the discharge hose (1) from the compressor.
9. Remove 1 bolt (3) and the suction hose (4) from the compressor.
10. Discard the O-rings.




11. Remove the 3 bolts (1,4,5) and the compressor from the vehicle.
12. Cap all of the refrigerant line openings in order to keep dirt and moisture out of the system.

INSTALLATION PROCEDURE

IMPORTANT
^ When installing a new compressor, add 90 cc (3.0 fl oz) of refrigerant oil to the refrigeration system.
^ Use the correct torque sequence in order to prevent damage to the compressor or to the compressor bracket.




1. Install the compressor to the compressor bracket.
Secure the compressor with the 3 bolts. Tighten the bolts (1,4,5) in the following sequence:
1.1. The front lower bolt (4)
1.2. The front upper bolt (5)
1.3. The rear bolt (1)

NOTE: Refer to Fastener Notice in Service Precautions.

2. Tighten the bolts

Tighten
Tighten the compressor bolts to 22.5-27.4 N.m (16.5-20.1 lb ft).




3. Install the compressor drive belt (2).
4. Ensure that the belt is correctly aligned on the compressor pulley, on the crankshaft pulley, and on the power steering pulley, if equipped.




5. Adjust the drive belt tension.
5.1. Turn the idler pulley adjusting bolt (1) in order to obtain 7-9 mm (0.28-0.35 in) of belt deflection at 10 kg (22 lb) of force.
5.2. Tighten the idler pulley lock nut (4).

Tighten
Tighten the idler pulley lock nut to 44.1-49 N.m (32.4-36 lb ft).




6. Connect the compressor clutch electrical connector (6).
7. Secure the electrical connector wire with the clamps (5).




8. Coat the new discharge hose O-rings and the new suction hose O-rings with mineral base 525 viscosity refrigerant oil.
9. Install the discharge hose and the suction hose (1,4) to the compressor.

Tighten
Tighten the compressor discharge hose bolt and the compressor suction hose bolt to 9.8 N.m (86.74 lb ft).

10. Install the engine splash shield.
11. Lower the vehicle.
12. Evacuate and recharge the air conditioning (A/C) system. Refer to Refrigerant Recovery and Recharging. Service and Repair
13. Operate the A/C system, and inspect for refrigerant leaks. Refer to Leak Testing. Leak Testing