lemon-mirror:
Home >> Pontiac >> 2000 >> Firebird V8-5.7L VIN G >> Repair and Diagnosis >> Powertrain Management >> Computers and Control Systems >> Throttle Position Sensor >> Service and Repair

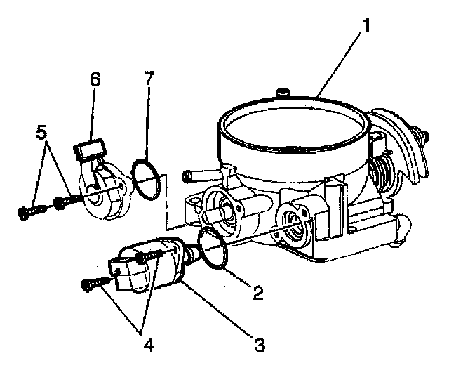
Throttle Position Sensor: Service and Repair




REMOVAL PROCEDURE

NOTE: The TP sensor is an electrical component. Do not soak the TP sensor in any liquid cleaner or solvent as damage may result.

1. Disconnect the TP sensor electrical connector.
2. Remove the TP sensor attaching screws (5).
3. Remove the TP sensor (6).
4. Remove the TP sensor O-ring seal (7).

INSTALLATION PROCEDURE
1. Install the TP sensor O-ring seal (7) on the TP sensor (6).
2. Install the TP sensor (6) on the throttle body (1) with the throttle valve in the closed position. Make sure the TP sensor lever lines up with the TP sensor drive lever on the throttle shaft.

NOTE: Refer to the Fastener Notice in Service Precautions.

3. Install the TP sensor attaching screws (5).

Tighten
Tighten the TP sensor attaching screws to 2 N.m (18 lb in).

4. Connect the TP sensor electrical connector.
5. Perform the TP sensor learn procedure (traction control equipped vehicles only). Refer to Scan Tool Diagnostics in Antilock Brake System.