lemon-mirror:
Home >> Pontiac >> 2000 >> Firebird V8-5.7L VIN G >> Repair and Diagnosis >> Powertrain Management >> Computers and Control Systems >> Fuel Level Sensor >> Service and Repair

Fuel Level Sensor: Service and Repair




REMOVAL PROCEDURE

Tools Required
^ J 34730-1A Fuel Pressure Gauge
^ J 39765 Fuel Sender Lock Nut Wrench
^ J 42960-1 Fuel Tank Drain Hose
^ J 42960-2 Fuel Flapper Door Holder

CAUTION: Refer to the Battery Disconnect Caution in Service Precautions.

1. Disconnect the negative battery cable.
2. Relieve the fuel system pressure. Refer to the Fuel Pressure Relief Procedure. Service and Repair
3. Drain the fuel tank. Refer to Fuel Tank Draining Procedure. Procedures
4. Remove the fuel tank.
5. Remove the fuel sender assembly..
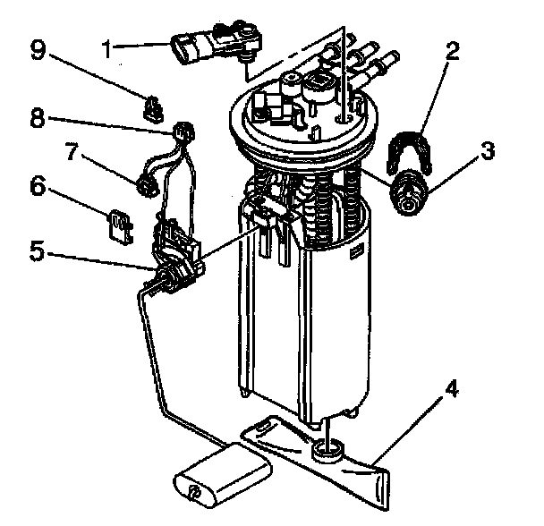
6. Disconnect the fuel pump electrical connector (7).
7. Remove the fuel level sensor electrical connector retaining clip (9).
8. Disconnect the fuel level sensor electrical connector (8) from under the fuel sender cover.
9. Remove the fuel level sensor retaining clip (6).
10. Squeeze the locking tangs and remove the fuel level sensor (5).

INSTALLATION PROCEDURE
1. Install the fuel level sensor (5).
2. Install the fuel level sensor retaining clip (6).
3. Connect the fuel level sensor electrical connector (8).
4. Connect the fuel level sensor electrical connector retaining clip (9).
5. Connect the fuel pump electrical connector (7).
6. Install the fuel sender assembly.
7. Perform the fuel tank leak check. Refer to Fuel Tank Leak Check.
8. Install the fuel tank.
9. Refill the fuel tank.
10. Install the fuel filler cap.
11. Connect the negative battery cable.
12. Inspect for leaks.
12.1. Turn the ignition switch ON for 2 seconds.
12.2. Turn the ignition switch OFF for 10 seconds.
12.3. Turn the ignition switch ON.
12.4. Check for fuel leaks.
13. Perform the idle learn procedure. Refer to PCM Idle Learn Procedure. PCM Idle Learn Procedure