lemon-mirror:
Home >> Pontiac >> 2000 >> Firebird V8-5.7L VIN G >> Repair and Diagnosis >> Locations >> Component Locations >> Modules >> HVAC Module

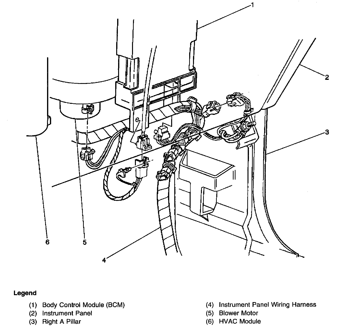
HVAC Module

Locations View: