lemon-mirror:
Home >> Pontiac >> 2000 >> Firebird V6-3.8L VIN K >> Repair and Diagnosis >> Powertrain Management >> Computers and Control Systems >> Fuel Level Sensor >> Service and Repair

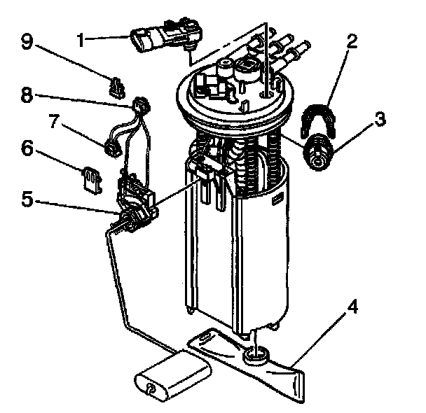
Fuel Level Sensor: Service and Repair




REMOVAL PROCEDURE

IMPORTANT: Always maintain cleanliness when servicing fuel system components.

1. Relieve fuel system pressure. Refer to Fuel Pressure Relief Procedure. Service and Repair
2. Raise the vehicle. Go to Lifting and Jacking the Vehicle in General Information.
3. Remove the fuel sender assembly.
4. Remove the fuel level sensor (8) from the modular fuel sender.

INSTALLATION PROCEDURE
1. Install the fuel level sensor (8) to modular fuel sender.
2. Install the fuel sender assembly.
3. Lower the vehicle.
4. Reconnect the negative battery cable.
5. Inspect for fuel leaks:
5.1. Turn ON the ignition for 2 seconds
5.2. Turn OFF the ignition for 10 seconds.
5.3. Turn ON the ignition.
5.4. Visually inspect the fuel system for fuel leaks.